| 產品名稱: | Z4系列直流電機 | |||||
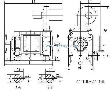
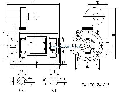
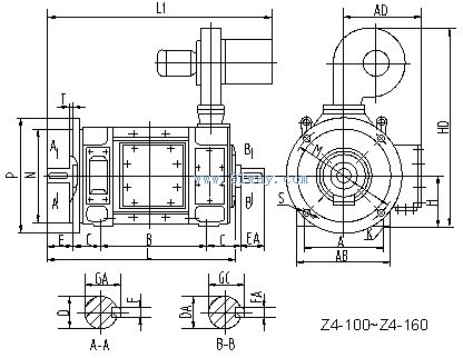
| 型號規格: | ![]() |
|||||
| 產品類別: | 特別推薦 -- 電機產品 -- 中小直流電機 | |||||
| 參考價格: | 廠價直銷 | |||||
| 產品品牌: | 南洋 | |||||
| 產品產地: | 上海 | |||||
| 可供數量: | 批量 | |||||
| 供貨周期: | 現貨(或電詢) | |||||
|
||||||
| 產品簡介: |
|
|||||
Z4系列直流電機廣泛用作各類機械的傳動愿,諸如冶金工業軋機轉動、金屬切削機床、造紙、印刷、紡織、印染、水泥、塑料擠出機械等等。
Z4系列直流電機電機的外形安裝尺寸除了兩底腳孔間軸向尺寸‘B’之外,符合IEC72國際標準。
Z4系列直流電機的性能及技術要求可按照國際電工委員會標準,IEC34-1或西德國家標準DIN57530的要求考核。
Z4系列直流電機采用多角形結構,空間利用率高。定子磁軛為疊片式,實用整流器供電,能承受脈動電流與電流急劇變化(負載變化)之工況,磁極安裝有精確定位,因而換向良好。
電機絕緣等級為F級,采用可靠絕緣結構浸漬工序,保證絕緣性能穩定和良好散熱。
本系列電機具有體積小、性能好、重量輕、輸出功率大、效率高及可靠性高的特點,可以與當今國際先進水平的電機教量。
電動機可用三相全控橋式整流電源以及不外接平波電抗器而長期工作。額定電壓為160V的電機由單相橋式電源供電,此時電樞回路須接入電抗器以抑制脈動電流。其電感值如表中所示。
Z4系列直流電機性能:
1.技術數據表中的數據應按下列使用條件工作
a.海拔不超過1000m;
b.周圍空氣溫度不大于40℃;
c.工作環境不應有酸性、堿性或其他對絕緣有腐蝕作用的氣體;
d.電機為連續工作制(SI);
e.電動機電樞回路和勵磁回路可由靜止整流電源供電,也適應由直流發電機供電;
f.本系列電機性能均符合國際GB755《旋轉電機基本技術要求》。
2.電動機標準額定電壓為160V、440V。也可根據具體情況派生出220V、400V和660V或其他電壓。
3.電動機額定轉速有3000、1500、1000、750、600、500、400、300、200r/min共九檔。減小電樞電壓為恒轉矩調速,減小勵磁電壓為恒功率調速,調速范圍見技術數據表(表2)。在額定電壓以下用調壓調速時為恒轉矩。其最低轉速均規定為不低于20r/min,此時仍能維持額定轉矩,轉速平穩。
4.電動機的基本勵磁方式為他勵,標準勵磁電壓為180V,其他勵磁電壓亦可協商。電動機允許強行勵,強勵電壓不得超過500V。電動機正常運行時勵磁電流不得超過額定勵磁電流。為確保勵磁系統絕緣的可靠性,在斷開勵磁回路時,需在勵磁繞組兩端并聯一個釋放電阻以防止自感電勢。在標準勵磁電壓時其值約為七倍勵磁繞組電阻(冷態)。勵磁電壓高于標準電壓時,并接釋放電阻值可小于七倍,反之大于七倍。
5.Z4-315、Z4-355、Z4-400、和Z4-450四個機座帶有補償繞組。在Z4-250和Z4-280兩個機座號中派生帶有補償繞組的電機也是可能的。
6.電機提供有接地標注的接線柱。
7.技術數據表內的功率值為額定功率,額定電壓和轉速時的效率,它包括勵磁損耗,不包括鼓風機損耗。
型號說明: 
注:*字母'B'表示電機有補償繞組,僅適用于Z4-250和Z4-280這二個機座號。
**數字1、2表示短、長端蓋。
***就Z4-112機座而言,第一數字代表極數,第二數字為鐵心長。
****字母'Z'意思是直流電機,數字'4'為第四次系列設計序號。
Z4系列直流電機結構簡介:
1、電機的防護及安裝結構形式
a、整個系列防護形式均為IP21S。
b、安裝方式符合國際GB/T997規定,本系列具有下列安裝方式: 
2、冷卻方式
整個系列電機的冷卻方式為他冷、強迫通風、在徑向配有騎式鼓風機,獨立供電,并附空氣過濾器。
電機可制成IC06,IC17,IC37三種冷卻方式。
a、Z4-100-Z4-160,其鼓風機裝于非傳動側。
b、Z4-180-Z4-450,其鼓風機裝于傳動側。
c、各機座號所需的冷風量,風壓及風機電動機功率(見表1) 
3.出線盒的位置,從傳動側視之,在機座右側。根據需要也可裝于機座左側或上方。
4.電機可配帶測速發電機等附件于非傳動端。
5.電機的傳動方式為彈性聯軸器聯接。機組配合須小心對準。
對于有徑向力的傳動方式(皮帶或齒輪傳動),其允許承受的徑向力不應大于下列曲線上的數值。
電機造型緊湊、美觀。出線盒寬敞,接線和維修方便。
備注:
1.訂貨前,請先查詢產品目錄,明確所需產品的型號規格等數據。如所需品種、規格與目錄中有出入,請即與我廠聯系。如有特殊要求,請事先提出具體而明確的要求,與我廠有關部門協商,經同意后簽定合同或實制協議。
2.訂貨前請注意電機型號、功率、電壓、轉速、工作制、結構類型、勵磁方式、勵磁電壓、出軸數、出線盒位置、旋轉方向以及所需附件、備品名稱等。
3.如使用環境特殊,需要濕熱帶型,原型號后面請注明“TH”。
|
型號 Type |
額定功率Rated Output PN |
額定轉速 Rated Speed |
弱磁 轉速Speed with Field Weaking nF |
電樞 電流 Arm Curr 1N |
勵磁功率Field Power PF |
電樞回 路電阻 Arm Circuit Resistance R |
電樞回 路電感 Arm Circuit Inductance LA |
磁場電感Field Inductance LF |
外接 電感Smoothing Induct. LR |
效率 Eff. |
慣量矩 Moment of Inertia |
重量 Wt. |
| 160V、400V、440V | ||||||||||||
|
KW |
r/min |
r/min |
A |
W |
Ω(20℃) |
mH |
H |
mH |
% |
Kg-㎡ |
Kg | |
| Z4-100-1 |
2.2 |
1490 |
3000 |
17.9 |
315 |
1.19 |
11.2 |
22 |
15 |
67.8 |
0.044 |
72 |
|
1.5 |
955 |
2000 |
13.3 |
2.17 |
21.4 |
13 |
15 |
58.5 | ||||
|
4 |
2630 |
4000 |
12 |
2.82 |
26 |
18 |
|
78.9 | ||||
|
4 |
2960 |
4000 |
10.7 |
80.1 | ||||||||
|
2 |
1310 |
3000 |
6.6 |
9.12 |
86 |
18 |
68.4 | |||||
|
2.2 |
1480 |
3000 |
6.5 |
70.6 | ||||||||
|
1.4 |
860 |
2000 |
5.1 |
16.76 |
163 |
18 |
60.3 | |||||
|
1.5 |
990 |
2000 |
4.77 |
63.2 | ||||||||
| Z4-112/2-1 |
3 |
1540 |
3000 |
24 |
320 |
0.785 |
7.1 |
14 |
20 |
69.1 |
0.072 |
10 |
|
2.2 |
975 |
2000 |
19.6 |
1.498 |
14.1 |
13 |
20 |
62.1 | ||||
|
5.5 |
2630 |
4000 |
16.4 |
1.933 |
17.9 |
17 |
|
79.9 | ||||
|
5.5 |
2940 |
4000 |
14.7 |
81.1 | ||||||||
|
2.8 |
1340 |
3000 |
9.1 |
6 |
59 |
17 |
71.2 | |||||
|
3 |
1500 |
3000 |
8.6 |
72.8 | ||||||||
|
1.9 |
855 |
2000 |
6.9 |
11.67 |
110 |
13 |
61.1 | |||||
|
2.2 |
965 |
2000 |
7.1 |
63.5 | ||||||||
| Z4-112/2-2 |
4 |
1450 |
3000 |
31.3 |
350 |
0.567 |
6.2 |
14 |
12 |
72.6 |
0.088 |
107 |
|
3 |
1070 |
2000 |
24.8 |
0.934 |
10.3 |
14 |
10 |
66.8 | ||||
|
7 |
2660 |
4000 |
20.4 |
1.305 |
14 |
19 |
|
82.4 | ||||
|
7.5 |
2980 |
4000 |
19.7 |
83.5 | ||||||||
|
3.7 |
1320 |
3000 |
11.7 |
4.24 |
48.5 |
19 |
74.1 | |||||
|
4 |
1500 |
3000 |
11.2 |
76 | ||||||||
|
2.6 |
895 |
2000 |
9 |
7.62 |
83 |
14 |
65.1 | |||||
|
3 |
1010 |
2000 |
9.1 |
67.3 | ||||||||
| Z4-112/4-1 |
5.5 |
1520 |
3000 |
42.5 |
500 |
0.38 |
3.85 |
6.8 |
6.5 |
73 |
0.128 |
106 |
|
4 |
990 |
2000 |
33.7 |
0.741 |
7.7 |
6.7 |
4.5 |
64.9 | ||||
|
10 |
2680 |
3500 |
29 |
0.89 |
9 |
6.8 |
|
82.7 | ||||
|
11 |
2950 |
3500 |
28.8 |
83.3 | ||||||||
|
5 |
1340 |
1800 |
15.7 |
3.01 |
30.5 |
6.8 |
74.3 | |||||
|
5.5 |
1480 |
1800 |
15.4 |
75.7 | ||||||||
|
3.7 |
855 |
1100 |
13 |
5.78 |
60 |
6.7 |
65.2 | |||||
|
4 |
980 |
1100 |
12.2 |
68.7 | ||||||||
| Z4-112/4-2 |
5.5 |
1090 |
2000 |
43.5 |
570 |
0.441 |
5.1 |
7.8 |
6 |
69.5 |
0.156 |
114 |
|
13 |
2740 |
3600 |
37 |
0.574 |
6.4 |
5.8 |
|
84.4 | ||||
|
15 |
3035 |
3600 |
38.6 |
85.4 | ||||||||
|
6.7 |
1330 |
1800 |
20.6 |
2.12 |
24.1 |
7.8 |
76.8 | |||||
|
7.5 |
1480 |
1800 |
20.6 |
78.4 | ||||||||
|
5 |
955 |
1200 |
16.1 |
3.46 |
40.5 |
5.8 |
71.1 | |||||
|
5.5 |
1025 |
1200 |
15.7 |
71.9 |
|
型號Type |
額定功率Rated Output PN |
額定轉速Rated Speed |
弱磁 轉速Speed with Field Weaking nF |
電樞 電流 Arm Curr 1N |
勵磁功率 Field Power PF |
電樞回路電阻 Arm Circuit Resistance R |
電樞回路電感 Arm Circuit Inductance LA |
磁場電感 Field Inductance LF |
效率Eff. |
慣量矩 Moment of Inertia |
重量 Wt. |
|
400V、440V | |||||||||||
|
KW |
r/min |
r/min |
A |
W |
Ω(20℃) |
mH |
H |
% |
Kg-㎡ |
Kg | |
| Z4-132-1 |
18.5 |
2610 |
4000 |
52.2 |
650 |
0.386 |
5.3 |
6.5 |
85 |
0.32 |
140 |
|
18.5 |
2850 |
4000 |
47.1 |
85.9 | |||||||
|
10 |
1330 |
2100 |
30.1 |
1.309 |
18.9 |
8.9 |
79.4 | ||||
|
11 |
1480 |
2200 |
29.6 |
80.9 | |||||||
|
7 |
865 |
1600 |
22.7 |
2.56 |
37.5 |
6.3 |
71.9 | ||||
|
7.5 |
975 |
1600 |
21.4 |
74.5 | |||||||
| Z4-132-2 |
20 |
2800 |
3600 |
55.4 |
730 |
0.226 |
3.65 |
10 |
87.8 |
0.4 |
160 |
|
22 |
3090 |
3600 |
55.3 |
88.3 | |||||||
|
15 |
1360 |
2500 |
44.5 |
0.811 |
13.5 |
7.7 |
81.2 | ||||
|
15 |
1510 |
2500 |
39.5 |
83.4 | |||||||
|
10 |
905 |
1400 |
31.1 |
1.565 |
26 |
6 |
75.6 | ||||
|
11 |
995 |
1400 |
30.5 |
77.7 | |||||||
| Z4-132-3 |
27 |
2720 |
3600 |
74.5 |
800 |
0.1905 |
3.4 |
21 |
88.2 |
0.48 |
180 |
|
30 |
3000 |
3600 |
75 |
88.6 | |||||||
|
18.5 |
1390 |
2100 |
53.2 |
0.531 |
9.8 |
6.6 |
83.6 | ||||
|
18.5 |
1540 |
2200 |
47.6 |
84.7 | |||||||
|
13.5 |
945 |
1600 |
40.5 |
0.976 |
19.4 |
6.5 |
79.4 | ||||
|
15 |
1050 |
1600 |
40.5 |
80.5 | |||||||
| Z4-160-11 |
33 |
2710 |
3500 |
93.4 |
820 |
0.1835 |
3.15 |
10 |
87.4 |
0.64 |
220 |
|
37 |
3000 |
88.5 | |||||||||
|
19.5 |
1350 |
3000 |
58.8 |
0.593 |
10.4 |
7.7 |
80.4 | ||||
|
22 |
1500 |
82.6 | |||||||||
|
40.5 |
2710 |
3500 |
113 |
920 |
0.1426 |
2.7 |
10 |
88.2 |
0.76 |
242 | |
|
45 |
3000 |
89.1 | |||||||||
|
16.5 |
900 |
2000 |
50.5 |
0.862 |
17.7 |
6 |
77.9 | ||||
|
18.5 |
1000 |
79.4 | |||||||||
|
49.5 |
2710 |
3500 |
137 |
1050 |
0.097 |
2.07 |
11 |
89.1 |
0.88 |
268 | |
|
55 |
3010 |
90.2 | |||||||||
|
27 |
1350 |
3000 |
77.8 |
0.376 |
8.3 |
10 |
84.7 | ||||
|
30 |
1500 |
85.7 | |||||||||
|
19.5 |
900 |
2000 |
59.1 |
0.675 |
15.2 |
6.3 |
79.1 | ||||
|
22 |
1000 |
81.7 | |||||||||
| Z4-180-11 |
33 |
1350 |
3000 |
95.4 |
1200 |
0.29 |
5.8 |
7.1 |
84.7 |
1.52 |
326 |
|
37 |
1500 |
86.5 | |||||||||
|
16.5 |
670 |
1900 |
51.4 |
0.947 |
17.6 |
5.6 |
75.5 | ||||
|
18.5 |
750 |
78.1 | |||||||||
|
13 |
540 |
1400 |
42.4 |
1264m |
25 |
5.6 |
73 | ||||
|
15 |
600 |
74.1 |
|
型號 Type |
額定功率Rated Output PN |
額定轉速 Rated Speed |
弱磁 轉速Speed with Field Weaking nF |
電樞 電流Arm Curr 1N |
勵磁功率Field Power PF |
電樞回路電阻Arm Circuit Resistance R |
電樞回路電感Arm Circuit Inductance LA |
磁場電感Field Inductance LF |
效率Eff. |
慣量矩Moment of Inertia |
重量Wt. |
|
400V、440V | |||||||||||
|
KW |
r/min |
r/min |
A |
W |
Ω(20℃) |
mH |
H |
% |
Kg-㎡ |
Kg | |
| 22 21 Z4-180-21 21 21 |
67 | 2710 |
3400 |
185 |
1400 |
0.0555 |
1.16 |
6.9 |
89.5 |
1.72 |
350 |
| 75 |
3000 |
90.7 | |||||||||
| 40.5 | 1350 |
2800 |
115 |
0.2125 |
4.65 |
6.6 |
85.8 | ||||
| 45 |
1500 |
87 | |||||||||
| 27 | 900 |
2000 |
78.7 |
0.419 |
9.3 |
7.3 |
82.2 | ||||
| 30 |
1000 |
83.7 | |||||||||
| 19.5 | 670 |
1400 |
60.3 |
0.756 |
15.7 |
7.1 |
77.3 | ||||
| 22 |
750 |
79.7 | |||||||||
| 16.5 | 540 |
1600 |
52 |
1.003 |
21.9 |
5 |
73.8 | ||||
|
18.5 |
600 |
76.8 | |||||||||
| Z4-180-31 | 33 | 900 |
2000 |
96.6 |
1500 |
0.332 |
7.7 |
6.6 |
82.8 |
1.92 |
380 |
| 37 |
1000 |
83.6 | |||||||||
| 19.5 | 540 |
1250 |
61.8 |
0.801 |
19 |
6.6 |
74.8 | ||||
| 22 |
600 |
76.6 | |||||||||
| 42 Z4-180- 41 41 |
81 | 2710 |
3200 |
221 |
1700 |
0.051 |
1.16 |
12 |
91 |
2.2 |
410 |
| 90 |
3000 |
91.3 | |||||||||
| 50 | 1350 |
3000 |
139 |
0.1417 |
3.2 |
5.7 |
87.5 | ||||
| 55 |
1500 |
87.7 | |||||||||
| 27 | 670 |
2000 |
79.5 |
0.459 |
10.4 |
6.3 |
80.4 | ||||
| 30 |
750 |
81.1 | |||||||||
| 12 11 Z4-200- 11 11 |
99 | 2710 |
2000 |
271 |
1400 |
0.0373 |
0.83 |
7.62 |
90.2 |
3.68 |
485 |
| 110 |
3000 |
91.6 | |||||||||
| 40.5 | 900 |
3000 |
118 |
0.2653 |
8.4 |
7.01 |
83.4 | ||||
| 45 |
1000 |
85.5 | |||||||||
| 33 | 670 |
1600 |
99 |
0.369 |
10.6 |
7.77 |
80.2 | ||||
| 37 |
750 |
82.9 | |||||||||
| 19.5 | 450 |
1000 |
63.5 |
0.93 |
21.9 |
7.3 |
72.2 | ||||
| 22 |
500 |
77.4 | |||||||||
| 21 Z4-200- 21 |
67 | 1350 |
3000 |
188 |
1500 |
0.0885 |
2.8 |
6.78 |
88.7 |
4.2 |
530 |
| 75 |
1500 |
89.6 | |||||||||
| 27 | 540 |
1000 |
82 |
0.535 |
14 |
9.64 |
78.8 | ||||
| 30 |
600 |
80.4 | |||||||||
| 32 31 31 Z4-200- 31 31 31 |
119 | 2710 |
3200 |
322 |
1750 |
0.0266 |
0.79 |
10.9 |
91.7 |
4.8 |
580 |
| 132 |
3000 |
92.4 | |||||||||
| 81 | 1350 |
2800 |
224 |
0.0771 |
2.6 |
5.61 |
88.7 | ||||
| 90 |
1500 |
90 | |||||||||
| 49.5 | 900 |
2000 |
141 |
0.1751 |
4.8 |
8.54 |
85.6 | ||||
| 55 |
1000 |
87.1 | |||||||||
| 40.5 | 670 |
1400 |
119 |
0.283 |
8.5 |
8.35 |
82.5 | ||||
| 45 |
750 |
84.1 | |||||||||
| 33 | 540 |
1200 |
101 |
0.42 |
12.2 |
8.42 |
79.6 | ||||
| 37 |
600 |
82 | |||||||||
| 27 | 450 |
750 |
83.5 |
0.598 |
17.1 |
8.4 |
77.5 | ||||
| 30 |
500 |
79.5 |
|
型號 Type |
額定功率Rated Output PN |
額定轉速 Rated Speed |
弱磁 轉速Speed with Field Weaking nF |
電樞 電流Arm Curr 1N |
勵磁功率Arm Curr PF |
電樞回路電阻 Arm Circuit Resistance R |
電樞回路電感 Arm Circuit Inductance LA |
磁場電感Field Inductance LF |
效率Eff. |
慣量矩Moment of Inertia |
重量Wt. |
|
400V、440V | |||||||||||
|
KW |
r/min |
r/min |
A |
W |
Ω(20℃) |
mH |
H |
% |
Kg-㎡ |
Kg | |
| Z4-225-11 |
99 |
1360 |
3000 |
276 |
2300 |
0.0664 |
2.1 |
4.45 |
87.9 |
5 |
680 |
|
110 |
1500 |
89.4 | |||||||||
|
67 |
900 |
2000 |
193 |
0.1406 |
4.9 |
4.28 |
84.4 | ||||
|
75 |
1000 |
86.5 | |||||||||
|
49 |
680 |
1300 |
146 |
0.2433 |
8.7 |
5.77 |
81.2 | ||||
|
55 |
750 |
84 | |||||||||
|
40 |
540 |
1200 |
123 |
0.356 |
9.5 |
6.38 |
78.2 | ||||
|
45 |
600 |
80.8 | |||||||||
|
33 |
450 |
1000 |
103 |
0.476 |
15.2 |
6.10 |
76.5 | ||||
|
37 |
500 |
78.8 | |||||||||
| Z4-225-21 |
49 |
540 |
1000 |
148 |
2470 |
0.2648 |
9.5 |
4.14 |
79.3 |
5.6 |
740 |
|
55 |
600 |
82.4 | |||||||||
|
40 |
450 |
1000 |
125 |
0.397 |
13.7 |
5.41 |
76.6 | ||||
|
45 |
500 |
78.9 | |||||||||
| Z4-225-31 |
119 |
1360 |
2400 |
327 |
2580 |
0.0454 |
1.5 |
5.33 |
89.3 |
6.2 |
800 |
|
132 |
1500 |
90.5 | |||||||||
|
81 |
900 |
2000 |
227 |
0.093 |
3.4 |
5.3 |
86.9 | ||||
|
90 |
1000 |
88 | |||||||||
|
67 |
680 |
2250 |
197 |
0.167 |
5.1 |
4.55 |
82.5 | ||||
|
75 |
750 |
85.1 | |||||||||
| 12 Z4-250- 11 |
144 |
1360 |
2100 |
399 |
2500 |
0.0444 |
1.3 |
4.29 |
88.8 |
8.8 |
890 |
|
160 |
1500 |
89.9 | |||||||||
|
99 |
900 |
2000 |
281 |
0.0911 |
2.4 |
4.55 |
86.2 | ||||
|
110 |
1000 |
88.1 | |||||||||
| Z4-250-21 |
167 |
1360 |
2200 |
459 |
2750 |
0.0325 |
0.91 |
4.28 |
89.8 |
10 |
970 |
|
185 |
1500 |
90.5 | |||||||||
|
81 |
680 |
2250 |
234 |
0.1306 |
3.9 |
5.41 |
83.2 | ||||
|
90 |
750 |
85.2 | |||||||||
| Z4-250-31 |
180 |
1360 |
2400 |
493 |
2850 |
0.0281 |
0.87 |
5.32 |
90.4 |
11.2 |
1070 |
|
200 |
1500 |
91.5 | |||||||||
|
119 |
900 |
2000 |
334 |
0.0668 |
1.7 |
5.46 |
87.4 | ||||
|
132 |
1000 |
89.1 | |||||||||
|
67 |
540 |
2000 |
204 |
0.202 |
4.0 |
4.0 |
80.8 | ||||
|
75 |
600 |
84.6 | |||||||||
|
49 |
450 |
1500 |
152 |
0.305 |
7.3 |
5.1 |
78.5 | ||||
|
55 |
500 |
82.4 |
|
型號 Type |
額定功率Rated Output PN |
額定轉速Rated Speed |
弱磁轉速Speed with Field Weaking nF |
電樞電流Arm Curr 1N |
勵磁功率 Field Power PF |
電樞回路電阻Arm Circuit Resistance R |
電樞回路電感Arm Circuit Inductance LA |
磁聲電感Field Inductance LF |
效率 Eff. |
慣量矩Moment of Inerti |
重量 Wt. |
| 400V、440V | |||||||||||
|
KW |
r/min |
r/min |
A |
W |
Ω(20℃) |
mH |
H |
% |
Kg-㎡ |
Kg | |
| 41 42 Z4-250-41 41 41 |
198 | 1360 |
2400 |
539 |
3000 |
0.0237 |
0.93 |
6.19 |
91 |
12.8 |
1180 |
| 220 |
1500 |
91.7 | |||||||||
| 144 | 900 |
2000 |
401 |
0.0485 |
1.9 |
4.53 |
88 | ||||
| 160 |
1000 |
89.2 | |||||||||
| 99 | 680 |
1900 |
283 |
0.0102 |
2.6 |
5.3 |
85.8 | ||||
| 110 |
750 |
87.4 | |||||||||
| 81 | 540 |
1600 |
236 |
0.141 |
4.7 |
6.36 |
83.4 | ||||
| 90 |
600 |
85 | |||||||||
| 67 | 450 |
1500 |
201 |
0.195 |
5.1 |
4.97 |
80 | ||||
| 75 |
500 |
83.4 | |||||||||
| Z4-280-11 | 226 | 1355 |
2000 |
614 |
3100 |
0.02134 |
0.69 |
4.58 |
90.9 |
16.4 |
1280 |
| 250 |
1500 |
91.6 | |||||||||
| 22 21 Z4-280- 21 21 |
253 | 1355 |
1800 |
684 |
3500 |
0.01796 |
0.77 |
5.3 |
91.5 |
18.4 |
1400 |
| 280 |
1500 |
92.1 | |||||||||
| 180 | 900 |
2000 |
498 |
0.0373 |
1.2 |
4.46 |
89.1 | ||||
| 200 |
1000 |
90.1 | |||||||||
| 119 | 675 |
1600 |
333 |
0.0662 |
2.3 |
4.37 |
87.1 | ||||
| 132 |
750 |
88.6 | |||||||||
| 99 | 540 |
1500 |
281 |
0.093 |
3.1 |
4.57 |
84.7 | ||||
| 110 |
600 |
86 | |||||||||
| 284 | 1360 |
1800 |
768 |
3600 |
0.01493 |
0.59 |
6.94 |
91.7 |
21.2 |
1550 | |
| 315 |
1500 |
92.6 | |||||||||
| 198 | 900 |
2000 |
545 |
0.0314 |
1.1 |
5.54 |
89.7 | ||||
| 220 |
1000 |
90.6 | |||||||||
| 144 | 675 |
1700 |
402 |
0.0532 |
2 |
5.47 |
87.8 | ||||
| 160 |
750 |
89.1 | |||||||||
| 118 | 450 |
1000 |
339 |
0.0839 |
2.6 |
5.77 |
85.4 | ||||
| 132 |
500 |
86.8 | |||||||||
| 80 | 450 |
1400 |
234 |
0.1377 |
5.3 |
9.03 |
84.1 | ||||
| 90 |
500 |
85.4 | |||||||||
| 42 Z4-280-41 41 |
225 | 900 |
1800 |
616 |
4000 |
0.02545 |
0.96 |
5.29 |
90.2 |
24 |
1700 |
| 250 |
1000 |
91.1 | |||||||||
| 166 | 675 |
1900 |
464 |
0.0457 |
1.7 |
5.19 |
88.1 | ||||
| 185 |
750 |
89.4 | |||||||||
| 98 | 450 |
1000 |
282 |
0.0993 |
3.7 |
6.86 |
85.1 | ||||
| 110 |
500 |
86.9 |
|
型號Type |
額定功率Rated Output PN |
額定轉速Speed with Field Weaking |
弱磁轉速Speed with Field Weaking nF |
電樞電流Arm Curr. 1N |
勵磁功率Field Power PF |
電樞回路電阻Arm Circuit Resistance R |
電樞回路電感Arm Circuit Inductance LA |
磁聲電感Field Inductance LF |
效率 Eff. |
慣量矩Moment of Inerti |
重量 Wt. |
| 400V、440V | |||||||||||
|
KW |
r/min |
r/min |
A |
W |
Ω(20℃) |
mH |
H |
% |
Kg-㎡ |
Kg | |
| Z4-315-12 | 321 | 1360 |
1800 |
865 |
3850 |
0.015 |
0.39 |
8.64 |
92.2 |
21.2 |
1890 |
| 355 |
1500 |
92.8 | |||||||||
| 253 | 900 |
1600 |
690 |
0.02355 |
0.46 |
5.06 |
90.4 | ||||
| 280 |
1000 |
91.6 | |||||||||
| 180 | 680 |
1900 |
500 |
0.04371 |
0.83 |
4.97 |
88.4 | ||||
| 200 |
750 |
89.4 | |||||||||
| Z4-315-11 | 144 | 540 |
1600 |
409 |
0.06919 |
1.3 |
7.6 |
86.4 | |||
| 160 |
600 |
87.4 | |||||||||
| 118 | 450 |
1200 |
344 |
0.1 |
2.3 |
9.43 |
84.4 | ||||
| 132 |
500 |
86.3 | |||||||||
| 98 | 360 |
1600 |
294 |
0.1415 |
2.9 |
9.96 |
81.7 | ||||
| 110 |
400 |
84.3 | |||||||||
| Z4-315-22 | 284 | 900 |
1600 |
772 |
4350 |
0.02034 |
0.49 |
5.91 |
91 |
24 |
2080 |
| 315 |
1000 |
91.5 | |||||||||
| 225 | 680 |
1500 |
624 |
0.03392 |
0.74 |
18.8 |
88.7 | ||||
| 250 |
750 |
89.6 | |||||||||
| Z4-315-21 | 166 | 540 |
1600 |
468 |
0.05382 |
1.2 |
25 |
87.2 | |||
| 185 |
600 |
88.5 | |||||||||
| 143 | 450 |
1500 |
413 |
0.076 |
1.5 |
19 |
84.7 | ||||
| 160 |
500 |
86 | |||||||||
| Z4-315-32 | 320 | 900 |
1600 |
867 |
4650 |
0.01658 |
0.39 |
23.1 |
91.0 |
27.2 |
2290 |
| 355 |
1000 |
92.0 | |||||||||
| 252 | 680 |
1600 |
698 |
0.03034 |
0.82 |
21.5 |
89.1 | ||||
| 280 |
750 |
89.8 | |||||||||
| 180 | 540 |
1500 |
501 |
0.04536 |
0.95 |
31.6 |
88.2 | ||||
| 200 |
600 |
89.4 | |||||||||
| Z4-315-31 | 118 | 360 |
1200 |
344 |
0.1002 |
2.1 |
23.3 |
83.2 | |||
| 132 |
400 |
85.3 | |||||||||
| Z4-315-42 | 361 | 900 |
1400 |
971 |
5200 |
0.01302 |
0.33 |
29 |
92.1 |
30.8 |
2520 |
| 400 |
1000 |
92.7 | |||||||||
| 284 | 680 |
1600 |
778 |
0.02364 |
0.67 |
20.8 |
90 | ||||
| 315 |
750 |
90.7 | |||||||||
| 225 | 540 |
1600 |
626 |
0.03554 |
0.87 |
21.9 |
88.3 | ||||
| 250 |
600 |
89 | |||||||||
| Z4-315-41 | 166 | 450 |
1500 |
468 |
0.055 |
1.4 |
37.4 |
87.3 | |||
| 185 |
500 |
88.3 | |||||||||
| 143 | 360 |
1200 |
416 |
0.0803 |
1.8 |
22.2 |
84 | ||||
| 160 |
400 |
85.3 |
|
型號 Type |
額定功率Rated Output PN |
額定轉速Rated Speed |
弱磁轉速Speed with Field Weaking nF |
電樞電流Arm Curr 1N |
勵磁功率Field Power PF |
電樞回路電阻Arm Circuit Resistance R |
電樞回路電感Arm Circuit Inductance LA |
磁聲電感Field Inductance LF |
效率 Eff. |
慣量矩Moment of Inerti |
重量 Wt. |
| 400V、440V | |||||||||||
|
KW |
r/min |
r/min |
A |
W |
Ω(20℃) |
mH |
H |
% |
Kg-㎡ |
Kg | |
| Z4-355-12 | 406 | 900 |
1500 |
1094 |
4700 |
0.01259 |
0.36 |
37.6 |
91.8 |
42 |
2890 |
| 450 |
1000 |
92.8 | |||||||||
| 321 | 680 |
1500 |
877 |
0.02087 |
0.59 |
28.1 |
90.4 | ||||
| 355 |
750 |
91.2 | |||||||||
| Z4-355-11 | 253 | 540 |
1500 |
697 |
0.02952 |
0.91 |
22 |
89.2 | |||
| 280 |
600 |
90.2 | |||||||||
| 180 | 450 |
1500 |
506 |
0.0502 |
1.5 |
8.91 |
87.6 | ||||
| 200 |
500 |
88.9 | |||||||||
| 166 | 360 |
1200 |
478 |
0.066 |
1.8 |
22.4 |
84.9 | ||||
| 185 |
400 |
85.9 | |||||||||
| Z4-355-22 | 361 | 680 |
1600 |
978 |
0.01583 |
0.44 |
15.6 |
90.8 | |||
| 400 |
750 |
91.7 | |||||||||
| 284 | 540 |
1500 |
783 |
5600 |
0.02676 |
0.81 |
34.7 |
89.5 |
46 |
3170 | |
| 315 |
600 |
90.5 | |||||||||
| 225 | 450 |
1600 |
624 |
0.03462 |
1.0 |
20.5 |
88.4 | ||||
| 250 |
500 |
89.5 | |||||||||
| Z4-355-21 | 180 | 360 |
1200 |
511 |
0.05642 |
1.6 |
35.5 |
86.3 | |||
| 200 |
400 |
87.5 | |||||||||
| Z4-355-32 | 406 | 680 |
1100 |
1098 |
0.01362 |
0.39 |
19 |
91.3 | |||
| 450 |
750 |
92.1 | |||||||||
| 320 | 540 |
1600 |
877 |
6000 |
0.02153 |
0.7 |
24.3 |
89.9 |
52 |
3490 | |
| 355 |
600 |
91 | |||||||||
| 284 | 450 |
1500 |
789 |
0.0293 |
0.91 |
18.5 |
88.3 | ||||
| 315 |
500 |
89.5 | |||||||||
| Z4-355-31 | 197 | 360 |
1200 |
559 |
0.04957 |
1.3 |
34.6 |
86.6 | |||
| 220 |
400 |
88.4 | |||||||||
| Z4-355-42 | 361 | 540 |
1300 |
985 |
0.01836 |
0.64 |
29.6 |
90.5 | |||
| 400 |
600 |
91.2 | |||||||||
| 320 | 450 |
1200 |
882 |
6500 |
0.02361 |
0.76 |
17.7 |
88.9 |
60 |
3840 | |
| 355 |
500 |
89.2 | |||||||||
| 225 | 360 |
1200 |
627 |
0.0358 |
1.2 |
17.7 |
87.5 | ||||
| 250 |
400 |
88.8 |
|
型號 Type |
額定
|
額定 |
弱磁轉 nF |
電樞
|
勵磁 |
電樞回路
|
電樞回路電感
|
磁場電感 |
效率 |
慣量矩 |
重量 Wt. |
| 400V 440V | |||||||||||
|
KW |
r/min |
r/min |
A |
W |
Ω(20℃) |
mH |
H |
% |
kg.m2 |
kg | |
|
22 Z4-400- 21 21 |
435 |
680 |
1400 |
1175 |
5700 |
0.0139 |
0.33 |
7.85 |
90.8 |
74 |
4500 |
|
480 |
750 |
92 | |||||||||
|
235 |
360 |
1200 |
675 |
0.0497 |
1 |
7.3 |
84.8 | ||||
|
260 |
400 |
86.3 | |||||||||
|
180 |
270 |
900 |
537 |
0.0804 |
1.6 |
7.44 |
81.8 | ||||
|
200 |
300 |
83.1 | |||||||||
|
32 32 Z4-400- 32 31 31 |
500 |
680 |
1400 |
1340 |
6400 |
0.0112 |
0.3 |
9.57 |
91.2 |
84 |
4900 |
|
550 |
750 |
92.5 | |||||||||
|
400 |
540 |
1300 |
1083 |
0.0162 |
0.35 |
4.51 |
89.9 | ||||
|
440 |
600 |
91.1 | |||||||||
|
344 |
450 |
1300 |
952 |
0.0248 |
0.58 |
6 |
88.1 | ||||
|
380 |
500 |
89.5 | |||||||||
|
270 |
360 |
1200 |
768 |
0.03821 |
0.82 |
6.11 |
86 | ||||
|
300 |
400 |
87.5 | |||||||||
|
208 |
270 |
900 |
611 |
0.0659 |
1.5 |
5.89 |
82.8 | ||||
|
230 |
300 |
84 | |||||||||
|
42 |
435 |
540 |
1300 |
1175 |
7100 |
0.0134 |
0.32 |
5.54 |
90.8 |
94 |
5300 |
|
480 |
600 |
92 | |||||||||
|
390 |
450 |
1400 |
1070 |
0.0201 |
0.47 |
6.86 |
88.6 | ||||
|
430 |
500 |
90 | |||||||||
|
316 |
360 |
1200 |
880 |
0.0274 |
0.73 |
5.41 |
87.7 | ||||
|
350 |
400 |
89 | |||||||||
|
235 |
270 |
900 |
676 |
0.0508 |
1.2 |
5.38 |
84 | ||||
|
260 |
300 |
85.4 | |||||||||
| 22
22 21 |
472 |
540 |
1200 |
1286 |
6500 |
0.0133 |
0.29 |
10.2 |
90.8 |
138 |
5600 |
|
520 |
600 |
92.1 | |||||||||
|
408 |
450 |
1400 |
1114 |
0.0159 |
0.41 |
7.99 |
90 | ||||
|
450 |
500 |
91.3 | |||||||||
|
362 |
360 |
1200 |
1010 |
0.0232 |
0.61 |
5.79 |
88.1 | ||||
|
400 |
400 |
89.4 | |||||||||
|
253 |
270 |
900 |
720 |
0.0415 |
1 |
5.82 |
85.8 | ||||
|
280 |
300 |
87.1 | |||||||||
|
32 32 Z4-450- 32 32 31 |
500 |
540 |
1200 |
1358 |
7100 |
0.0134 |
0.39 |
19.6 |
90.8 |
156 |
6000 |
|
550 |
600 |
92 | |||||||||
|
453 |
450 |
1300 |
1228 |
0.0145 |
0.32 |
7.36 |
90 | ||||
|
500 |
500 |
91.4 | |||||||||
|
408 |
360 |
1200 |
1130 |
0.0205 |
0.53 |
7.17 |
88.5 | ||||
|
450 |
400 |
89.7 | |||||||||
|
309 |
270 |
900 |
875 |
0.0342 |
0.83 |
4.8 |
85.9 | ||||
|
340 |
300 |
87.1 | |||||||||
|
200 |
180 |
600 |
595 |
0.0751 |
1.9 |
9.09 |
81.3 | ||||
|
220 |
200 |
82.6 | |||||||||
|
42 42 Z4-450- 42 42 41 |
545 |
540 |
1100 |
1492 |
7800 |
0.0134 |
0.51 |
28.6 |
90.3 |
174 |
6700 |
|
600 |
600 |
91.5 | |||||||||
|
500 |
450 |
1100 |
1367 |
0.0145 |
0.43 |
18.6 |
90 | ||||
|
550 |
500 |
91.4 | |||||||||
|
453 |
360 |
1200 |
1254 |
0.0178 |
0.42 |
5.85 |
88.9 | ||||
|
500 |
400 |
90 | |||||||||
|
345 |
270 |
900 |
972 |
0.0275 |
0.81 |
5.62 |
86.8 | ||||
|
380 |
300 |
88.1 | |||||||||
|
235 |
180 |
600 |
698 |
0.0612 |
1.7 |
5.73 |
81.7 | ||||
|
260 |
200 |
83 |
|
型號 TYPE |
安裝尺寸 Mounting Dimensions |
外型尺寸 Outline Dimensions | ||||||||||||||||||
|
A |
B |
C |
D |
E |
F |
GA |
DA |
EA |
FA |
GC |
H |
K |
L |
L1 |
AB |
AC |
AD |
HD |
h1 | |
|
Z4-100-1 |
160 |
318 |
63 |
24 |
50 |
8 |
27 |
24 |
50 |
8 |
27 |
100 |
12 |
500 |
580 |
197 |
234 |
179 |
398 |
10 |
|
Z4-100-2 |
358 |
540 |
620 | |||||||||||||||||
|
Z4-112/2-1 |
190 |
337 |
70 |
28 |
60 |
8 |
31 |
28 |
60 |
8 |
31 |
112 |
12 |
544 |
612 |
221 |
255 |
202 |
452 |
10 |
|
Z4-112/2-2 |
367 |
574 |
642 | |||||||||||||||||
|
Z4-112/2-3 |
407 |
614 |
682 | |||||||||||||||||
|
Z4-112/2-4 |
477 |
684 |
752 | |||||||||||||||||
|
Z4-112/4-1 |
190 |
347 |
70 |
32 |
80 |
10 |
35 |
32 |
80 |
10 |
35 |
112 |
12 |
573 |
642 |
221 |
255 |
202 |
452 |
10 |
|
Z4-112/4-2 |
387 |
613 |
682 | |||||||||||||||||
|
Z4-112/4-3 |
437 |
663 |
732 | |||||||||||||||||
|
Z4-112/4-4 |
497 |
723 |
792 | |||||||||||||||||
|
Z4-132-1 |
216 |
355 |
89 |
38 |
80 |
10 |
41 |
38 |
80 |
10 |
41 |
132 |
12 |
619 |
814 |
260 |
295 |
240 |
527 |
12 |
|
Z4-132-2 |
405 |
669 |
864 | |||||||||||||||||
|
Z4-132-3 |
465 |
729 |
924 | |||||||||||||||||
|
Z4-132-4 |
545 |
809 |
1004 | |||||||||||||||||
|
Z4-160-11 |
254 |
411 |
108 |
48 |
110 |
14 |
51.5 |
48 |
110 |
14 |
51.5 |
160 |
15 |
744 |
953 |
316 |
346 |
383 |
625 |
14 |
|
Z4-160-12 |
476 |
809 |
986 | |||||||||||||||||
|
Z4-160-21 |
451 |
784 |
993 | |||||||||||||||||
|
Z4-160-22 |
516 |
849 |
1026 | |||||||||||||||||
|
Z4-160-31 |
501 |
834 |
1034 | |||||||||||||||||
|
Z4-160-32 |
566 |
899 |
1076 | |||||||||||||||||
|
Z4-160-41 |
561 |
894 |
1103 | |||||||||||||||||
|
Z4-160-42 |
626 |
959 |
1136 | |||||||||||||||||
|
Z4-160-51 |
631 |
964 |
1173 | |||||||||||||||||
|
Z4-160-52 |
696 |
1029 |
1206 | |||||||||||||||||
|
Z4-180-11 |
279 |
436 |
121 |
55 |
110 |
16 |
59 |
55 |
110 |
16 |
59 |
180 |
15 |
794 |
1022 |
356 |
390 |
305 |
731 |
16 |
|
Z4-180-12 |
501 |
859 |
1087 | |||||||||||||||||
|
Z4-180-21 |
476 |
834 |
1062 | |||||||||||||||||
|
Z4-180-22 |
541 |
899 |
1127 | |||||||||||||||||
|
Z4-180-31 |
526 |
884 |
1112 | |||||||||||||||||
|
Z4-180-32 |
591 |
949 |
1177 | |||||||||||||||||
|
Z4-180-41 |
586 |
944 |
1172 | |||||||||||||||||
|
Z4-180-42 |
651 |
1009 |
1237 | |||||||||||||||||
|
Z4-180-51 |
656 |
1014 |
1242 | |||||||||||||||||
|
Z4-180-52 |
721 |
1079 |
1307 | |||||||||||||||||
|
Z4-200-11 |
318 |
566 |
133 |
65 |
140 |
18 |
69 |
65 |
140 |
18 |
69 |
200 |
19 |
977 |
1158 |
396 |
430 |
355 |
779 |
18 |
|
Z4-200-12 |
614 |
1025 |
1206 | |||||||||||||||||
|
Z4-200-21 |
606 |
1017 |
1198 | |||||||||||||||||
|
Z4-200-22 |
654 |
1065 |
1246 | |||||||||||||||||
|
Z4-200-31 |
686 |
1097 |
1278 | |||||||||||||||||
|
Z4-200-32 |
734 |
1145 |
1326 | |||||||||||||||||
|
Z4-200-41 |
756 |
1167 |
1348 | |||||||||||||||||
|
Z4-200-42 |
804 |
1215 |
1396 | |||||||||||||||||
|
Z4-225-11 |
356 |
701 |
149 |
75 |
140 |
20 |
79.5 |
75 |
140 |
20 |
79.5 |
225 |
19 |
1140 |
1605 |
440 |
474 |
398 |
981 |
20 |
|
Z4-225-12 |
761 |
1200 |
1665 | |||||||||||||||||
|
Z4-225-21 |
751 |
1190 |
1655 | |||||||||||||||||
|
Z4-225-22 |
811 |
1250 |
1715 | |||||||||||||||||
|
Z4-225-31 |
811 |
1250 |
1715 | |||||||||||||||||
|
Z4-225-32 |
871 |
1310 |
1775 | |||||||||||||||||
|
Z4-250-11 |
406 |
715 |
168 |
85 |
170 |
22 |
90 |
75 |
140 |
20 |
79.5 |
250 |
24 |
1225 |
1657 |
490 |
524 |
432 |
1031 |
25 |
|
Z4-250-12 |
775 |
1285 |
1717 | |||||||||||||||||
|
Z4-250-21 |
765 |
1275 |
1707 | |||||||||||||||||
|
Z4-250-22 |
825 |
1335 |
1767 | |||||||||||||||||
|
Z4-250-31 |
825 |
1335 |
1767 | |||||||||||||||||
|
Z4-250-32 |
885 |
1395 |
1827 | |||||||||||||||||
|
Z4-250-41 |
895 |
1405 |
1837 | |||||||||||||||||
|
Z4-250-42 |
955 |
1465 |
1897 | |||||||||||||||||
|
Z4-280-11 |
457 |
762 |
190 |
95 |
170 |
25 |
100 |
85 |
170 |
22 |
90 |
280 |
24 |
1315 |
1748 |
550 |
584 |
462 |
1130 |
25 |
|
Z4-280-12 |
852 |
1405 |
1838 | |||||||||||||||||
|
Z4-280-21 |
822 |
1375 |
1808 | |||||||||||||||||
|
Z4-280-22 |
912 |
1465 |
1898 | |||||||||||||||||
|
Z4-280-31 |
892 |
1445 |
1878 | |||||||||||||||||
|
Z4-280-32 |
982 |
1535 |
1968 | |||||||||||||||||
|
Z4-280-41 |
972 |
1525 |
1958 | |||||||||||||||||
|
Z4-280-42 |
1062 |
1615 |
2048 | |||||||||||||||||
|
Z4-280-51 |
1062 |
1615 |
2048 | |||||||||||||||||
|
Z4-280-52 |
1152 |
1705 |
2138 | |||||||||||||||||
|
Z4-315-091 |
508 |
817 |
216 |
100 |
210 |
28 |
106 |
95 |
170 |
25 |
100 |
315 |
28 |
1462 |
1827 |
620 |
654 |
497 |
1221 |
30 |
|
Z4-315-092 |
907 |
1552 |
1917 | |||||||||||||||||
|
Z4-315-11 |
887 |
1532 |
1897 | |||||||||||||||||
|
Z4-315-12 |
977 |
1622 |
1987 | |||||||||||||||||
|
Z4-315-21 |
967 |
1612 |
1977 | |||||||||||||||||
|
Z4-315-22 |
1057 |
1702 |
2067 | |||||||||||||||||
|
Z4-315-31 |
1057 |
1702 |
2067 | |||||||||||||||||
|
Z4-315-32 |
1147 |
1792 |
2157 | |||||||||||||||||
|
Z4-315-41 |
1157 |
1802 |
2167 | |||||||||||||||||
|
Z4-315-42 |
1247 |
1892 |
2257 | |||||||||||||||||
|
Z4-355-081 |
610 |
818 |
254 |
110 |
210 |
28 |
116 |
110 |
210 |
28 |
116 |
355 |
28 |
1539 |
1860 |
700 |
734 |
701 |
1301 |
30 |
|
Z4-355-082 |
908 |
1629 |
1950 | |||||||||||||||||
|
Z4-355-091 |
888 |
1609 |
1930 | |||||||||||||||||
|
Z4-355-092 |
978 |
1699 |
2020 | |||||||||||||||||
|
Z4-355-11 |
968 |
1689 |
2010 | |||||||||||||||||
|
Z4-355-12 |
1058 |
1779 |
2100 | |||||||||||||||||
|
Z4-355-21 |
1058 |
1779 |
2100 | |||||||||||||||||
|
Z4-355-22 |
1148 |
1869 |
2190 | |||||||||||||||||
|
Z4-355-31 |
1158 |
1879 |
2200 | |||||||||||||||||
|
Z4-355-32 |
1248 |
1969 |
2290 | |||||||||||||||||
|
Z4-355-41 |
1268 |
1989 |
2310 | |||||||||||||||||
|
Z4-355-42 |
1358 |
2079 |
2400 | |||||||||||||||||
|
Z4-400-11 |
686 |
959 |
280 |
120 |
210 |
32 |
127 |
120 |
210 |
32 |
127 |
400 |
35 |
1732 |
1817 |
790 |
830 |
750 |
1620 |
35 |
|
Z4-400-12 |
1079 |
1852 |
1937 | |||||||||||||||||
|
Z4-400-21 |
1039 |
1812 |
1897 | |||||||||||||||||
|
Z4-400-22 |
1159 |
1932 |
2017 | |||||||||||||||||
|
Z4-400-31 |
1129 |
1902 |
1987 | |||||||||||||||||
|
Z4-400-32 |
1249 |
2022 |
2107 | |||||||||||||||||
|
Z4-400-41 |
1229 |
2002 |
2087 | |||||||||||||||||
|
Z4-400-42 |
1349 |
2122 |
2207 | |||||||||||||||||
|
Z4-450-11 |
800 |
1061 |
315 |
140 |
250 |
36 |
148 |
140 |
250 |
36 |
148 |
450 |
35 |
1944 |
2050 |
890 |
924 |
800 |
1720 |
40 |
|
Z4-450-12 |
1181 |
2064 |
2070 | |||||||||||||||||
|
Z4-450-21 |
1151 |
2034 |
2140 | |||||||||||||||||
|
Z4-450-22 |
1271 |
2154 |
2260 | |||||||||||||||||
|
Z4-450-31 |
1251 |
2134 |
2240 | |||||||||||||||||
|
Z4-450-32 |
1371 |
2254 |
2360 | |||||||||||||||||
|
Z4-450-41 |
1361 |
160 |
300 |
40 |
169 |
2294 |
2350 | |||||||||||||
|
Z4-450-42 |
1481 |
2414 |
2470 | |||||||||||||||||
|
Z4-450-51 |
1481 |
2414 |
2470 | |||||||||||||||||
|
Z4-450-52 |
1601 |
2534 |
2590 | |||||||||||||||||
|
型號Type |
安裝尺寸 Mounting Dimensions |
外形尺寸Outline Dimensions | |||||||||||||||||||||||
|
A |
B |
C |
D |
E |
F |
GA |
DA |
EA |
FA |
GC |
H |
K |
M |
N |
S |
Holes |
T |
L |
P |
AB |
AC |
AD |
HD |
L1 | |
|
Z4-100-1 |
160 |
318 |
63 |
24 |
50 |
8 |
27 |
24 |
50 |
8 |
27 |
100 |
12 |
215 |
180 |
15 |
4 |
4 |
500 |
250 |
197 |
234 |
179 |
398 |
580 |
|
Z4-100-2 |
358 |
540 |
620 | ||||||||||||||||||||||
|
Z4-112/2-1 |
190 |
337 |
70 |
28 |
60 |
8 |
31 |
28 |
60 |
8 |
31 |
112 |
12 |
215 |
180 |
15 |
4 |
4 |
544 |
250 |
221 |
255 |
202 |
452 |
612 |
|
Z4-112/2-2 |
367 |
574 |
642 | ||||||||||||||||||||||
|
Z4-112/2-3 |
407 |
614 |
682 | ||||||||||||||||||||||
|
Z4-112/2-4 |
477 |
684 |
752 | ||||||||||||||||||||||
|
Z4-112/4-1 |
190 |
347 |
70 |
32 |
80 |
10 |
35 |
32 |
80 |
10 |
35 |
112 |
12 |
215 |
180 |
15 |
4 |
4 |
573 |
250 |
221 |
255 |
202 |
452 |
642 |
|
Z4-112/4-2 |
387 |
613 |
682 | ||||||||||||||||||||||
|
Z4-112/4-3 |
437 |
663 |
732 | ||||||||||||||||||||||
|
Z4-112/4-4 |
497 |
723 |
792 | ||||||||||||||||||||||
|
Z4-132-1 |
216 |
355 |
89 |
38 |
80 |
10 |
41 |
38 |
80 |
10 |
41 |
132 |
12 |
265 |
230 |
15 |
4 |
4 |
619 |
3000 |
260 |
295 |
240 |
527 |
814 |
|
Z4-132-2 |
405 |
669 |
864 | ||||||||||||||||||||||
|
Z4-132-3 |
465 |
729 |
924 | ||||||||||||||||||||||
|
Z4-132-4 |
545 |
809 |
1004 | ||||||||||||||||||||||
|
Z4-160-11 |
254 |
411 |
108 |
48 |
110 |
14 |
51.5 |
48 |
110 |
14 |
51.5 |
160 |
15 |
300 |
250 |
19 |
4 |
5 |
744 |
350 |
316 |
346 |
283 |
625 |
853 |
|
Z4-160-12 |
476 |
809 |
986 | ||||||||||||||||||||||
|
Z4-160-21 |
451 |
784 |
993 | ||||||||||||||||||||||
|
Z4-160-22 |
516 |
849 |
1026 | ||||||||||||||||||||||
|
Z4-160-31 |
501 |
834 |
1043 | ||||||||||||||||||||||
|
Z4-160-32 |
566 |
899 |
1076 | ||||||||||||||||||||||
|
Z4-160-41 |
561 |
894 |
1103 | ||||||||||||||||||||||
|
Z4-160-42 |
626 |
959 |
1136 | ||||||||||||||||||||||
|
Z4-160-51 |
631 |
964 |
1173 | ||||||||||||||||||||||
|
Z4-160-52 |
696 |
1029 |
1206 | ||||||||||||||||||||||
|
Z4-180-11 |
279 |
436 |
121 |
55 |
110 |
16 |
59 |
55 |
110 |
16 |
59 |
180 |
15 |
350 |
300 |
19 |
4 |
5 |
794 |
400 |
356 |
390 |
305 |
731 |
1022 |
|
Z4-180-12 |
501 |
859 |
1087 | ||||||||||||||||||||||
|
Z4-180-21 |
476 |
834 |
1062 | ||||||||||||||||||||||
|
Z4-180-22 |
541 |
899 |
1127 | ||||||||||||||||||||||
|
Z4-180-31 |
526 |
884 |
1112 | ||||||||||||||||||||||
|
Z4-180-32 |
591 |
949 |
1177 | ||||||||||||||||||||||
|
Z4-180-41 |
586 |
944 |
1172 | ||||||||||||||||||||||
|
Z4-180-42 |
651 |
1009 |
1237 | ||||||||||||||||||||||
|
Z4-180-51 |
656 |
1014 |
1242 | ||||||||||||||||||||||
|
Z4-180-52 |
721 |
1079 |
1307 | ||||||||||||||||||||||
|
Z4-200-11 |
318 |
566 |
133 |
65 |
140 |
18 |
69 |
65 |
140 |
18 |
69 |
200 |
19 |
400 |
350 |
19 |
8 |
5 |
977 |
450 |
396 |
430 |
355 |
779 |
1158 |
|
Z4-200-12 |
614 |
1025 |
1206 | ||||||||||||||||||||||
|
Z4-200-21 |
606 |
1017 |
1198 | ||||||||||||||||||||||
|
Z4-200-22 |
654 |
1065 |
1246 | ||||||||||||||||||||||
|
Z4-200-31 |
686 |
1097 |
1278 | ||||||||||||||||||||||
|
Z4-200-32 |
734 |
1145 |
1326 | ||||||||||||||||||||||
|
Z4-200-41 |
756 |
1167 |
1348 | ||||||||||||||||||||||
|
Z4-200-42 |
804 |
1215 |
1396 | ||||||||||||||||||||||
|
Z4-225-11 |
356 |
701 |
149 |
75 |
140 |
20 |
79.5 |
75 |
140 |
20 |
79.5 |
225 |
19 |
500 |
450 |
19 |
8 |
5 |
1140 |
550 |
440 |
474 |
398 |
981 |
1605 |
|
Z4-225-12 |
761 |
1200 |
1665 | ||||||||||||||||||||||
|
Z4-225-21 |
751 |
1190 |
1655 | ||||||||||||||||||||||
|
Z4-225-22 |
811 |
1250 |
1715 | ||||||||||||||||||||||
|
Z4-225-31 |
811 |
1250 |
1715 | ||||||||||||||||||||||
|
Z4-225-32 |
871 |
1310 |
1775 | ||||||||||||||||||||||
|
Z4-250-11 |
406 |
715 |
168 |
85 |
170 |
22 |
90 |
75 |
140 |
20 |
79.5 |
250 |
24 |
600 |
550 |
24 |
8 |
6 |
1225 |
660 |
490 |
524 |
432 |
1031 |
1657 |
|
Z4-250-12 |
775 |
1285 |
1717 | ||||||||||||||||||||||
|
Z4-250-21 |
765 |
1275 |
1707 | ||||||||||||||||||||||
|
Z4-250-22 |
825 |
1335 |
1767 | ||||||||||||||||||||||
|
Z4-250-31 |
825 |
1335 |
1767 | ||||||||||||||||||||||
|
Z4-250-32 |
885 |
1395 |
1827 | ||||||||||||||||||||||
|
Z4-250-41 |
895 |
1405 |
1837 | ||||||||||||||||||||||
|
Z4-250-42 |
955 |
1465 |
1897 | ||||||||||||||||||||||
|
Z4-280-11 |
457 |
762 |
190 |
95 |
170 |
25 |
100 |
85 |
170 |
22 |
90 |
280 |
24 |
600 |
550 |
24 |
8 |
6 |
1315 |
660 |
550 |
584 |
462 |
1130 |
1748 |
|
Z4-280-12 |
852 |
1405 |
1838 | ||||||||||||||||||||||
|
Z4-280-21 |
822 |
1375 |
1808 | ||||||||||||||||||||||
|
Z4-280-22 |
912 |
1465 |
1898 | ||||||||||||||||||||||
|
Z4-280-31 |
892 |
1445 |
1878 | ||||||||||||||||||||||
|
Z4-280-32 |
982 |
1535 |
1968 | ||||||||||||||||||||||
|
Z4-280-41 |
972 |
1525 |
1958 | ||||||||||||||||||||||
|
Z4-280-42 |
1062 |
1615 |
2048 | ||||||||||||||||||||||
|
Z4-280-51 |
1062 |
1615 |
2048 | ||||||||||||||||||||||
|
Z4-280-52 |
1152 |
1705 |
2138 | ||||||||||||||||||||||
|
Z4-315-11 |
508 |
887 |
216 |
100 |
210 |
28 |
106 |
95 |
170 |
25 |
100 |
315 |
28 |
740 |
680 |
24 |
8 |
6 |
1532 |
800 |
620 |
654 |
497 |
1221 |
1897 |
|
Z4-315-12 |
977 |
1622 |
1987 | ||||||||||||||||||||||
|
Z4-315-21 |
967 |
1612 |
1977 | ||||||||||||||||||||||
|
Z4-315-22 |
1057 |
1702 |
2067 | ||||||||||||||||||||||
|
Z4-315-31 |
1057 |
1702 |
2067 | ||||||||||||||||||||||
|
Z4-315-32 |
1147 |
1792 |
2157 | ||||||||||||||||||||||
|
Z4-315-41 |
1157 |
1802 |
2167 | ||||||||||||||||||||||
|
Z4-315-42 |
1247 |
1892 |
2257 | ||||||||||||||||||||||
|
型號 TYPE |
安裝尺寸
Mounting Dimensions in millimeter |
外形尺寸 Outline Dimensions in millimeter | ||||||||||||||
|
A |
B |
C |
D |
E |
F |
GE |
H |
K |
AB |
AC |
AD |
HD |
L |
L1 |
h. | |
|
Z4-100-1 |
160 |
318 |
63 |
24 |
50 |
8 |
4 |
100 |
12 |
197 |
234 |
179 |
398 |
500 |
580 |
10 |
|
Z4-112/2-1 |
190 |
337 |
70 |
28 |
60 |
8 |
4 |
112 |
12 |
221 |
255 |
205 |
452 |
544 |
612 |
10 |
|
Z4-112/2-2 |
367 |
574 |
642 | |||||||||||||
|
Z4-112/4-1 |
190 |
347 |
70 |
32 |
80 |
10 |
5 |
112 |
12 |
221 |
255 |
202 |
452 |
573 |
642 |
10 |
|
Z4-112/4-2 |
387 |
613 |
682 | |||||||||||||
|
Z4-132-1 |
216 |
355 |
89 |
38 |
80 |
10 |
5 |
132 |
12 |
260 |
295 |
240 |
527 |
619 |
814 |
12 |
|
Z4-132-2 |
405 |
669 |
864 | |||||||||||||
|
Z4-132-3 |
465 |
729 |
924 | |||||||||||||
|
Z4-160-11 |
254 |
411 |
108 |
48 |
110 |
14 |
5.5 |
160 |
15 |
316 |
346 |
283 |
625 |
744 |
953 |
14 |
|
Z4-160-12 |
476 |
809 |
986 | |||||||||||||
|
Z4-160-21 |
451 |
784 |
993 | |||||||||||||
|
Z4-160-22 |
516 |
849 |
1026 | |||||||||||||
|
Z4-160-31 |
501 |
834 |
1043 | |||||||||||||
|
Z4-160-32 |
566 |
899 |
1076 | |||||||||||||
|
Z4-180-11 |
279 |
436 |
121 |
55 |
110 |
16 |
6 |
180 |
15 |
356 |
390 |
305 |
731 |
794 |
1022 |
16 |
|
Z4-180-12 |
501 |
859 |
1087 | |||||||||||||
|
Z4-180-21 |
476 |
834 |
1062 | |||||||||||||
|
Z4-180-22 |
541 |
899 |
1127 | |||||||||||||
|
Z4-180-31 |
526 |
884 |
112 | |||||||||||||
|
Z4-180-32 |
591 |
949 |
1177 | |||||||||||||
|
Z4-180-41 |
586 |
944 |
1172 | |||||||||||||
|
Z4-180-42 |
651 |
1009 |
1237 | |||||||||||||