1.概述:
ZC-25F型用于直流及三相全波整流操作繼電保護及自動控制裝置中。作預告信號之用。ZC-25F型作事故信號之用。
2.型號參數:
| 型號 |
額定電壓 DC(V) |
最小沖擊 動作電流(A) |
最大 穩定電流(A) |
功率消耗(W) |
信號燈類型 |
觸點 斷開容量(W) |
壽命 (次) |
ZC-24AF/1 ZC-25F/1 |
220 110 48 24 |
0.015 |
0.6 |
20 |
發光二極管型節能 |
DC 40 |
5000 |
ZC-24AF/2 ZC-25F/2 |
0.1 |
2 |
25 |
白熾燈 |
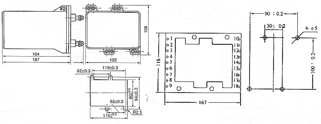
JZC-25F系列沖擊繼電器安裝尺寸:
5.接線圖:

JZC-25F系列沖擊繼電器