用途:
JCH-1A重合閘繼電器應用于輸電線路中作為自動重合閘之用。如果故障為暫時性,則能恢復運行。如故障為永久性,則重合后再次跳閘。
繼電器型號名稱:

工作原理:
繼電器由晶體管,穩壓管,運算放大器,電阻,電容等電子元件及中間繼電器組成。所有元件都安裝在印制電路板上。在繼電器的銘牌上裝有時間整定撥盤開關和DIP開關。
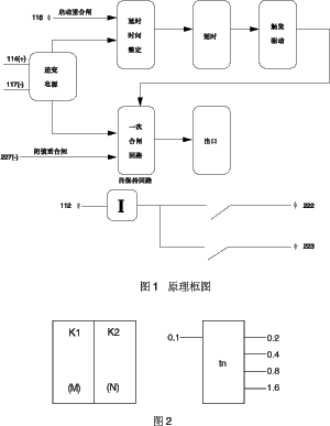
繼電器由集成電路及電子元件等構成,延時時間整定回路采用線性積分計時原理,一次合閘回路準備時間采用RC充電計時原理。其原理框圖如圖1所示。
延時整定回路采用兩位8421碼數字撥盤開關及DIP開關整定。K1撥盤開關時間整定為(1-9)s,K2撥盤開關時間整定為(0.1-0.9)s。時間整定的公式為t=tn*(1+M.N)+10ms。tn為DIP開關的數據,MN為K1,K2的數據,見圖2所示。
繼電器合上電源后,一次合閘回路中RC開始充電,經過(17-25)s后,準備燈亮,繼電器處于準備合閘狀態。當合閘啟動信號經過延時整定后,觸發一次合閘回路,出口繼電器動作,并且由電流線圈進行自保。

主要技術參數:
6.1 額定電壓: 直流110V,220V。
6.2 合閘電流: 0.5A,1A,2A,4A。
6.3 延時范圍: 0.11s-17.45s,整定級差0.1s。
6.4 繼電器延時整定值小于1s的延時一致性,絕對值不大于20ms。不小于1s的延時一致性相對值不大于1%。
6.5 最小保持電流為50%額定值。
6.6 一次重合閘間隔時間(17-25)s之間。
6.7 合閘脈沖寬度200ms(正負偏差20ms)。
6.8 繼電器可正、負電源啟動重合閘時間整定回路(由用戶需求定)負電源閉鎖重合閘。延時整定回路采用兩位8421碼數字撥盤開關及DIP開關整定。K1撥盤開關時間整定為(1-9)s,K2撥盤開關時間整定為(0.1-0.9)s。時間整定的公式為t=tn*(1+M.N)+10ms。tn為DIP開關的數據,MN為K1,K2的數據,見圖2所示。
6.9功率消耗
見圖
6.10電壽命繼電器的動合觸點應能斷開不超過250V及電流不超過1A,容量為30W的有感負荷(時間常數5ms±0.75ms)的直流回路中,觸點應可靠動作不小于1000次,長期允許接通電流為2A,電流自保回路在額定電流下允許時間為10s。
6.11介質強度繼電器下列部位之間應能承受有效值為下表所規定值,頻率為50Hz的交流電壓歷時1min試驗,無擊穿或閃絡現象。
6.12抗干擾性能符合ZBK-33004《電力系統保護自動電器及裝置通用技術條件》的規定。
JCH-1A型重合閘繼電器背后接線圖:

JCH-1A型重合閘繼電器外形尺寸及開孔尺寸:
見凸出式模數化插入式結構中的附圖2和附圖6。
訂貨需知:
8.1注明繼電器的型號,額定電壓,合閘電流。
8.2啟動電壓極性(由正或負電源啟動)。