一、概述
CT14型彈簧操動機構系戶外型,配用于LW8-40.5戶外高壓SF6斷路器,也可配于合閘功與之相當的其它斷路器,其性能符合GB1984-89《交流高壓斷路器》和本產品《技術條件》的要求。主要指標達到或超過“IEC”標準。
CT14型彈簧操動機構合閘彈簧的儲能方式有電機儲能和人力儲能兩種;分、合閘操作也有電動(電磁鐵)、手動兩種方式。
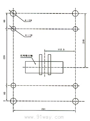
CT14型 彈簧操動機構
安裝尺寸示意圖

二、主要技術參數
1、儲能電機:采用單相交直流兩用串激電動機,其技術數據如表:
| 型 號 |
HDZ-19903A |
HDZ-29903A |
| 額定工作電壓(V) |
-110 |
~ 220 |
| 額定工作電流(A) |
10 |
7.5 |
| 額定電功率(W) |
990 |
990 |
| 正常工作電壓范圍 |
85%~110%額定工作電壓 |
| 額定工作電壓下儲能時間(S) |
<15 |
2.手力儲能操作力小于370N.
3.合閘電磁鐵:采用螺管式電磁鐵,其技術數據如表:
| 額定工作電壓(V) |
~380 |
~220 |
-220 |
-110 |
-48 |
| 額定工作電流(A) |
2 |
3.5 |
2.3 |
3.5 |
9.5 |
| 額定電功率(W) |
610 |
610 |
380 |
390 |
460 |
| 20℃時線圈電阻值(Ω) |
18.6 |
8.3 |
95.3 |
32 |
5 |
| 正常工作電壓范圍 |
85%~110%額定工作電壓 |
CT14型彈簧操動機構