| 產品名稱: | DHM3系列大扭矩電磁失電制動器 | |||||
| 型號規格: | ![]() |
|||||
| 產品類別: | 常規產品 -- 機械傳動 -- 電磁制動器 | |||||
| 參考價格: | 廠價直銷 | |||||
| 產品品牌: | 國產 | |||||
| 產品產地: | 上海 | |||||
| 可供數量: | 批量 | |||||
| 供貨周期: | 現貨(或電詢) | |||||
|
||||||
| 產品簡介: |
|
|||||
DHM3系列電磁失電制動器為通電脫離(釋放),斷電彈簧制動的摩擦式制動器。它主要用與Y系列電動機配套成YEJ系列電磁制動三相異步電動機。廣泛應用于冶金、建筑、食品、機床、印刷、包裝等機械中,及在斷電時(防險)制動等場合。
這種制動器具有結構緊湊、安裝方便、適應性廣、噪聲低、工作頻率高、動作靈敏、制動可靠等優點,是一種理想的自動化執行元件。
二、主要性能參數 Main Technical Data 

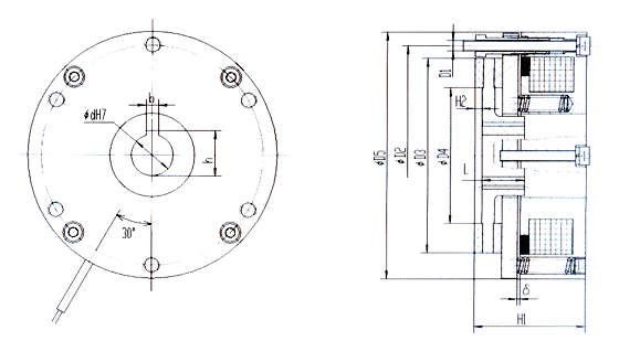
三、DHM3系列大扭矩電磁失電制動器外型及安裝尺寸 Overall and Istallation Dimensions


四、安裝 Installation
注意事項
◎ 摩擦片及銜鐵表面不得有油污,必須保持清潔。
◎ 安裝時必須保證氣隙"δ"
◎ 齒輪套不得有軸向竄動
◎ 安裝后必須旋出空心螺栓鎖緊在電動機后端蓋或法蘭盤上
五、DHM3系列大扭矩電磁失電制動器安裝示意圖 Examples for Installstion
1、電機端蓋
2、空心螺栓裝置
3、制動盤
4、銜鐵
5、齒輪套
6、安裝螺釘
7、磁軛組件
8、手動釋放裝置
9、風葉