| 產品名稱: | ZN12-12(40.5)型高壓真空斷路器 | |||||
| 型號規格: | ![]() |
|||||
| 產品類別: | 常規產品 -- 高壓電器 -- 戶內真空斷路器 | |||||
| 參考價格: | 廠價直銷 | |||||
| 產品品牌: | 國產 | |||||
| 產品產地: | 上海 | |||||
| 可供數量: | 批量 | |||||
| 供貨周期: | 現貨(或電詢) | |||||
|
||||||
| 產品簡介: |
|
|||||
1.1 ZN12-12型和ZN12-40.5型高壓真空斷路器分別為額定電壓12KV和40.5KV、三相交流50Hz的戶內高壓開關設備,是引進國外先進技術制造的一體化真空斷路器。
ZN12-12(40.5)型高壓真空斷路器的操動機構為彈簧儲能式,可以用交流或直流操作。亦可用手動操作。
1.2 本斷路器結構簡單。開斷能力強、壽命長,操作功能齊全,無爆炸危險,維修簡便,適于發電廠,變電所等輸配電系統的控制或保護開關,尤其適用于開斷重要負荷及頻繁操作的場所。
1.3 使用環境條件:
海拔高度:低于1000m,(如海拔高度超過1000m時,按DL/T593-1996《高壓開關設備的共用訂貨技術導則》有關規定執行)。
環境溫度:最高+40℃,最低-25℃
環境濕度:日平均不大于95%,月平均不大于90%
地震烈度:低于8度
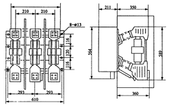
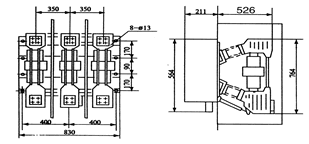
1.4 外形圖:見圖1,圖2。
圖1 ZN12-12外形圖
圖2 ZN12-40.5外形圖
2.1 執行標準:GB1984-89《交流高壓斷路器》、JB3855-85《10kV戶內高壓真空斷路器通用技術條件》、ZBK43004-89《35kV戶內高壓真空斷路器通用技術條件》。
2.2 ZN12-12(40.5)型高壓真空斷路器型號意義 
無火災、爆炸危險,無腐蝕性氣體及無劇烈振動的場所。