| 產品名稱: | ZYZJ-400系列直流電動機 | |||||
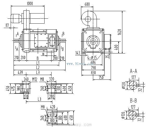
| 型號規格: | ![]() |
|||||
| 產品類別: | 南洋電機 -- 電機產品 -- 中小直流電機 | |||||
| 參考價格: | 廠價直銷 | |||||
| 產品品牌: | 國產 | |||||
| 產品產地: | 上海 | |||||
| 可供數量: | 批量 | |||||
| 供貨周期: | 現貨(或電詢) | |||||
|
||||||
| 產品簡介: |
|
|||||

|
電動機 |
額定 |
額定轉速 |
弱磁 |
額定 |
勵磁 |
效率 |
慣量矩 |
重量 | |
|
型號 |
功率 |
|
|
轉速 |
電流 |
功率 |
|
Moment |
|
|
|
Rated |
Rated Speed |
Speed with |
Rated |
Field |
Eff. |
of |
Wt. | |
|
Moto |
Output |
r/min |
Field |
Curr |
Power |
|
Inertia |
| |
|
Type |
|
|
|
Weakening |
|
|
|
GD2 |
|
|
|
kW |
440V |
520V |
r/min |
A |
W |
% |
kg·m2 |
kg |
|
ZYZJ-400-12 |
440 |
750 |
|
1500 |
1075 |
5500 |
92.5 |
66 |
3100 |
|
ZYZJ-400-22 |
400 |
600 |
|
1300 |
995 |
6000 |
91.5 |
74 |
3300 |
|
400 |
|
600 |
1300 |
845 |
91.4 | ||||
|
270 |
400 |
|
1000 |
700 |
88.2 | ||||
|
270 |
|
400 |
1000 |
590 |
88 | ||||
|
ZYZJ-400-42 |
600 |
750 |
|
1300 |
1470 |
7100 |
93 |
94 |
4400 |
|
600 |
|
750 |
1300 |
1245 |
92.7 | ||||
|
500 |
600 |
|
1300 |
1230 |
92.5 | ||||
|
500 |
|
600 |
1300 |
1050 |
91.7 | ||||
|
400 |
500 |
|
1200 |
990 |
92.3 | ||||
|
400 |
|
500 |
1200 |
840 |
92 | ||||
|
350 |
400 |
|
1000 |
890 |
89.9 | ||||
|
350 |
|
400 |
1000 |
750 |
89.7 | ||||
|
電機型號 |
安裝尺寸 Mounting Dimensions |
外形尺寸 Outline Dimensions | |||
|
Motor Type |
B |
L3 |
L1 |
L2 |
m |
|
ZYZJ-400-11 |
959 |
1003 |
1730 |
1939 |
365 |
|
ZYZJ-400-12 |
1079 |
1063 |
1850 |
2059 |
485 |
|
ZYZJ-400-21 |
1039 |
1083 |
1810 |
2019 |
365 |
|
ZYZJ-400-22 |
1159 |
1143 |
1930 |
2139 |
485 |
|
ZYZJ-400-31 |
1129 |
1173 |
1900 |
2109 |
365 |
|
ZYZJ-400-32 |
1249 |
1233 |
2020 |
2229 |
485 |
|
ZYZJ-400-41 |
1229 |
1273 |
2000 |
2209 |
365 |
|
ZYZJ-400-42 |
1349 |
1333 |
2120 |
2329 |
485 |