| 產品名稱: | ZYZJ-355系列直流電動機 | |||||
| 型號規格: | ![]() |
|||||
| 產品類別: | 南洋電機 -- 電機產品 -- 中小直流電機 | |||||
| 參考價格: | 廠價直銷 | |||||
| 產品品牌: | 國產 | |||||
| 產品產地: | 上海 | |||||
| 可供數量: | 批量 | |||||
| 供貨周期: | 現貨(或電詢) | |||||
|
||||||
| 產品簡介: |
|
|||||

|
電動機 |
額定 |
額定轉速 |
弱磁 |
額定 |
勵磁 |
效率 |
慣量矩 |
重量 | |
|
型號 |
功率 |
轉速 |
電流 |
功率 |
Moment |
||||
|
Rated |
Rated Speed |
Speed with |
Rated |
Field |
Eff. |
of |
Wt. | ||
|
Moto |
Output |
r/min |
Field |
Curr |
Power |
Inertia |
|||
|
Type |
Weakening |
GD2 |
|||||||
|
kW |
440V |
520V |
r/min |
A |
W |
% |
kg·m2 |
kg | |
|
ZYZJ-355-092 |
400 |
1000 |
1500 |
980 |
4600 |
92.7 |
36.8 |
2520 | |
|
400 |
1000 |
1500 |
825 |
92 | |||||
|
300 |
750 |
1500 |
750 |
91.2 | |||||
|
300 |
750 |
1500 |
625 |
91 | |||||
|
250 |
600 |
1400 |
640 |
89.6 | |||||
|
250 |
600 |
1400 |
535 |
89.2 | |||||
|
ZYZJ-355- 091 |
200 |
500 |
1300 |
525 |
88.4 | ||||
|
200 |
500 |
1300 |
450 |
87.6 | |||||
|
ZYZJ-355-12 |
450 |
1000 |
1500 |
1100 |
4700 |
93 |
42 |
2770 | |
|
450 |
1000 |
1500 |
925 |
92.7 | |||||
|
370 |
750 |
1500 |
925 |
91.7 | |||||
|
370 |
750 |
1500 |
780 |
91.2 | |||||
|
300 |
600 |
1400 |
760 |
90.5 | |||||
|
300 |
600 |
1400 |
640 |
89.9 | |||||
|
250 |
500 |
1300 |
655 |
89 | |||||
|
250 |
500 |
1300 |
540 |
88.4 | |||||
|
電動機 |
額定 |
額定轉速 |
弱磁 |
額定 |
勵磁 |
效率 |
慣量矩 |
重量 | |
|
型號 |
功率 |
|
|
轉速 |
電流 |
功率 |
|
Moment |
|
|
|
Rated |
Rated Speed |
Speed with |
Rated |
Field |
Eff. |
of |
Wt. | |
|
Moto |
Output |
r/min |
Field |
Curr |
Power |
|
Inertia |
| |
|
Type |
|
|
|
Weakening |
|
|
|
GD2 |
|
|
|
kW |
440V |
520V |
r/min |
A |
W |
% |
kg·m2 |
kg |
|
ZYZJ-355-22 |
400 |
750 |
|
1500 |
985 |
5600 |
93.3 |
46 |
3050 |
|
400 |
|
750 |
1500 |
835 |
92 | ||||
|
280 |
500 |
|
1300 |
720 |
89.1 | ||||
|
280 |
|
500 |
1300 |
605 |
88.8 | ||||
|
ZYZJ-355 -21 |
200 |
400 |
|
1200 |
515 |
88.3 | |||
|
200 |
|
400 |
1200 |
435 |
88 | ||||
|
ZYZJ-355-32 |
360 |
600 |
|
1400 |
900 |
6000 |
91.2 |
52 |
3320 |
|
360 |
|
600 |
1400 |
760 |
91.1 | ||||
|
320 |
500 |
|
1300 |
815 |
90.2 | ||||
|
320 |
|
500 |
1300 |
685 |
90 | ||||
|
250 |
400 |
|
1000 |
640 |
89.4 | ||||
|
250 |
|
400 |
1000 |
545 |
88.4 | ||||
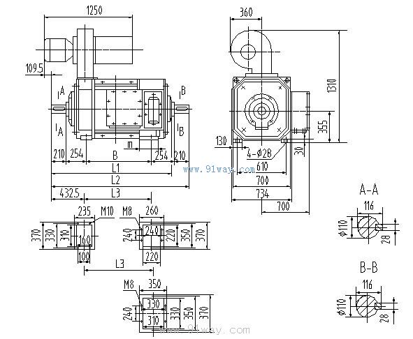
|
電機型號 |
安裝尺寸 Mounting Dimensions |
外形尺寸 Outline Dimensions | |||
|
Motor Type |
B |
L3 |
L1 |
L2 |
m |
|
ZYZJ-355-091 |
888 |
936.5 |
1609 |
1816 |
300 |
|
ZYZJ-355-092 |
978 |
981.5 |
1699 |
1906 |
390 |
|
ZYZJ-355-11 |
968 |
1016.5 |
1689 |
1896 |
300 |
|
ZYZJ-355-12 |
1058 |
1061.5 |
1779 |
1986 |
390 |
|
ZYZJ-355-21 |
1058 |
1106.5 |
1779 |
1986 |
300 |
|
ZYZJ-355-22 |
1148 |
1151.5 |
1869 |
2076 |
390 |
|
ZYZJ-355-31 |
1158 |
1206.5 |
1879 |
2086 |
300 |
|
ZYZJ-355-32 |
1248 |
1251.5 |
1969 |
2176 |
390 |
|
ZYZJ-355-41 |
1268 |
1316.5 |
1989 |
2196 |
300 |
|
ZYZJ-355-42 |
1358 |
1361.5 |
2079 |
2286 |
390 |