| 產品名稱: | SE系列塑殼式斷路器 | |||||
| 型號規格: | ![]() |
|||||
| 產品類別: | 常規產品 -- 低壓電器 -- 塑殼斷路器 | |||||
| 參考價格: | 廠價直銷 | |||||
| 產品品牌: | 國產 | |||||
| 產品產地: | 上海 | |||||
| 可供數量: | 批量 | |||||
| 供貨周期: | 現貨(或電詢) | |||||
|
||||||
| 產品簡介: |
|
|||||
適用范圍
SE系列塑料外殼式斷路器(以下簡稱斷路器)適用于交流50Hz,額定電流從16A至電壓630A、額定絕緣電壓690V,額定工作電壓400V及以下。本系列斷路器在配電網絡中用來分配電能及作為線路及電氣設備的過載、短路和欠電壓保護之用,在正常情況下,斷路器也可作為線路的不頻繁轉換之用,400A殼架等級及以下的斷路器亦可作為保護電動機和電動機的不頻繁起動之用。
型號及其含義 
1):配電用斷路器無代號;保護電動機用斷路器用2表示;
2):手柄直接操作無代號:電動機操作用D表示;旋轉式手柄操作用Z表示。
脫扣器方式及附件代號
結構特征與工作原理
本系列斷路器是由觸頭系統、操作機構、脫扣系統、滅弧系統、絕緣件組成。當過載電流或短路電流達到或超過其規定值時,斷路器便自動跳閘,從而切斷電源,保護負載側的設備。
主要技術參數
1. 斷路器的主要技術參數

2. 控制電路的主要技術參數 
3、輔助觸頭和報警觸頭的主要技術參數 
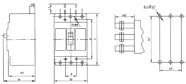
外形與安裝尺寸
外形與安裝尺寸見圖和表
訂貨須知
用戶訂貨時必須說明如下事項:
1)斷路器的型號、名稱;
2)斷路器的額定電流;
3)斷路器的附件名稱、規格、組合代號;采用欠電壓脫扣器和分勵脫扣器時,應注明工作電壓(或控制電源電壓)的電壓值;
4)接線方式:板前接線、板后接線、插入式(板前接線可省略)
5)數量。
例如:SE-400,三級,額定電流350A,分勵脫扣器(線圈額定電壓交流220V)和瞬時脫扣器整定電流倍數101n,板前接線,50臺。
應寫成:SE-400。3310、350A、AC220V、101n、50臺。