| 產品名稱: | JDZ1系列中間繼電器 | |||||
| 型號規格: | ![]() |
|||||
| 產品類別: | 常規產品 -- 低壓電器 -- 中間繼電器 | |||||
| 參考價格: | 廠價直銷 | |||||
| 產品品牌: | 國產 | |||||
| 產品產地: | 上海 | |||||
| 可供數量: | 批量 | |||||
| 供貨周期: | 現貨(或電詢) | |||||
|
||||||
| 產品簡介: |
|
|||||
適用范圍
JDZ1系列中間繼電器適用于交流50Hz、電壓至380V直流至220V電流至5A的各種電器控制系統,用來控制各種電磁線圈,以使信號放大或將型號同時傳遞給數個有關控制元件。
結構特征
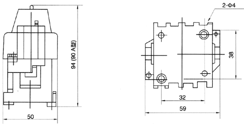
JDZ1系列中間繼電器為開啟式磁系統為直動式結構,接點為雙斷點排列成上、下兩層,每層裝有4對接點、接點部分裝有透明防塵罩,頂部裝有手動按鈕。繼電器的驅殼由上、中、下三層組成,結構緊湊體積小。JDZ1-A型與JZ7 中間中繼電器安裝尺寸相同,便于維修與取代JZ7中間繼電器。
主要技術參數
1. 繼電器的線圈額定電壓分為交流50Hz、12、24、36、110、127、220、380V;
2. 繼電器適用于長期工作,間斷長期工作制和操作頻率不大于2000次/h通電持續率為40%的反復短時工
作制;
3. 繼電器的接點額定發熱電流為5A;
4. 其它技術數據見表1。 
外形與安裝尺寸 
訂貨須知
1. 在辦理訂貨時,應指出:
①繼電器的名稱和型號;
②額定電壓;
2. 與每臺繼電器一起工廠成套供給產品合格證和說明書各一份;
3. 本產品在正常使用范圍內保用一年。外形及安裝尺寸主要技術參數