| 產品名稱: | JT18系列直流電磁式通用繼電器 | |||||
| 型號規格: | ![]() |
|||||
| 產品類別: | 常規產品 -- 低壓電器 -- 中間繼電器 | |||||
| 參考價格: | 廠價直銷 | |||||
| 產品品牌: | 國產 | |||||
| 產品產地: | 上海 | |||||
| 可供數量: | 批量 | |||||
| 供貨周期: | 現貨(或電詢) | |||||
|
||||||
| 產品簡介: |
|
|||||
適用范圍
JT18系列直流電磁式通用繼電器(以下簡稱繼電器)作為時間(斷電延時)、電壓(中間)、欠電流繼電器,主要用于直流電壓至440伏的主電路、直流電壓至220伏,直流電流至630安電路的一般用途的控制繼電器。
型號及其含義 
電壓繼電器 型號JT18-□
時間繼電器 型號JT18-□ / 1(延時1秒)
型號JT18-□ / 3(延時3秒)
JT18-□ / 5
欠電流繼電器 型號JT18-□ L
型式和分類
1.繼電器分為開啟式。
2.繼電器(電壓、時間)按線圈額定工作電壓分為24、48、110、220、440伏五種。
3.繼電器(欠電流)按線圈額定工作電流分為:1.5、2.5、4、6、10、16、25、40、63、100、160、250、400、630安,共十四種。
4.繼電器按用途分:電壓繼電器、時間繼電器、欠電流繼電器三種。
5.繼電器按觸頭種類分為:一個觸頭元件(1常開,1常閉)和兩個觸頭元件(2常開,2常閉)兩種。
6.按接線方式分為:板前接線和板后接線兩種。
7.按安裝方式分為:二孔安裝和三孔安裝兩種。
JT18系列直流電磁式通用繼電器主要技術參數
(一)繼電器觸頭的額定發熱電流為10安培。
(二)繼電器的工作制主要為八小時工作制和反復短時工作制。反復短時工作制的額定操作頻經為1200次/小時,額定通電持續率為40%。
(三)電壓繼電器的動作性能。冷態時,線圈的吸引電壓應能在30% ~ 50%額定工作電壓范圍內調節,或釋放電壓應能在7 ~ 20%額定工作電壓范圍內調節,返回系數不作規定。具有二個觸頭元件的繼電器,其吸引電壓允許在35 ~ 50%額定工作電壓范圍內調節。出廠按最低吸引電壓值整定。
(四)時間繼電器的動作性能。時間繼電器得到延時的方法有兩種:
(1)將線圈短路(此時電源應用串一電阻,以防電源短路)。
(2)將線圈斷開。當繼電器的線圈加以不低于75%的額定工作電壓的情況下,用以上兩種方法得到的延時范圍符合表的規定。
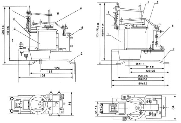
JT18系列直流電磁式通用繼電器外形及安裝尺寸
訂貨須知
訂貨時須注明:繼電器的名稱、型號、額定電壓(電流)、觸頭規格、板前或板后接線、安裝形式,訂貨數量等。
例:1.如需訂延時3秒的觸頭為2常開2常閉、線圈電壓為110伏,普通型(二孔)安裝底板的繼電器5臺,應按以下格式填寫訂單:時間繼電器JT18-22 / 3 110伏5臺
2.如需訂100安培,觸頭為常開常閉、板后接線、特殊型(三孔)安裝底板的欠電流繼電器8臺。應按以下格式填寫訂單:
欠電流繼電器JT18-11L100安、板后、特殊型安裝底板8臺。