| 產品名稱: | B系列交流接觸器 | |||||
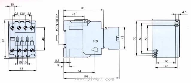
| 型號規格: | B9 B12 B16 B25 B30 B37 B45 B65 B85 B105 B170 B250 B370 | ![]() |
||||
| 產品類別: | 常規產品 -- 低壓電器 -- 交流接觸器 | |||||
| 參考價格: | 廠價直銷 | |||||
| 產品品牌: | 國產 | |||||
| 產品產地: | 上海 | |||||
| 可供數量: | 批量 | |||||
| 供貨周期: | 現貨(或電詢) | |||||
|
||||||
| 產品簡介: |
|
|||||
| 型號 | 使用類別 | 額定工作電壓V | 額定工作電流A | 約定發熱電流A | 額定控制容量KVAR | 吸引線圈消耗功率VA | U/Ue | 補償前COSФ | 補償后COSФ | 操作頻率次/h | 電壽命次 | ||
| 起動 | 吸持 | ||||||||||||
| B25C | AC -6b |
380 | 22 | 40 | 15 | 85 | 10 | 1 | 0.7 | 0.9 | 90 | 1×105 | 1×106 |
| B30C | 30 | 45 | 20 | ||||||||||
| B50C | 50 | 85 | 30 | ||||||||||
| B63C | 63 | 85 | 40 | 175 | 20 | ||||||||
| B75C | 75 | 85 | 50 | ||||||||||
![]() |
![]() |
|
K16+JSFGD |
裝于安裝卡軌上的K16B16 |
![]() |
![]() |
|
K16+T16 B16+T16 |
K16±CA7 B16±CA7 |
![]() | |
|
K16+VB30+B16 B16+VB30+B16 | |






|
contactors type |
D |
E |
G |
H |
N |
N1 |
|
B37..B45 |
128 |
178.5 |
83 |
114 |
86 |
20 |
|
B65..B85 |
143 |
193.5 |
94 |
134 |
104 |
23 |
|
外型尺寸接觸器型號 |
D |
F |
F1 |
G |
H |
N |
N1 |
N2 |
S |
V |
M |
|
B105 |
137 |
35 |
13 |
118 |
154 |
131 |
35 |
M6 |
140 |
24 |
5 |
|
B107 |
152 |
40 |
14 |
134 |
165 |
138 |
40 |
M8 |
150 |
28 |
5 |
|
B250 |
221 |
60 |
12.5 |
202 |
252 |
212 |
60 |
M12 |
220 |
40 |
6 |
|
B370 |
221 |
60 |
12.5 |
202 |
252 |
212 |
60 |
M12 |
220 |
40 |
6 |

|
型號 |
B9 |
B12 |
B16 |
B25 |
B30 |
B37 |
B45 | |
|
基本規格代碼 |
9 |
12 |
16 |
25 |
30 |
37 |
45 | |
|
額定絕緣電壓(Ui) V |
690 | |||||||
|
約定發熱電流(Ith) A |
16 |
20 |
25 |
40 |
45 |
45 |
60 | |
|
額定控制電源電壓 |
交流50Hz:AC48V、AC110V、AC127V、AC220V、AC380V | |||||||
|
AC-1額定工作電流(Ie) A |
16 |
20 |
25 |
40 |
45 |
45 |
60 | |
|
AC-3、AC4額定工作電流(Ie) A |
AC220V |
8.5 |
11.5 |
15.5 |
22 |
30 |
37 |
44 |
|
AC380V |
8.5 |
11.5 |
15.5 |
22 |
30 |
37 |
44 | |
|
AC660V |
3.5 |
4.9 |
6.7 |
13 |
17.5 |
21 |
25 | |
|
AC-3額定工作功率(Pe)kW |
AC220V |
2.2 |
3 |
4 |
6.5 |
9 |
11 |
13 |
|
AC380V |
4 |
5.5 |
7.5 |
11 |
15 |
18.5 |
22 | |
|
AC660V |
3 |
4 |
5.5 |
11 |
15 |
18.5 |
22 | |
|
觸頭組合形式 |
B9-30-10 |
B12-30-10 |
B16-30-10 |
B25-30-10 |
B30-30-00 |
B37-30-22 |
B45-30-22 | |
|
B9-30-01 |
B12-30-01 |
B16-30-01 |
B25-30-01 |
- |
- |
- | ||
|
B9-40-00 |
B12-40-00 |
B16-40-00 |
B25-40-00 |
- |
- |
- | ||
|
B9-22-00 |
B12-22-00 |
B16-22-00 |
- |
- |
- |
- | ||
|
型號 |
B65 |
B85 |
B105 |
B170 |
B250 |
B370 | |
|
基本規格代碼 |
65 |
85 |
105 |
170 |
250 |
370 | |
|
額定絕緣電壓(Ui) V |
690 | ||||||
|
約定發熱電流(Ith) A |
80 |
100 |
140 |
230 |
300 |
410 | |
|
額定控制電源電壓 |
交流50Hz:AC48V、AC110V、AC127V、AC220V、AC380V | ||||||
|
AC-1額定工作電流(Ie) A |
80 |
100 |
140 |
230 |
300 |
410 | |
|
AC-3、AC4額定工作電流(Ie) A |
AC220V |
65 |
85 |
105 |
170 |
245 |
370 |
|
AC380V |
65 |
85 |
105 |
170 |
245 |
370 | |
|
AC660V |
45 |
55 |
82 |
118 |
170 |
268 | |
|
AC-3額定工作功率(Pe)kW |
AC220V |
18.5 |
25 |
30 |
55 |
75 |
110 |
|
AC380V |
33 |
45 |
55 |
90 |
132 |
200 | |
|
AC660V |
40 |
50 |
75 |
110 |
160 |
250 | |
|
觸頭組合形式 |
B65-30-22 |
B85-30-22 |
B105-30-22 |
B170-30-22 |
B250-30-22 |
B370-30-22 | |
|
- |
- |
- |
- |
- |
- | ||
|
- |
- |
- |
- |
- |
- | ||
|
- |
- |
- |
- |
- |
- | ||