| 產品名稱: | WZ系列起重及冶金用渦流制動器 | |||||
| 型號規格: | ![]() |
|||||
| 產品類別: | 常規產品 -- 機械傳動 -- 渦流制動器 | |||||
| 參考價格: | 廠價直銷 | |||||
| 產品品牌: | 國產 | |||||
| 產品產地: | 上海 | |||||
| 可供數量: | 批量 | |||||
| 供貨周期: | 現貨(或電詢) | |||||
|
||||||
| 產品簡介: |
|
|||||
WZ系列起重及冶金用渦流制動器符合JB7561《WZ系列起重及冶金用渦流制動器技術條件》。渦流制動器和YZR系列繞線轉子電動機配合使用,通過控制器能把驅動和調速兩種功能協調起來(開環控制時可達到1∶10,閉環控制時可達到1∶20的調速寬度),具有穩定的低速調速特性和無失控區、運行可靠等優點。
WZ系列起重及冶金用渦流制動器電機性能:
1.環境空氣溫度不超過40℃(F級絕緣)或60℃(H級絕緣)。
2.海拔不超過1000米。
3.經常的,顯著的機械振動和沖擊。
4.渦流制動器勵磁電壓為160±30V的直流電壓,也可做成其它電壓。
渦流制動器的基準工作制為S3,基準負載持續率為15%,每一個工作周期均為10分鐘。
渦流制動器在基準工作制時的額定制動力矩、限定制動力矩、轉動慣量(Jm)勵磁電流與機座號的對應關系見技術數據表。
WZ系列起重及冶金用渦流制動器型號說明: 
結構簡介:
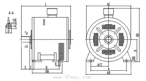
渦流制動器的外殼防護等級為IP23,接線盒為IP44,位于機座頂部,冷卻方式IC0141,結構及安裝型式IM1001。
備注:
1、訂貨時必須說明產品型號、額定制動力矩、勵磁電壓。
2、如有特殊要求,經雙方協商后,可提供其他勵磁電壓、制動力矩、安裝尺寸的渦流制動器,也可配帶測速發電機、超速開關、編碼器等各種傳感器。
|
機座號 |
額定制 |
限定制 |
允許最 |
Jm |
額定勵 |
匹配繞線轉子電動機 | |||
|
Suitable for Wire-wourd and rotor motor | |||||||||
|
Rated brake torque |
Limited brake |
Max. Speed |
Rated excited | ||||||
|
機座號 |
S3 40% | ||||||||
|
Frame |
(kw) | ||||||||
|
6極 |
8極 |
10極 | |||||||
|
Frame size | |||||||||
|
N·m |
N·m |
r/min |
kg·m2 |
A |
6p |
8p |
10p | ||
|
160 |
64 |
196 |
3000 |
0.13 |
7 |
160M |
5.5,7.5 |
||
|
160L |
11 |
7.5 |
|||||||
|
180 |
118 |
245 |
3000 |
0.18 |
7.5 |
180L |
15 |
11 |
|
|
200 |
170 |
390 |
3000 |
0.25 |
8 |
200L |
22 |
15 |
|
|
225 |
245 |
540 |
3000 |
0.38 |
8.5 |
225M |
30 |
22 |
|
|
250 |
390 |
785 |
3000 |
0.042 |
10 |
250M |
37,45 |
30,37 |
|
|
280 |
620 |
1180 |
2250 |
1.3 |
10.5 |
280S,M |
55,75 |
45,55 |
37,45 |
|
315 |
980 |
1860 |
2250 |
2.7 |
12 |
315S,M |
75,90 |
55,75 | |
|
355 |
1180 |
2060 |
1800 |
4.75 |
13 |
355M |
90 | ||
|
1700 |
3040 |
1800 |
5 |
15 |
355L |
110,132 | |||
|
400 |
1860 |
3720 |
1800 |
6.5 |
14 |
400L1 |
160 | ||
|
2250 |
4410 |
1800 |
6.75 |
16 |
400L2 |
200 | |||
|
機座號 |
160 |
180 |
200 |
225 |
250 |
280 |
315 |
355 |
400 | |||
|
Frame | ||||||||||||
|
A |
基本尺寸 |
254 |
279 |
318 |
356 |
406 |
457 |
508 |
610 |
686 | ||
|
Basic dimension | ||||||||||||
|
極限偏差 |
±1.05 |
±1.4 |
±1.75 | |||||||||
|
Max. deviation | ||||||||||||
|
A/2 |
基本尺寸 |
127 |
139.5 |
159 |
178 |
203 |
228.5 |
254 |
305 |
343 | ||
|
Basic dimension | ||||||||||||
|
極限偏差 |
±0.75 |
±1.0 |
±1.25 | |||||||||
|
Max. deviation | ||||||||||||
|
B |
基本尺寸 |
178 |
210 |
254 |
254 |
279 |
305 |
311 |
349 |
457 | ||
|
Basic dimension | ||||||||||||
|
極限偏差 |
±1.05 |
±1.4 |
±1.75 | |||||||||
|
Max. deviation | ||||||||||||
|
左右B之差 |
1.05 |
1.4 |
1.75 | |||||||||
|
Difference between left B and right B | ||||||||||||
|
C |
基本尺寸 |
28 |
30 |
28 |
43 |
56 |
56 |
115 |
121 |
102 | ||
|
Basic dimension | ||||||||||||
|
極限偏差 |
±1.0 |
±1.5 |
±2.0 | |||||||||
|
Max. deviation | ||||||||||||
|
左右C之差 |
0.45 |
0.6 |
0.75 |
|||||||||
|
Difference between left C and right C | ||||||||||||
|
D |
基本尺寸 |
42 |
48 |
55 |
55 |
60 |
70 |
85 |
100 |
110 | ||
|
Basic dimension | ||||||||||||
|
極限偏差 |
+0.018 |
+0.030 |
+0.035 | |||||||||
|
Max. deviation |
+0.002 |
+0.011 |
+0.013 | |||||||||
|
E |
基本尺寸 |
82 |
82 |
82 |
82 |
105 |
105 |
130 |
165 |
165 | ||
|
安裝尺寸 |
Basic dimension | |||||||||||
|
Mounting |
極限偏差 |
±0.43 |
±0.50 | |||||||||
|
dimensions |
Max. deviation | |||||||||||
|
F |
基本尺寸 |
12 |
14 |
16 |
16 |
18 |
20 |
22 |
28 |
28 | ||
|
Basic dimension | ||||||||||||
|
極限偏差 |
0 |
0 | ||||||||||
|
Max. deviation |
-0.043 0 |
-0.052 | ||||||||||
|
鍵與 |
G |
基本尺寸 |
37 |
42.5 |
49 |
49 |
53 |
62.5 |
76 |
90 |
100 | |
|
鍵槽 |
Basic dimension | |||||||||||
|
Key |
極限偏差 |
0 | ||||||||||
|
and |
Max. deviation |
-0.2 | ||||||||||
|
key |
GD |
基本尺寸 |
8 |
9 |
10 |
10 |
11 |
12 |
14 |
16 |
16 | |
|
groove |
Basic dimension | |||||||||||
|
極限偏差 |
0 |
0 | ||||||||||
|
Max. deviation |
-0.09 |
-0.11 | ||||||||||
|
H |
基本尺寸 |
160 |
180 |
200 |
225 |
250 |
280 |
315 |
355 |
400 | ||
|
Basic dimension | ||||||||||||
|
極限偏差 |
0 |
0 | ||||||||||
|
Max. deviation |
-0.5 |
-1.0 | ||||||||||
|
K |
基本尺寸 |
15 |
15 |
19 |
19 |
24 |
24 |
28 |
28 |
35 | ||
|
Basic dimension | ||||||||||||
|
極限偏差 |
+0.43 |
+0.52 |
+0.62 | |||||||||
|
Max. deviation |
0 |
0 |
0 | |||||||||
|
螺栓直徑 |
M12 |
M16 |
M20 |
M24 |
M30 | |||||||
|
Bolt diameter | ||||||||||||
|
AB |
300 |
355 |
400 |
450 |
500 |
560 |
610 |
700 |
800 | |||
|
外形尺寸 |
AC |
317 |
355 |
395 |
445 |
495 |
555 |
625 |
705 |
790 | ||
|
Outline |
BB |
234 |
250 |
300 |
300 |
335 |
365 |
385 |
420 |
550 | ||
|
dimension |
HA |
13 |
13 |
16 |
16 |
25 |
25 |
25 |
35 |
35 | ||
|
HD |
420 |
460 |
510 |
540 |
590 |
660 |
725 |
805 |
895 | |||
|
L |
419 |
417 |
452 |
492 |
585 |
693 |
735 |
920 |
1075 | |||