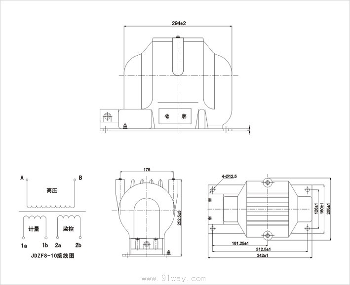
| 產品名稱: | JDZF8-10系列電壓互感器 | |||||
| 型號規格: | ![]() |
|||||
| 產品類別: | 常規產品 -- 高壓電器 -- 10KV電壓互感器 | |||||
| 參考價格: | 廠價直銷 | |||||
| 產品品牌: | 國產 | |||||
| 產品產地: | 上海 | |||||
| 可供數量: | 批量 | |||||
| 供貨周期: | 現貨(或電詢) | |||||
|
||||||
| 產品簡介: |
|
|||||
JDZF8-10系列電壓互感器技術參數
額定絕緣水平: 12/42/75kV
額定電壓: 10kV
額定頻率: 50Hz
額定負荷功率因素: 0.8(滯后Lag)
JDZF8-10系列電壓互感器外形及安裝尺寸


JDZF8-10系列電壓互感器