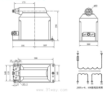
| 產品名稱: | JDZX18-3,6,10R系列帶熔斷器單相接地電壓互感器 | |||||
| 型號規格: | ![]() |
|||||
| 產品類別: | 常規產品 -- 高壓電器 -- 10KV電壓互感器 | |||||
| 參考價格: | 廠價直銷 | |||||
| 產品品牌: | 國產 | |||||
| 產品產地: | 上海 | |||||
| 可供數量: | 批量 | |||||
| 供貨周期: | 現貨(或電詢) | |||||
|
||||||
| 產品簡介: |
|
|||||
JDZX18-3,6,10R系列帶熔斷器單相接地電壓互感器為環氧樹脂真空澆注全封閉式結構,是連接相與地之間作電壓主、電能測量和保護使用,該互感器輸出容量大、精度高、局部放電量小,最大特點是一次帶有熔斷器保護,可免除用戶再為配置熔斷器造成的煩惱。可大大避免浪費開關柜內有效空間,而且熔斷器更換非常方便,直接可裝入互感器內部,熔斷器的熔斷電流與互感器的短承受能力相匹配,有效地保護互感器在電網出現故障時不被燒毀。二次出線加罩保護,可避免觸電事故和竊電現象。
JDZX18-3,6,10R系列帶熔斷器單相接地電壓互感器