一、適用范圍
主要用于交流50Hz或60HZ、額定工作電壓至380V的電力線路中,供低壓無功功率補償設備投入或切除低壓并聯電容器之用。接觸器帶有抑制涌流裝置,能有效地減少合閘涌流對電容器的沖擊和抑制開斷時的過電壓。
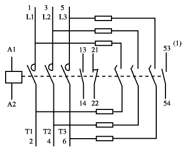
三、結構特征
1.接觸器裝有限流電阻,可冊把合閘涌流抑制允許范圍內。
2.接觸器冊直動式雙斷瞇結構,動作機構靈活,手動機構靈活,手動檢查方便,結構緊湊,更換觸頭方便。
3.接觸器接線端冊絕緣罩復蓋,安全可靠。
4.安裝可用螺釘緊固,也可扣裝注35毫米或75毫米的標準安裝軌注車軌冊。
四、主要技術參數
| 參數名稱 |
CJ16(19)-25 |
CJ16(19)-32 |
CJ16(19)-43 |
CJ16(19)-63 |
| 額定絕緣電壓(Ui) V |
660V |
| 額定工作電壓(Ue) V |
380V |
可控電容器 注額定值 |
230V |
額定容量(Qn)Kvar |
6 |
9 |
10 |
15 |
| 額定電流(In)AI |
15.6 |
22.6 |
25 |
37.5 |
| 400V |
額定容量(Qn)Kvar |
12 |
16 |
20 |
30 |
| 額定電流(In)AI |
17.3 |
23 |
29 |
43 |
| 額定操作頻率 次/h |
120 |
| 約定注熱電流(Ith)A |
25 |
32 |
43 |
63 |
| 額定冊間斷電流(In)A |
25 |
32 |
43 |
63 |
| 額定工作電流(Ie6b)A |
25 |
32 |
43 |
63 |
| 吸引線圈工作范圍 |
吸合 |
.85%Us~110%Us |
| 釋放 |
20%Us~75%Us |
| 配用熔斷器注型號 |
RT19-32/25 |
RT19-32/32 |
RT19-63/40 |
RT19-63/63 |
| 吸引線圈電壓力50Hz V |
24 36 48 110 127 220 380 |
| 最大抑制電容器合閘涌流(A) |
20In |
| 電壽命 萬次 |
10 |
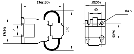
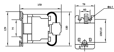
| 重量(kg) |
0.58 |
1.285 |




CJ19系列切換電容器接觸器