| 產品名稱: | FN5系列戶內交流高壓負荷開關 | |||||
| 型號規格: | ![]() |
|||||
| 產品類別: | 常規產品 -- 高壓電器 -- 戶內高壓負荷開關 | |||||
| 參考價格: | 廠價直銷 | |||||
| 產品品牌: | 國產 | |||||
| 產品產地: | 上海 | |||||
| 可供數量: | 批量 | |||||
| 供貨周期: | 現貨(或電詢) | |||||
|
||||||
| 產品簡介: |
|
|||||
FN5-12型戶內交流高壓負荷開關(以下簡稱負荷開關)適用于交流50Hz、12kV的網絡中,作為開斷負荷電流及關合短路電流之用。帶有熔斷器的負荷開關可切斷短路電流,作保護開關之用。
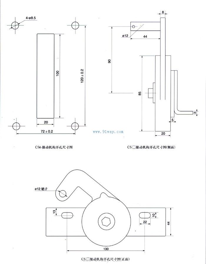
負荷開關可配用CS6-1型手機操作機構、本產品專用的CS□手動操動機構或CJ□電動操動機構。
型號及其含義
使用環境條件
1、海拔不超過1000m;
2、周圍空氣溫度:上限+40℃,下限-25℃(電動機構不低 于-5℃);
3、相對濕度:日平均值不大于95%,月平均值不大于90%(+25℃);
4、周圍空氣應不受腐蝕性或可燃性氣體,水蒸氣等明顯污染;
5、無經常的劇烈振動。
FN5系列戶內交流高壓負荷開關主要技術參數
注:FN5-12D負荷開關的接地部分也帶有短路關合能力。
外形與安裝尺寸
FN5-12負荷開關的外形與安裝尺寸見圖1。
FN5-12D負荷開關的外形與安裝尺寸見圖2。
FN5-12R負荷開關的外形與安裝尺寸見圖3。
FN5-12DR負荷開關的外形與安裝尺寸見圖4。
FN5-12R(S)負荷開關的外形與安裝尺寸見圖5。
FN5-12DR(S)負荷開關的外形與安裝尺寸見圖6。

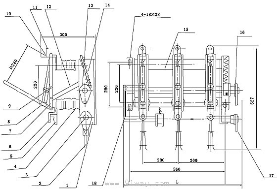
1-底架 2-支柱絕緣子 3-支座接線板 4-觸刀 5-滅弧管 6-扭簧及扭簧鎖軸 7-導向片 8-觸座接線板
9-拉桿 10-轉軸11-彈簧儲能機構 12-操作盤 
圖1 FN5-12負荷開關外形圖 
1-底架 2-接地觸刀 3-接地一關轉軸 4-支柱絕緣了 5-接地觸座 6-支座接線板 7-負荷開關觸刀 8-滅弧管 9-扭簧及扭簧銷軸 10-導向片 11-觸座接線板 12-拉桿 13-負荷開關轉軸 14-負荷開關彈簧儲能結構 15-接地開關彈簧儲能機構 16-負荷開關操作盤 17-接地開關操作盤 18-聯鎖機構 
圖2 FN5-12D負荷開關外形圖 


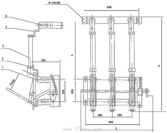
1-FN5-12負荷開關 2-支座熔斷器接線板 3-支柱絕緣子 4-接地觸座
圖3 FN5-12R負荷開關外形圖 
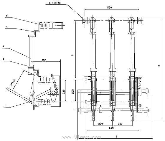
1-FN5-12D負荷開關 2-支座熔斷器接線板 3-熔管 4-聯鎖機構 5-熔斷器接線板 6-熔斷器底座
圖4 FN5-12DR負荷開關外形圖 


1-FN5-12負荷開關 2-支座熔斷器接線板 3-熔管 4-熔斷器接線板 5-熔斷器底座
圖5 FN5-12R(S)負荷開關外形圖 
1-FN5-12D負荷開關 2-支座熔斷器接線板 3-熔管4-熔斷器接線板 5-熔斷器底座 6-邊鎖機構
圖6 FN5-12DR(S)負荷開關外形圖
訂貨須知
訂貨時應注明下列項目:
1、負荷開關的型號、名稱、數量。
2、若配熔斷器請注明熔斷器的型號、額定電壓、額定電流。
3、所配機構的型號。