TK21系列數控回轉工作臺
精密分度蝸桿副(錫青銅蝸輪、合金鋼淬硬蝸桿)分度精確。
精密滾動軸系結構,運行靈敏,回轉精度高,穩定性好 。
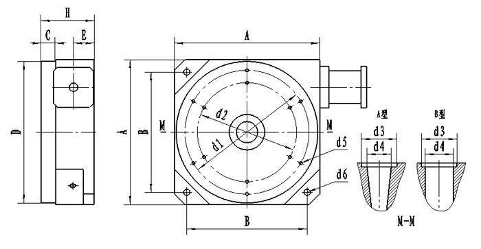
工作臺中心為通孔, A 型由定位止口和莫氏錐孔構成,B 型由定位止口和大通孔構成,可滿足不同需要。
具有調隙機構,確保蝸桿副處于最佳工作狀態。
可供配套附件齊全,實用性強。
選用硬鋁合金基座、輕便美觀。
伺服(步進)電機驅動。
主要性能、精度指標
| 型號、規格 |
性能 |
凈重
(kg) |
精度 |
| 臺面直徑(mm) |
水平承重(kg) |
傳動比 |
最高轉速(rpm) |
精度(秒) |
重復定位精度(秒) |
中心孔徑跳 (mm) |
| TK21100A |
Ф 100 |
30 |
1:60 |
15 |
3 |
120 |
±10 |
0.015 |
| TK21125A |
Ф 125 |
40 |
1:60 |
15 |
4 |
120 |
±10 |
0.015 |
| TK21160A |
Ф 160 |
60 |
1:60 |
10 |
8 |
60 |
±6 |
0.02 |
| TK21200A |
Ф 200 |
80 |
1:60 |
10 |
13 |
60 |
±6 |
0.02 |
| TK21250A |
Ф 250 |
100 |
1:90 |
8 |
25 |
60 |
±6 |
0.02 |
| TK21300A |
Ф 300 |
120 |
1:90 |
8 |
35 |
60 |
±6 |
0.02 |
| TK21100B |
Ф 100 |
30 |
1:60 |
15 |
2.5 |
120 |
±10 |
0.015 |
| TK21125B |
Ф 125 |
40 |
1:60 |
15 |
3.5 |
120 |
±10 |
0.015 |
| TK21160B |
Ф 160 |
60 |
1:60 |
10 |
7.5 |
60 |
±6 |
0.02 |
| TK21200B |
Ф 200 |
80 |
1:60 |
10 |
12 |
60 |
±6 |
0.02 |
| TK21250B |
Ф 250 |
100 |
1:90 |
8 |
24 |
60 |
±6 |
0.02 |
| TK21300B |
Ф 300 |
120 |
1:90 |
8 |
34 |
60 |
±6 |
0.02 |
主要尺寸(mm)
| 型號、規格 |
D |
A |
B |
d1 |
d2 |
d3 |
d4 |
d5 |
d6 |
H |
C |
E |
| TK21100A |
Ф100 |
105 |
84 |
Ф80 |
Ф55 |
Ф18 H7 |
莫氏2# |
M5 |
Ф6 |
56 |
10 |
24 |
| TK21125A |
Ф125 |
130 |
110 |
Ф93 |
Ф62 |
Ф18 H7 |
莫氏2# |
M5 |
Ф6 |
58 |
12 |
24 |
| TK21160A |
Ф160 |
165 |
140 |
Ф130 |
Ф95 |
Ф30 H7 |
莫氏2# |
M5 |
Ф9 |
70 |
15 |
30 |
| TK21200A |
Ф200 |
205 |
170 |
Ф175 |
Ф140 |
Ф30 H7 |
莫氏2# |
M5 |
Ф9 |
75 |
20 |
30 |
| TK21250A |
Ф250 |
260 |
210 |
Ф200 |
Ф140 |
Ф30 H7 |
莫氏3# |
M6 |
Ф11 |
95 |
20 |
31 |
| TK21300A |
Ф300 |
305 |
250 |
Ф240 |
Ф180 |
Ф30H7 |
莫氏3# |
M6 |
Ф11 |
96 |
20 |
31 |
| TK21100B |
Ф100 |
105 |
84 |
Ф80 |
Ф55 |
Ф35 H7 |
Ф30 |
M5 |
Ф6 |
56 |
10 |
24 |
| TK21125B |
Ф125 |
130 |
110 |
Ф93 |
Ф62 |
Ф35 H7 |
Ф30 |
M5 |
Ф6 |
58 |
12 |
24 |
| TK21160B |
Ф160 |
165 |
140 |
Ф130 |
Ф95 |
Ф50 H7 |
Ф40 |
M5 |
Ф9 |
70 |
15 |
30 |
| TK21200B |
Ф200 |
205 |
170 |
Ф175 |
Ф140 |
Ф50 H7 |
Ф40 |
M5 |
Ф9 |
75 |
20 |
30 |
| TK21250B |
Ф250 |
260 |
210 |
Ф200 |
Ф140 |
Ф65 H7 |
Ф50 |
M6 |
Ф11 |
95 |
20 |
31 |
| TK21300B |
Ф300 |
305 |
250 |
Ф240 |
Ф180 |
Ф65 H7 |
Ф50 |
M6 |
Ф11 |
96 |
20 |
31 |
