| 產品名稱: | JSZF-6G系列抗諧振電壓互感器 | |||||
| 型號規格: | ![]() |
|||||
| 產品類別: | 常規產品 -- 高壓電器 -- 6KV電壓互感器 | |||||
| 參考價格: | 廠價直銷 | |||||
| 產品品牌: | 國產 | |||||
| 產品產地: | 上海 | |||||
| 可供數量: | 批量 | |||||
| 供貨周期: | 現貨(或電詢) | |||||
|
||||||
| 產品簡介: |
|
|||||

|
型號 type |
額定電壓比 Ratedtransformation ratio(KV) |
額定輸出 |
熱極限輸出 Rated insulation level(VA) |
額定絕緣水平 Rated insulation level (KV) | ||
|
0.2 |
0.5 |
1 | ||||
|
JSZF-6G |
|
75 |
150 |
300 |
1000 |
7.2/32/60 |
|
型號 type |
額定電壓比 Ratedtransformation ratio(KV) |
額定輸出 |
熱極限輸出 Rated insulation level(VA) |
額定絕緣水平 Rated insulation level (KV) | ||
|
0.2/0.2 |
0.5/0.5 |
0.5/0.5 | ||||
|
JSZF-6G |
|
45 |
45/75 |
90/90 |
600 |
7.2/32/60 |
|
型號 type |
額定電壓比 Ratedtransformation ratio(KV) |
額定輸出 |
正常運行時二次輸出電壓(不平衡電壓) Secondary out put voltage When normal running(unbalance voltage) |
額定絕緣水平 Rated insulation level (KV) |
|
6P/(3P) | ||||
|
JSZF-6G |
|
50 |
<10V |
7.2/32/60 |
注:如用戶要求的參數超出上表范圍,可與我公司協商后確定。
NOTE:If user's date beyond the above-mentioned scope,the may be subject to an agreement between company and purchaser.
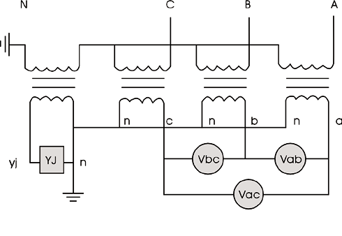
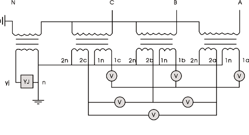
接線圖
WIRING DIAGRAM
圖1:JSZF-6G型二繞組電壓互感器原理接線圖
圖2:JSZF-6G型三繞組電壓互感器原理接線圖
Figure1,basic wiring diagram for three-winding voltage transformer tpe JSZF-6G
Figure2,basic wiring diagram for three-winding voltage transformer type JSZF-6G


注:以上接線圖一、二次側除圖示點接地外嚴禁有其他地點,否則會燒毀PT。
JSZF-6G系列電壓互感器