| 產品名稱: | M-PKZM系列電動機斷路器 | |||||
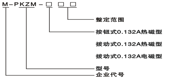
| 型號規格: | ![]() |
|||||
| 產品類別: | 常規產品 -- 低壓電器 -- 微型斷路器 | |||||
| 參考價格: | 廠價直銷 | |||||
| 產品品牌: | 國產 | |||||
| 產品產地: | 上海 | |||||
| 可供數量: | 批量 | |||||
| 供貨周期: | 現貨(或電詢) | |||||
|
||||||
| 產品簡介: |
|
|||||

|
50/60HZ,AC-3類 三相電動機機標準額定功率(KW) |
熱脫扣設定范圍(A) |
磁脫扣電流(A) |
帶外殼時1the電流(A) |
型號(按鈕控制) |
重量(kg) | |||
|
230V |
400V |
415V |
440V |
ld±20% | ||||
|
- |
- |
- |
- |
0.1...0.6 |
1.5 |
0.16 |
M-PKZM-M01C |
0.260 |
|
- |
- |
- |
- |
0.16...0.25 |
2.4 |
0.25 |
M-PKZM-M02C |
0.260 |
|
- |
- |
- |
- |
0.25...0.40 |
5 |
0.40 |
M-PKZM-M03C |
0.260 |
|
- |
- |
- |
- |
0.40...0.63 |
8 |
0.63 |
M-PKZM-M04C |
0.260 |
|
- |
- |
- |
0.37 |
0.63...1 |
13 |
1 |
M-PKZM-M05C |
0.260 |
|
- |
0.37 |
- |
0.55 |
1...1.0 |
22.5 |
1.6 |
M-PKZM-M06C |
0.260 |
|
0.37 |
0.75 |
0.75 |
1.1 |
1.6...2.5 |
33.5 |
2.5 |
M-PKZM-M07C |
0.260 |
|
0.75 |
1.5 |
1.5 |
1.5 |
2.5...4 |
51 |
4 |
M-PKZM-M08C |
0.260 |
|
1.1 |
2.2 |
2.2 |
3 |
4...6.3 |
78 |
6.3 |
M-PKZM-M10C |
0.260 |
|
2.2 |
4 |
4 |
4 |
6...10 |
138 |
9 |
M-PKZM-M14C |
0.260 |
|
3 |
5.5 |
5.5 |
7.5 |
9...14 |
170 |
13 |
M-PKZM-M16C |
0.260 |
|
4 |
7.5 |
9 |
9 |
13...18 |
223 |
17 |
M-PKZM-M20C |
0.260 |
|
5.5 |
11 |
11 |
11 |
17...23 |
327 |
21 |
M-PKZM-M21C |
0.260 |
|
5.5 |
11 |
11 |
11 |
20...25 |
327 |
23 |
M-PKZM-M22C |
0.260 |
|
7.5 |
15 |
15 |
15 |
24...32 |
416 |
24 |
M-PKZM-M32C |
0.260 |
|
50/60HZ,AC-3類 三相電動機標準額定開關控制(KW) |
熱脫扣設定范圍(A) |
磁脫扣電流(A) |
型號(按鈕控制) |
重量(kg) | |||
|
230V |
400V |
415V |
440V |
ld±20% | |||
|
- |
- |
- |
- |
0.1...0.6 |
1.5 |
M-PKZM-M01C |
0.260 |
|
- |
- |
- |
- |
0.16...0.25 |
2.4 |
M-PKZM-M02C |
0.260 |
|
- |
- |
- |
- |
0.25...0.40 |
5 |
M-PKZM-M03C |
0.260 |
|
- |
- |
- |
- |
0.40...0.63 |
8 |
M-PKZM-M04C |
0.260 |
|
- |
- |
- |
0.37 |
0.63...1 |
13 |
M-PKZM-M05C |
0.260 |
|
- |
0.37 |
- |
0.55 |
1...1.0 |
22.5 |
M-PKZM-M06C |
0.260 |
|
0.37 |
0.75 |
0.75 |
1.1 |
1.6...2.5 |
33.5 |
M-PKZM-M07C |
0.260 |
|
0.75 |
1.5 |
1.5 |
1.5 |
2.5...4 |
51 |
M-PKZM-M08C |
0.260 |
|
1.1 |
2.2 |
2.2 |
3 |
4...6.3 |
78 |
M-PKZM-M10C |
0.260 |
|
2.2 |
4 |
4 |
4 |
6...10 |
138 |
M-PKZM-M14C |
0.260 |
|
3 |
5.5 |
5.5 |
7.5 |
9...14 |
170 |
M-PKZM-M16C |
0.260 |
|
4 |
7.5 |
9 |
9 |
13...18 |
223 |
M-PKZM-M20C |
0.260 |
|
5.5 |
11 |
11 |
11 |
17...23 |
327 |
M-PKZM-M21C |
0.260 |
|
5.5 |
11 |
11 |
11 |
20...25 |
327 |
M-PKZM-M22C |
0.260 |
|
7.5 |
15 |
15 |
15 |
24...32 |
416 |
M-PKZM-M32C |
0.260 |
|
50/60HZ,AC-3類 三相電動機機標準額定功率(KW) |
熱脫扣設定范圍(A) |
磁脫扣電流(A) |
帶外殼時1the電流(A) |
型號(按鈕控制) |
重量(kg) | |||
|
230V |
400V |
415V |
440V |
ld±20% | ||||
|
- |
- |
- |
- |
0.4 |
5 |
M-Z00C-D1303 |
M-PKZM-M03C |
0.330 |
|
- |
- |
- |
- |
0.63 |
8 |
M-Z00C-D1304 |
M-PKZM-M04C |
0.330 |
|
- |
- |
- |
0.37 |
1 |
13 |
M-Z00C-D1305 |
M-PKZM-M05C |
0.330 |
|
- |
0.37 |
- |
0.55 |
1.6 |
22.5 |
M-Z00C-D1306 |
M-PKZM-M06C |
0.330 |
|
0.37 |
0.75 |
0.75 |
1.1 |
2.5 |
33.5 |
M-Z00C-D1307 |
M-PKZM-M07C |
0.330 |
|
0.75 |
1.5 |
1.5 |
1.5 |
4 |
51 |
M-Z00C-D1308 |
M-PKZM-M08C |
0.330 |
|
1.1 |
2.2 |
2.2 |
3 |
6.3 |
78 |
M-Z00C-D1310 |
M-PKZM-M10C |
0.330 |
|
2.2 |
4 |
4 |
4 |
10 |
138 |
M-Z00C-D1314 |
M-PKZM-M14C |
0.330 |
|
3 |
5.5 |
5.5 |
7.5 |
14 |
170 |
M-Z00C-D1316 |
M-PKZM-M16C |
0.330 |
|
4 |
7.5 |
9 |
9 |
18 |
223 |
M-Z00C-D1321 |
M-PKZM-M20C |
0.330 |
|
5.5 |
11 |
11 |
11 |
25 |
327 |
M-Z00C-D1322 |
M-PKZM-M21C |
0.330 |
|
類型 |
M-PKZMC-AU |
M-PKZMC-AX |
M-PKZMC-AS |
|
額定絕緣電壓(UI)符合IEC947-1. |
V |
690 |
400 |
690 |
|
工作電壓符合IEC947-1 |
V |
0.85...1.1 Ue |
0.7..1.1 Ue | |
|
釋放電壓 |
V |
0.35...0.7 Ue |
0.2...0.75 Ue | |
|
起動耗電
|
VA |
12 |
14 | |
|
W |
8 |
10.5 | ||
|
吸持耗電 |
VA |
3.5 |
5 | |
|
W |
1.1 |
1.6 | ||
|
動作時間符合IEC947-1 |
ms |
從電壓達到工作值起到M-PKZMC斷開10...15 | ||
|
負載系數 |
100% | |||
|
接線 |
1或2根導線 |
![]() | ||
|
硬導線 |
mm2 |
1...2.5 | ||
|
無接線端子的軟導線 |
mm2 |
0.75...2.5 | ||
|
有接線端子的軟導線 |
mm2 |
0.75...1.5 | ||
|
堅固扭矩 |
Nm |
1.4最大 | ||
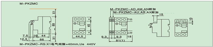
尺寸,安裝
尺寸,安裝
母線排 M-PKZMC-G445,M-PKZMC-G472
帶端子塊 M-PKZMC-G445 
母線排 M-PKZMC-G●●● 母線排
帶端子塊 M-PKZMC-G09 M-PKZMC-G245,M-PKZMC-G254,M-PKZMC-G272