| 產品名稱: | AEJ系列鋁殼電磁制動三相電機 | |||||
| 型號規格: | ![]() |
|||||
| 產品類別: | 常規產品 -- 電機產品 -- 交流制動電機 | |||||
| 參考價格: | 廠價直銷 | |||||
| 產品品牌: | 國產 | |||||
| 產品產地: | 上海 | |||||
| 可供數量: | 批量 | |||||
| 供貨周期: | 現貨(或電詢) | |||||
|
||||||
| 產品簡介: |
|
|||||
一、概述
AEJ系列制動電動機是全封閉自扇冷式鼠籠型具有附加圓盤型直流制動器的三相異步電動機,它具有制動迅速、結構簡單、可靠性強等優點,此外制動器具有人工釋放機構,被廣泛應用于各種要求快速停止和準確定位的機械設備和傳動裝置中。
二、原理與結構
AEJ系列制動電動機的直流圓盤制動器安裝在電機非軸伸端的端蓋脫開,電動機開始連轉。當切斷電源時,制動器電磁鐵失去電磁吸力,彈簧推動銜鐵壓緊制盤,在摩擦力矩作用下,電動機立即停止。
制動器電源由電機接線盒內的整流器供給。3千瓦及以下為AC220V→D.C99V,4千瓦以上為AC380V→D.C170V。
AEJ 系列鋁殼電磁制動三相電機 技術數據
| 型號 | 功率 | 轉速 | 電流 | 效率 | 功率因素 | 制動力矩 | 制動時間 | 勵磁功率 | Ist
/ In |
Tst
/ Tn |
Tm
/ Tn | ||
| (Kw) | (r/min) | 415V | 400V | 380V | (%) | (COSø) | (Nm) | (s) | (w) | ||||
| (A) | (A) | (A) | |||||||||||
| 50Hz 同步轉速 3000轉/分 (2極) | |||||||||||||
| AEJ631-2 | 0.18 | 2720 | 0.49 | 0.5 | 0.53 | 65 | 0.8 | 4 | 0.2 | 18 | 6 | 2.2 | 2 |
| AEJ632-2 | 0.25 | 2720 | 0.63 | 0.66 | 0.69 | 68 | 0.81 | 4 | 0.2 | 18 | 6 | 2.2 | 2 |
| AEJ711-2 | 0.37 | 2740 | 0.91 | 0.94 | 0.99 | 70 | 0.81 | 4 | 0.2 | 18 | 6 | 2.2 | 2 |
| AEJ712-2 | 0.55 | 2740 | 1.28 | 1.33 | 1.4 | 73 | 0.82 | 4 | 0.2 | 18 | 6 | 2.2 | 2 |
| AEJ801-2 | 0.75 | 2845 | 1.68 | 1.74 | 1.83 | 75 | 0.83 | 7.5 | 0.2 | 30 | 6 | 2.2 | 2 |
| AEJ802-2 | 1.1 | 2840 | 2.36 | 2.45 | 2.58 | 77 | 0.84 | 7.5 | 0.2 | 30 | 7 | 2.2 | 2 |
| AEJ90S-2 | 1.5 | 2840 | 3.14 | 3.26 | 3.43 | 79 | 0.84 | 15 | 0.2 | 50 | 7 | 2.2 | 2 |
| AEJ90L-2 | 2.2 | 2840 | 4.44 | 4.61 | 4.85 | 81 | 0.85 | 15 | 0.2 | 50 | 7 | 2.2 | 2 |
| AEJ100L-2 | 3 | 2860 | 5.78 | 5.99 | 6.31 | 83 | 0.87 | 30 | 0.2 | 65 | 8 | 2.2 | 2 |
| AEJ112M-2 | 4 | 2880 | 7.4 | 7.7 | 8.1 | 85 | 0.88 | 40 | 0.25 | 90 | 8 | 2.2 | 2 |
| AEJ132S1-2 | 5.5 | 2900 | 10.1 | 10.5 | 11 | 86 | 0.88 | 75 | 0.25 | 90 | 8 | 2.2 | 2 |
| AEJ132S2-2 | 7.5 | 2900 | 13.6 | 14.2 | 14.9 | 87 | 0.88 | 75 | 0.25 | 90 | 8 | 2.2 | 2 |
| AEJ160M1-2 | 11 | 2930 | 19.5 | 20.2 | 21.3 | 88 | 0.89 | 150 | 0.35 | 150 | 8 | 2.2 | 2 |
| AEJ160M2-2 | 15 | 2930 | 26.4 | 27.4 | 28.8 | 89 | 0.89 | 150 | 0.35 | 150 | 8 | 2.2 | 2 |
| AEJ160L-2 | 18.5 | 2930 | 31.8 | 33 | 34.7 | 90 | 0.9 | 150 | 0.35 | 150 | 8 | 2.2 | 2 |
| 型號 | 功率 | 轉速 | 電流 | 效率 | 功率因素 | 制動力矩 | 制動時間 | 勵磁功率 | Ist
/ In |
Tst
/ Tn |
Tm
/ Tn | ||
| (Kw) | (r/min) | 415V | 400V | 380V | (%) | (COSø) | (Nm) | (s) | (w) | ||||
| (A) | (A) | (A) | |||||||||||
| 50Hz 同步轉速 1500轉/分 (4極) | |||||||||||||
| AEJ631-4 | 0.12 | 1310 | 0.40 | 0.42 | 0.44 | 57 | 0.72 | 4 | 0.2 | 18 | 4 | 2.1 | 2 |
| AEJ632-4 | 0.18 | 1310 | 0.57 | 0.59 | 0.62 | 60 | 0.73 | 4 | 0.2 | 18 | 4.4 | 2.1 | 2 |
| AEJ711-4 | 0.25 | 1330 | 0.72 | 0.75 | 0.79 | 65 | 0.74 | 4 | 0.2 | 18 | 5.2 | 2.1 | 2 |
| AEJ712-4 | 0.37 | 1330 | 1.03 | 1.06 | 1.12 | 67 | 0.75 | 4 | 0.2 | 18 | 5.2 | 2.1 | 2 |
| AEJ801-4 | 0.55 | 1390 | 1.44 | 1.49 | 1.57 | 71 | 0.75 | 7.5 | 0.2 | 30 | 5.2 | 2.4 | 2 |
| AEJ802-4 | 0.75 | 1380 | 1.86 | 1.93 | 2.03 | 73 | 0.76 | 7.5 | 0.2 | 30 | 6 | 2.3 | 2 |
| AEJ90S-4 | 1.1 | 1390 | 2.65 | 2.75 | 2.89 | 75 | 0.77 | 15 | 0.2 | 50 | 6 | 2.3 | 2 |
| AEJ90L-4 | 1.5 | 1390 | 3.39 | 3.52 | 3.7 | 78 | 0.79 | 15 | 0.2 | 50 | 6 | 2.3 | 2 |
| AEJ100L1-4 | 2.2 | 1410 | 4.72 | 4.90 | 5.16 | 80 | 0.81 | 30 | 0.2 | 65 | 7 | 2.3 | 2 |
| AEJ100L2-4 | 3 | 1410 | 6.2 | 6.4 | 6.78 | 82 | 0.82 | 30 | 0.2 | 65 | 7 | 2.3 | 2 |
| AEJ112M-4 | 4 | 1435 | 8.1 | 8.4 | 8.8 | 84 | 0.82 | 40 | 0.25 | 90 | 7 | 2.3 | 2 |
| AEJ132S-4 | 5.5 | 1440 | 10.7 | 11.1 | 11.7 | 85 | 0.83 | 75 | 0.25 | 90 | 7 | 2.3 | 2 |
| AEJ132M-4 | 7.5 | 1440 | 14.3 | 14.8 | 15.6 | 87 | 0.84 | 75 | 0.25 | 90 | 7 | 2.3 | 2 |
| AEJ160M-4 | 11 | 1460 | 20.4 | 21.2 | 22.3 | 88 | 0.84 | 150 | 0.35 | 150 | 7 | 2.2 | 2 |
| AEJ160L-4 | 15 | 1460 | 27.6 | 28.6 | 30.1 | 89 | 0.85 | 150 | 0.35 | 150 | 7.5 | 2.2 | 2 |
| 型號 | 功率 | 轉速 | 電流 | 效率 | 功率因素 | 制動力矩 | 制動時間 | 勵磁功率 | Ist
/ In |
Tst
/ Tn |
Tm
/ Tn | ||
| (Kw) | (r/min) | 415V | 400V | 380V | (%) | (COSø) | (Nm) | (s) | (w) | ||||
| (A) | (A) | (A) | |||||||||||
| 50Hz 同步轉速 1000轉/分 (6極) | |||||||||||||
| AEJ711-6 | 0.18 | 850 | 0.68 | 0.70 | 0.74 | 56 | 0.66 | 4 | 0.2 | 18 | 4 | 1.9 | 2 |
| AEJ712-6 | 0.25 | 850 | 0.87 | 0.90 | 0.95 | 59 | 0.68 | 4 | 0.2 | 18 | 4 | 1.9 | 2 |
| AEJ801-6 | 0.37 | 885 | 1.19 | 1.24 | 1.3 | 62 | 0.7 | 7.5 | 0.2 | 30 | 4.7 | 1.9 | 2 |
| AEJ802-6 | 0.55 | 885 | 1.64 | 1.70 | 1.79 | 65 | 0.72 | 7.5 | 0.2 | 30 | 4.7 | 1.9 | 2 |
| AEJ90S-6 | 0.75 | 910 | 2.10 | 2.18 | 2.29 | 69 | 0.72 | 15 | 0.2 | 50 | 5.5 | 2 | 2 |
| AEJ90L-6 | 1.1 | 910 | 2.91 | 3.02 | 3.18 | 72 | 0.73 | 15 | 0.2 | 50 | 5.5 | 2 | 2 |
| AEJ100L-6 | 1.5 | 920 | 3.61 | 3.74 | 3.94 | 76 | 0.75 | 30 | 0.2 | 65 | 5.5 | 2 | 2 |
| AEJ112M-6 | 2.2 | 935 | 5.13 | 5.32 | 5.6 | 79 | 0.76 | 40 | 0.25 | 90 | 6.5 | 2 | 2 |
| AEJ132S-6 | 3 | 960 | 6.78 | 7.03 | 7.4 | 81 | 0.76 | 75 | 0.25 | 90 | 6.5 | 2.1 | 2 |
| AEJ132M1-6 | 4 | 960 | 9.0 | 9.3 | 9.8 | 82 | 0.76 | 75 | 0.25 | 90 | 6.5 | 2.1 | 2 |
| AEJ132M2-6 | 5.5 | 960 | 11.8 | 12.3 | 12.9 | 84 | 0.77 | 75 | 0.25 | 90 | 6.5 | 2.1 | 2 |
| AEJ160M-6 | 7.5 | 970 | 15.6 | 16.2 | 17 | 86 | 0.77 | 150 | 0.35 | 150 | 6.5 | 2 | 2 |
| AEJ160L-6 | 11 | 970 | 22.2 | 23.0 | 24.2 | 88 | 0.78 | 150 | 0.35 | 150 | 6.5 | 2 | 2 |
| 型號 | 功率 | 轉速 | 電流 | 效率 | 功率因素 | 制動力矩 | 制動時間 | 勵磁功率 | Ist
/ In |
Tst
/ Tn |
Tm
/ Tn | ||
| (Kw) | (r/min) | 415V | 400V | 380V | (%) | (COSø) | (Nm) | (s) | (w) | ||||
| (A) | (A) | (A) | |||||||||||
| 50Hz 同步轉速 750轉/分 (8極) | |||||||||||||
| AEJ801-8 | 0.18 | 645 | 0.81 | 0.84 | 0.88 | 51 | 0.61 | 7.5 | 0.2 | 30 | 3. | 1.8 | 2 |
| AEJ802-8 | 0.25 | 645 | 1.05 | 1.09 | 1.15 | 54 | 0.61 | 7.5 | 0.2 | 30 | 3.3 | 1.8 | 2 |
| AEJ90S-8 | 0.37 | 670 | 1.36 | 1.42 | 1.49 | 62 | 0.61 | 15 | 0.2 | 50 | 4 | 1.8 | 2 |
| AEJ90L-8 | 0.55 | 670 | 2.00 | 2.07 | 2.18 | 63 | 0.61 | 15 | 0.2 | 50 | 4 | 1.8 | 2 |
| AEJ100L1-8 | 0.75 | 680 | 1.99 | 2.06 | 2.17 | 71 | 0.67 | 30 | 0.2 | 65 | 4 | 1.8 | 2 |
| AEJ100L2-8 | 1.1 | 680 | 2.19 | 2.27 | 2.39 | 73 | 0.69 | 30 | 0.2 | 65 | 5 | 1.8 | 2 |
| AEJ112M-8 | 1.5 | 690 | 4.12 | 4.28 | 4.5 | 75 | 0.69 | 40 | 0.25 | 90 | 5 | 1.8 | 2 |
| AEJ132S-8 | 2.2 | 705 | 5.49 | 5.70 | 6 | 78 | 0.71 | 75 | 0.25 | 90 | 6 | 1.8 | 2 |
| AEJ132M-8 | 3 | 705 | 7.23 | 7.51 | 7.9 | 79 | 0.73 | 75 | 0.25 | 90 | 6 | 1.8 | 2 |
| AEJ160M1-8 | 4 | 720 | 9.4 | 9.8 | 10.3 | 81 | 0.73 | 150 | 0.35 | 150 | 6 | 1.9 | 2 |
| AEJ160M2-8 | 5.5 | 720 | 12.5 | 12.9 | 13.6 | 83 | 0.74 | 150 | 0.35 | 150 | 6 | 2 | 2 |
| AEJ160L-8 | 7.5 | 720 | 16.3 | 16.9 | 17.8 | 86 | 0.75 | 150 | 0.35 | 150 | 6 | 2 | 2 |

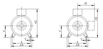
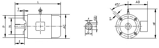
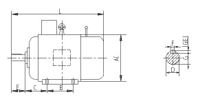
| B3安裝尺寸 (mm) | |||||||||||||||
| 機座 | 極數 | 安裝尺寸 (mm) | 外形尺寸 (mm) | ||||||||||||
| A | B | C | D | E | F | G | H | K | AB | AC | AD | HD | L | ||
| 63M | 2.4 | 100 | 80 | 40 | 11 | 23 | 4 | 8.5 | 63 | 7 | 135 | 130 | 70 | 180 | 285 |
| 71M | 2.4.6 | 112 | 90 | 45 | 14 | 30 | 5 | 11 | 71 | 150 | 145 | 80 | 195 | 314 | |
| 80M | 2.4.6.8 | 125 | 100 | 50 | 19 | 40 | 6 | 15.5 | 80 | 10 | 165 | 175 | 145 | 220 | 355 |
| 90S | 2.4.6.8 | 140 | 100 | 56 | 24 | 50 | 8 | 20 | 90 | 180 | 195 | 155 | 250 | 381 | |
| 90L | 2.4.6.8 | 125 | 406 | ||||||||||||
| 100L | 2.4.6.8 | 160 | 140 | 63 | 28 | 60 | 24 | 100 | 12 | 205 | 215 | 180 | 270 | 439 | |
| 112M | 2.4.6.8 | 190 | 70 | 112 | 230 | 240 | 190 | 300 | 464 | ||||||
| 132S | 2.4.6.8 | 216 | 89 | 38 | 80 | 10 | 33 | 132 | 270 | 275 | 210 | 345 | 542 | ||
| 132M | 2.4.6.8 | 178 | 580 | ||||||||||||
| 160M | 2.4.6.8 | 254 | 210 | 108 | 42 | 110 | 12 | 37 | 160 | 15 | 320 | 330 | 255 | 420 | 720 |
| 160L | 2.4.6.8 | 254 | 765 | ||||||||||||

| B5 安裝尺寸 (mm) | ||||||||||||
| 機座 | 極數 | 法蘭 | 安裝尺寸 (mm) | 外形尺寸 (mm) | ||||||||
| M | N | P1) | R2) | S | T | AC | AD | HF | L | |||
| 63M | 2.4 | FF115 | 115 | 95 | 140 | 0 | 4-∮10 | 3 | 130 | 70 | 130 | 285 |
| 71M | 2.4.6 | FF130 | 130 | 110 | 160 | 3.5 | 145 | 80 | 145 | 314 | ||
| 80M | 2.4.6.8 | FF165 | 165 | 130 | 200 | 4-∮12 | 175 | 145 | 185 | 355 | ||
| 90S | 2.4.6.8 | 195 | 155 | 195 | 381 | |||||||
| 90L | 2.4.6.8 | 406 | ||||||||||
| 100L | 2.4.6.8 | FF215 | 215 | 180 | 250 | 4-∮15 | 4 | 215 | 180 | 245 | 439 | |
| 112M | 2.4.6.8 | 240 | 190 | 265 | 464 | |||||||
| 132S | 2.4.6.8 | FF265 | 265 | 230 | 300 | 275 | 210 | 315 | 542 | |||
| 132M | 2.4.6.8 | 580 | ||||||||||
| 160M | 2.4.6.8 | FF300 | 300 | 250 | 350 | 4-∮19 | 5 | 330 | 255 | 385 | 720 | |
| 160L | 2.4.6.8 | 765 | ||||||||||
| B14 安裝尺寸 (mm) | |||||||||||
| 機座 | 法蘭 | 安裝尺寸 (mm) | 外形尺寸 (mm) | ||||||||
| M | N | P1) | R2) | S | T | AC | AD | HF | L | ||
| 63M | FT75 | 75 | 60 | 90 | 0 | M5 | 2.5 | 130 | 70 | 130 | 285 |
| 71M | FT85 | 85 | 70 | 105 | M6 | 145 | 80 | 145 | 314 | ||
| 80M | FT100 | 100 | 80 | 120 | 3 | 175 | 145 | 185 | 355 | ||
| 90S | FT115 | 115 | 95 | 140 | M8 | 195 | 155 | 195 | 381 | ||
| 90L | 406 | ||||||||||
| 100L | FT130 | 130 | 110 | 160 | 3.5 | 215 | 180 | 245 | 439 | ||
| 112M | 240 | 190 | 265 | 464 | |||||||