|

|
|
|
技術參數 TECHNICAL DATA |
|
|
型號 Type |
電流比 Current ratio |
匯流排截面尺寸 Sectional area dimension of bus bar(mm2) |
根數 Purhase |
額定負荷 Ratedd(VA) |
準確級 Accuracy class |
穿心匝數 Straight throught turn Number |
外形圖 |
|
LMK3(BH)-0.66/B |
5-100/5 |
25*3 |
- |
5 |
0.5 |
- |
圖A |
|
LMK3(BH)-0.66/30I |
15-100/5 |
- |
- |
5 |
0.5 |
2-10 |
圖B |
|
100/5 |
30*10 |
1 |
2.5 |
0.5 |
1 |
圖B |
|
150-400/5 |
30*10 |
1 |
5 |
0.5 |
1 |
圖B |
|
LMK3(BH)-0.66/40I |
15-100/5 |
- |
- |
5 |
0.5 |
2-10 |
圖C |
|
100/5 |
40*10 |
1 |
2.5 |
0.5 |
1 |
圖C |
|
150-600/5 |
40*10 |
1 |
5 |
0.5 |
1 |
圖C |
|
750-800/5 |
40*10 |
1 |
10 |
0.5 |
1 |
圖C |
|
LMK3(BH)-0.66/50I |
200-600/5 |
50*10 50*6 |
1-2 |
5 |
0.5 |
1 |
圖D |
|
750-1000/5 |
50*10 50*6 |
1-2 |
10 |
0.5 |
1 |
圖D |
|
LMK3(BH)-0.66/60I |
200-600/5 |
60*10 60*6 |
1-2 |
5 |
0.5 |
1 |
圖E |
|
750-1000/5 |
60*10 60*6 |
1-2 |
10 |
0.5 |
1 |
圖E |
|
1200-2000/5 |
60*10 60*6 |
1-2 |
15 |
0.5 |
1 |
圖E |
|
LMK3(BH)-0.66/80I |
300-600/5 |
80*10 60*10 |
1-2 |
5 |
0.5 |
1 |
圖F |
|
750-1000/5 |
80*10 60*10 |
1-2 |
10 |
0.5 |
1 |
圖F |
|
1200-2000/5 |
80*10 60*10 |
1-2 |
15 |
0.5 |
1 |
圖F |
|
LMK3(BH)-0.66/100I |
400-600/5 |
100*10 80*10 |
1-2 |
5 |
0.5 |
1 |
圖G |
|
750-1000/5 |
100*10 80*10 |
1-2 |
10 |
0.5 |
1 |
圖G |
|
1200-3000/5 |
100*10 80*10 |
1-2 |
15 |
0.5 |
1 |
圖G |
|
LMK3(BH)-0.66/120I |
800-1000/5 |
120*10 |
1-2 |
10 |
0.5 |
1 |
圖H |
|
1200-4000/5 |
120*10 |
1-2 |
15 |
0.5 |
1 |
圖H | |
|
|
|
型號 Type |
電流比 Current ratio |
匯流排截面尺寸 Sectional area dimension of bus bar(mm2) |
根數 Purhase |
額定負荷 Ratedd(VA) |
準確級 Accuracy class |
穿心匝數 Straight throught turn Number |
外形圖 |
|
LMK3(BH)-0.66/30II |
15-100/5 |
- |
- |
5 |
0.5 |
2-10 |
圖I |
|
100/5 |
30*10 |
1 |
5 |
0.5 |
1 |
圖I |
|
150-400/5 |
30*10 |
1 |
5 |
0.5 |
1 |
圖I |
|
LMK3(BH)-0.66/40II |
150-200/5 |
40*10 |
1-2 |
5 |
1 |
1 |
圖J |
|
250-600/5 |
40*10 |
1-2 |
5 |
0.5 |
1 |
圖J |
|
750-100/5 |
40*10 |
1-2 |
10 |
0.5 |
1 |
圖J |
|
LMK3(BH)-0.66/50II |
150-200/5 |
50*10 |
1-2 |
5 |
1 |
1 |
圖J |
|
250-600/5 |
50*10 |
1-2 |
5 |
0.5 |
1 |
圖J |
|
750-1000/5 |
50*10 |
1-2 |
10 |
0.5 |
1 |
圖J |
|
1200-1500/5 |
50*10 |
1-2 |
15 |
0.5 |
1 |
圖J |
|
LMK3(BH)-0.66/60II |
300-600/5 |
60*10 |
1-2 |
5 |
0.5 |
1 |
圖J |
|
750-1000/5 |
60*10 |
1-2 |
10 |
0.5 |
1 |
圖J |
|
1200-2000/5 |
60*10 |
1-2 |
15 |
0.5 |
1 |
圖J |
|
LMK3(BH)-0.66/80II |
400-600/5 |
80*10 |
1-2 |
5 |
0.5 |
1 |
圖J |
|
750-1000/5 |
80*10 |
1-2 |
10 |
0.5 |
1 |
圖J |
|
1200-2500/5 |
80*10 |
1-2 |
15 |
0.5 |
1 |
圖J |
|
LMK3(BH)-0.66/100II |
500-600/5 |
100*10 |
1-2 |
5 |
0.5 |
1 |
圖J |
|
750-1000/5 |
100*10 |
1-2 |
10 |
0.5 |
1 |
圖J |
|
1200-3000/5 |
100*10 |
1-2 |
15 |
0.5 |
1 |
圖J |
|
LMK3(BH)-0.66/120II |
800-1000/5 |
120*10 |
1-3 |
10 |
0.5 |
1 |
圖J |
|
1200-5000/5 |
120*10 |
1-3 |
15 |
0.5 |
1 |
圖J | |
| |
外形及安裝尺寸 OUTLINE DRAWINGS AND DIMENSIONS |
|
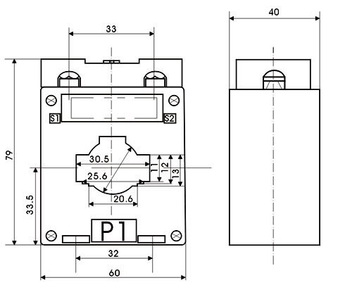
| LMK3(BH)-0.66/B(圖A) |
|


|
| LMK3(BH)-0.66/30I(圖B) |
 |
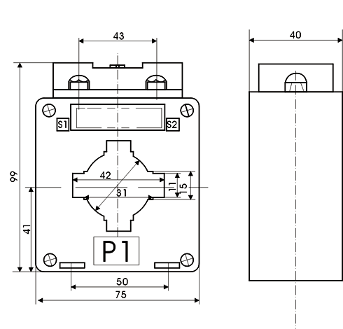
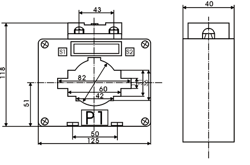
| LMK3(BH)-0.66/40I(圖C) |
 |
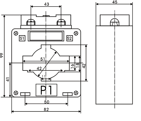
| LMK(BH)-0.66/50I(圖D) |
 |
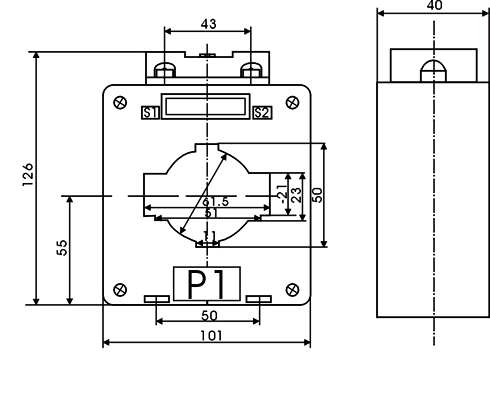
| LMK3(BH)0.66/60I(圖E) |
 |
| LMK3(BH)-0.66/80I(圖F) |
 |
| LMK3(BH)-0.66/100I(圖G) |
 |
| LMK3(BH)-0.66/120I(圖H) |
 |
| LMK3(BH)-0.66/30II(圖I) |
 |
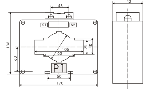
| LMK3(BH)-0.66/40-120II(圖J) |
 |
|
型號 |
A |
B |
A1 |
A2 |
H |
h |
C |
|
BH-0.66/40II |
42 |
32 |
45 |
79 |
104 |
44 |
47 |
|
BH-0.66/50II |
52 |
32 |
54 |
87 |
106 |
45 |
46 |
|
BH-0.66/60II |
62 |
32 |
42 |
102 |
111 |
44 |
48 |
|
BH-0.66/80II |
83 |
32 |
60 |
122 |
118 |
50 |
47 |
|
BH-0.66/100II |
102 |
32 |
74 |
140 |
123 |
51 |
50 |
|
BH-0.66/120II |
122 |
52 |
54 |
168 |
153 |
69 |
48 |
| |
 |
|
圖L 二片絕緣片壓緊法 Diagram two-strainght metal flake tight |
|
 |
|
圖N 多匯流排壓緊法 Diagram n strainght metal flake tinht |
|
| | | |
| 注:本公司常規配制圖K、圖L安裝附件,如需采用圖M、圖N安裝方式請在訂貨時聲明。 |