| 產品名稱: | ZW系列(微型)振動電機 | |||||
| 型號規格: | ![]() |
|||||
| 產品類別: | 常規產品 -- 電機產品 -- 振動電機 | |||||
| 參考價格: | 廠價直銷 | |||||
| 產品品牌: | 國產 | |||||
| 產品產地: | 上海 | |||||
| 可供數量: | 批量 | |||||
| 供貨周期: | 現貨(或電詢) | |||||
|
||||||
| 產品簡介: |
|
|||||
| 型號 | 最大激振力KN | 額定功率 KW | 安裝尺寸(mm) | 外型尺寸(mm) | 重量 (Kg) | |||||||
| A | B | H | K | AB | BB | HD | G | L | ||||
| ZW-0.6-2 | 0.6 | 0.07 | 110 | 100 | 75 | 12 | 140 | 130 | 140 | 17 | 240 | 10 |
| ZW-0.7-4 | 0.7 | 0.075 | 110 | 100 | 75 | 12 | 140 | 130 | 140 | 17 | 240 | 10 |
| 型號 | 最大 激振力 (KN) |
轉速 (Rpm) |
額定 功率 (Kw) |
額定 電流 (A) |
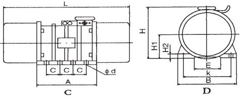
安裝尺寸 (mm) |
外形尺寸(mm) | |||||||||
| C | k | φd | L | A | B | E | H | H1 | H2 | 圖號 | |||||
| 0.7-2 | 0.7 | 2860 | 0.075 | 0.24 | 100 | 140 | 9 | 282 | 150 | 170 | 60 | 152 | 70 | 20 | AD |
| 1.5-2 | 1.5 | 2860 | 0.15 | 0.4 | 100 | 150 | 13 | 302 | 150 | 180 | 70 | 176 | 85 | 20 | AD |
| 2.5-2 | 2.5 | 2860 | 0.25 | 0.58 | 100 | 150 | 13 | 312 | 150 | 180 | 70 | 176 | 85 | 20 | AD |
| 5-2 | 5 | 2860 | 0.40 | 1.02 | 100 | 200 | 16 | 350 | 180 | 250 | 150 | 230 | 120 | 25 | AD |
| 8-2 | 8 | 2860 | 0.75 | 1.76 | 135 | 230 | 18 | 407 | 245 | 280 | 130 | 276 | 140 | 25 | AD |
| 10-2 | 10 | 2860 | 1.1 | 2.56 | 135 | 230 | 18 | 425 | 245 | 280 | 130 | 276 | 140 | 25 | AD |
| 16-2 | 16 | 2860 | 1.5 | 3.7 | 190 | 260 | 22 | 514 | 300 | 310 | 140 | 327 | 170 | 25 | AD |
| 20-2 | 20 | 2860 | 1.8 | 4.26 | 190 | 260 | 22 | 544 | 300 | 310 | 140 | 327 | 170 | 25 | AD |
| 30-2 | 30 | 2860 | 3 | 7.6 | 190 | 260 | 26 | 550 | 300 | 310 | 140 | 327 | 170 | 25 | AD |
| 1.2-4 | 1.2 | 1460 | 0.10 | 0.34 | 100 | 150 | 13 | 302 | 150 | 180 | 70 | 176 | 85 | 20 | AD |
| 2.5-4 | 2.5 | 1460 | 0.10 | 0.34 | 100 | 150 | 13 | 320 | 150 | 180 | 70 | 176 | 85 | 20 | AD |
| 5-4 | 5 | 1460 | 0.25 | 0.65 | 100 | 200 | 16 | 374 | 180 | 250 | 150 | 230 | 120 | 25 | AD |
| 8-4 | 8 | 1460 | 0.40 | 1.16 | 135 | 230 | 18 | 417 | 245 | 280 | 130 | 276 | 140 | 25 | AD |
| 10-4 | 10 | 1460 | 0.55 | 1.59 | 135 | 230 | 18 | 437 | 245 | 280 | 130 | 276 | 140 | 25 | AD |
| 16-4 | 16 | 1460 | 0.75 | 1.91 | 140 | 260 | 22 | 454 | 250 | 310 | 140 | 327 | 170 | 25 | AD |
| 20-4 | 20 | 1460 | 1.1 | 2.81 | 140 | 260 | 22 | 454 | 250 | 310 | 140 | 327 | 170 | 25 | AD |
| 25-4 | 25 | 1460 | 1.5 | 3.84 | 190 | 260 | 26 | 500 | 300 | 310 | 140 | 327 | 170 | 25 | AD |
| 32-4 | 32 | 1460 | 2 | 4.69 | 190 | 260 | 26 | 520 | 300 | 310 | 140 | 327 | 170 | 25 | AD |
| 40-4 | 40 | 1460 | 2.2 | 5.1 | 220 | 320 | 32 | 550 | 340 | 400 | 170 | 420 | 170 | 25 | AD |
| 50-4 | 50 | 1460 | 2.5 | 6.3 | 220 | 320 | 32 | 590 | 340 | 400 | 170 | 420 | 225 | 30 | AD |
| 75-4 | 75 | 1460 | 4 | 10.18 | 135 | 380 | 32 | 806 | 470 | 480 | 270 | 456 | 230 | 35 | BD |
| 100-4 | 100 | 1460 | 6 | 15.8 | 135 | 380 | 32 | 870 | 470 | 480 | 270 | 456 | 230 | 35 | BD |
| 120-4 | 120 | 1460 | 8 | 19.6 | 118 | 460 | 38 | 904 | 520 | 550 | 340 | 508 | 260 | 38 | CD |
| 140-4 | 140 | 1460 | 10 | 24.16 | 118 | 460 | 38 | 980 | 520 | 550 | 340 | 508 | 260 | 38 | CD |
| 160-4 | 160 | 1460 | 12 | 28.5 | 120 | 510 | 45 | 1000 | 520 | 610 | 360 | 533 | 270 | 40 | CD |
| 2.5-6 | 2.5 | 980 | 0.2 | 0.71 | 100 | 200 | 16 | 365 | 180 | 250 | 150 | 230 | 120 | 25 | AD |
| 5-6 | 5 | 980 | 0.4 | 1.23 | 100 | 200 | 16 | 400 | 180 | 250 | 150 | 230 | 120 | 25 | AD |
| 8-6 | 10 | 980 | 0.55 | 1.68 | 135 | 230 | 18 | 457 | 245 | 280 | 130 | 276 | 140 | 25 | AD |
| 10-6 | 10 | 980 | 0.75 | 2.3 | 135 | 230 | 18 | 457 | 245 | 280 | 130 | 276 | 140 | 25 | AD |
| 15-6 | 15 | 980 | 1.1 | 3.35 | 140 | 260 | 22 | 438 | 250 | 310 | 140 | 327 | 170 | 25 | AD |
| 18-6 | 18 | 980 | 1.1 | 3.65 | 140 | 260 | 22 | 430 | 250 | 310 | 140 | 327 | 170 | 25 | AD |
| 20-6 | 20 | 980 | 1.5 | 3.8 | 140 | 260 | 22 | 454 | 250 | 310 | 140 | 327 | 170 | 25 | AD |
| 26-6 | 26 | 980 | 1.9 | 4.8 | 140 | 260 | 22 | 490 | 250 | 310 | 140 | 327 | 170 | 25 | AD |
| 30-6 | 30 | 980 | 2.2 | 5.52 | 160 | 320 | 32 | 502 | 290 | 390 | 190 | 380 | 200 | 28 | AD |
| 40-6 | 40 | 980 | 3 | 7.7 | 160 | 320 | 32 | 536 | 290 | 390 | 190 | 380 | 200 | 28 | AD |
| 50-6 | 50 | 980 | 3.7 | 9.8 | 220 | 320 | 32 | 590 | 340 | 400 | 170 | 420 | 225 | 30 | AD |
| 75-6 | 75 | 980 | 5.5 | 13.3 | 135 | 380 | 32 | 806 | 470 | 480 | 270 | 456 | 230 | 35 | BD |
| 100-6 | 100 | 980 | 7.5 | 18 | 135 | 380 | 32 | 900 | 470 | 480 | 270 | 456 | 230 | 35 | BD |
| 120-6 | 120 | 980 | 9 | 23 | 118 | 460 | 38 | 904 | 520 | 550 | 340 | 508 | 260 | 38 | CD |
| 130-6 | 130 | 980 | 10 | 25 | 118 | 460 | 38 | 950 | 520 | 550 | 340 | 508 | 260 | 38 | CD |
| 140-6 | 140 | 980 | 12 | 28.5 | 118 | 460 | 38 | 980 | 520 | 550 | 340 | 508 | 260 | 38 | CD |
| 150-6 | 150 | 980 | 13 | 31 | 118 | 460 | 38 | 1000 | 520 | 550 | 340 | 508 | 260 | 38 | CD |
| 160-6 | 160 | 980 | 14 | 32 | 120 | 510 | 45 | 1000 | 520 | 610 | 360 | 533 | 270 | 40 | CD |
| 180-6 | 180 | 980 | 16 | 36 | 120 | 510 | 45 | 1300 | 520 | 610 | 360 | 533 | 270 | 40 | CD |