| 產品名稱: | 800G系列數字電測表 | |||||
| 型號規格: | ![]() |
|||||
| 產品類別: | 常規產品 -- 儀器儀表 -- 便攜數字儀表 | |||||
| 參考價格: | 廠價直銷 | |||||
| 產品品牌: | 二工 | |||||
| 產品產地: | 上海 | |||||
| 可供數量: | 批量 | |||||
| 供貨周期: | 現貨(或電詢) | |||||
|
||||||
| 產品簡介: |
|
|||||
| 性能 | 參數 | ||
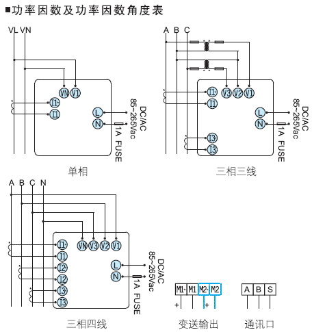
| 輸入測量顯示 | 網絡 | 單相、三相三線、三相四線 | |
| 電壓 | 額定值 | AC100V、400V | |
| 過負荷 | 長期過負荷1.2倍;短期過負荷2倍(60S) | ||
| 功耗 | <1VA(每相) | ||
| 阻抗 | >300kΩ | ||
| 精度 | 具有效值測量,精度等級0.2級、0.5級 | ||
| 電流 | 額定值 | AC1A、5A | |
| 過負荷 | 長期過負荷1.2倍;瞬時負荷10倍(5S) | ||
| 功耗 | <0.4VA(每相) | ||
| 阻抗 | <20mΩ | ||
| 精度 | 真有效值測量,精度等級0.2級、0.5級 | ||
| 頻率 | 40-65HZ,精度0.05HZ | ||
| 功率 | 有功、無功、視在功率,精度0.5級 | ||
| 電能 | 四象限計量,有功精度0.5級,無功精度1.0級 | ||
| 顯示 | 可編程設置、切換、循環、LED顯示、LCD顯示 | ||
| 工作電源 | 工作范圍 | AC、DC 85V-265V | |
| 功耗 | ≤5VA | ||
| 輸出可編程 | 數字接口 | RS485、MODBUS-RTU協議 | |
| 及沖輸出 | 2路電能脈沖輸出,固態繼電器,脈沖常數10000imp/KWh | ||
| 4-20mA變送器 | 0.5級 | ||
| 環境 | 工作環境 | -20-65℃ | |
| 儲存環境 | -40-85℃ | ||
| 安全 | 耐壓 | 輸入、輸出、電源三者之間均>2kV | |
| 絕緣 | 輸入、輸出、電源對機殼>5MΩ | ||

| P□800G-□ | □ | □ | /□ | |||||||||||
| 企業代號和功能代號 | 外形尺寸 | 相數 | 附加功能 | |||||||||||
| 功能型號 |
交流電流 | 交流電壓 | 有功功率 | 無功功率 | 功率因數 | 相位表 | 頻率 | 有功電能 | 無功電能 | 直流電流 | 直流電壓 | 1-96×96 2-96×48 3-80×80 4-72×72 5-48×48 |
1-單相, 可以省略 3-三相三線 4-三相四線 |
M-路模擬量 2M-兩路模擬量 R-RS485通訊接口 Dl-路開關量輸入 2Dl-兩路開關量輸入 3Dl-三路開關量輸入 4Dl-四路開關量輸入 5Dl-五路開關量輸入 6Dl-六路開關量輸入 DO-一路開關量輸出 2DO-兩路開關量輸出 3DO-三路開關量輸出 4DO-四路開關量輸出 5DO-五路開關量輸出 6DO-六路開關量輸出 C-液晶(LCD)顯示 以上功能如果不選可以不標/T-真有效值測量 |
| PA800G-Z | ● | |||||||||||||
| PZ800G-Z | ● | ● | ||||||||||||
| PA800G-A | ● | |||||||||||||
| PZ800G-A | ● | |||||||||||||
| PS800G-A | ● | |||||||||||||
| PW800G-A | ● | |||||||||||||
| PX800G-A | ● | |||||||||||||
| PX800G-B | ● | |||||||||||||
| PP800G-A | ● | |||||||||||||
| PT800G-A | ● | |||||||||||||
| PD800G-B | ● | ● | ||||||||||||
| PD800G-C | ● | ● | ||||||||||||
| PD800G-D | ● | ● | ||||||||||||
| PD800G-E | ● | ● | ||||||||||||
| PD800G-F | ● | ● | ● | ● | ||||||||||
| PD800G-M | ● | ● | ● | ● | ● | ● | ● | ● | ● | |||||
| PD800G-X | ◎ | ◎ | ◎ | ◎ | ◎ | ◎ | ◎ | ◎ | ◎ | |||||





