| 產品名稱: | ZYJ53系列40W-160W永磁直流電機 | |||||
| 型號規格: | ![]() |
|||||
| 產品類別: | 常規產品 -- 備品配件 -- 操作機構電機 | |||||
| 參考價格: | 廠價直銷 | |||||
| 產品品牌: | 國產 | |||||
| 產品產地: | 上海 | |||||
| 可供數量: | 批量 | |||||
| 供貨周期: | 現貨(或電詢) | |||||
|
||||||
| 產品簡介: |
|
|||||

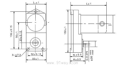
|
型號 |
L |
L1 |
H |
H1 |
D |
|
ZYJ66-01 70W |
127 |
71 |
51.3 |
43.8 |
φ66 |
|
ZYJ66-02 120W |
145 |
71 |
51.3 |
43.8 |
φ66 |
|
ZYJ66-03 160W |
176 |
71 |
67.5 |
57.5 |
φ66 |
|
ZYJ53-01 40W |
120 |
53 |
48.8 |
41.3 |
φ53 |
|
型號 |
電壓V |
額定電流A |
額定功率W |
額定轉矩Nm |
額定轉速y/min |
|
ZYJ66-01 |
DC220 DC110 |
0.7 1.4 |
70 |
≥130 |
17 |
|
ZYJ66-02 |
DC220 DC110 |
1.2 2.2 |
120 |
≥250 |
17 |
|
ZYJ66-03 |
DC220 DC110 |
1.6 3.2 |
230 |
≥350 |
17 |
|
ZYJ53-01 |
DC220 DC110 |
0.5 1.0 |
40 |
≥80 |
13 |