| 產品名稱: | CWB2戶外銅導體穿墻瓷套管 | |||||
| 型號規格: | ![]() |
|||||
| 產品類別: | 常規產品 -- 高壓電器 -- 高壓穿墻套管 | |||||
| 參考價格: | 廠價直銷 | |||||
| 產品品牌: | 國產 | |||||
| 產品產地: | 上海 | |||||
| 可供數量: | 批量 | |||||
| 供貨周期: | 現貨(或電詢) | |||||
|
||||||
| 產品簡介: |
|
|||||


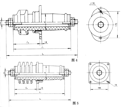
| 型號 | 工廠代號 | 額定電壓kV | 額定電流A | 圖號 | 主要尺寸 mm | 重量 kg | ||||||||
| L | l1 | l2 | d | d1 | 爬電距離 | |||||||||
| CWB2-7.2/400 | 2400 | 7.2 | 400 | 4 | 470 | 378 | 178 | 108 | M14 | 190 | 8.6 | |||
| CWB2-7.2/630 | 2401 | 7.2 | 630 | 490 | 378 | 178 | 108 | M20 | 190 | 8.1 | ||||
| CWB2-7.2/1000 | 2402 | 7.2 | 1000 | 520 | 378 | 178 | 108 | M30 | 190 | 10.5 | ||||
| CWB2-7.2/1600 | 2403 | 7.2 | 1600 | 520 | 378 | 178 | 108 | M39 | 190 | 12.7 | ||||
| CWB2-12/400 | 2425 | 12 | 400 | 540 | 448 | 223 | 108 | M14 | 250 | 10.6 | ||||
| CWB2-12/630 | 2426 | 12 | 630 | 550 | 448 | 223 | 108 | M20 | 250 | 10.6 | ||||
| CWB2-12/1000 | 2427 | 12 | 1000 | 590 | 448 | 223 | 108 | M30 | 250 | 12.7 | ||||
| CWB2-12/1600 | 2428 | 12 | 1600 | 600 | 448 | 223 | 108 | M39 | 250 | 15.5 | ||||
| CWC-12/1000 | 2429 | 12 | 1000 | 5 | 670 | 530 | 270 | 140 | M30 | 400 | 19.3 | |||
| CWC-12/1600 | 2430 | 12 | 1600 | 670 | 530 | 270 | 140 | M39 | 400 | 22.5 | ||||
| CWC-12/2000 | 2431 | 12 | 2000 | 700 | 530 | 270 | 140 | M45 | 400 | 25.7 | ||||
| 型號 | 工廠 代號 |
額定 電壓kV |
額定 電流A |
圖號 | 主要尺寸 mm | 重量 kg | |||||||||||||
| L | l1 | l2 | l3 | d | d1 | d2 | a | a1 | a2 | b | b1 | B | 爬電 距離 | ||||||
| CWC-24/2000 | 2450 | 24 | 2000 | 6 | 920 | 740 | 360 | 15 | 230 | 15 | 15 | 220 | 40 | 20 | 80 | 8 | 270 | 500 | 42 |
| CWC-24/2500 | 2451 | 24 | 2500 | 920 | 740 | 360 | 15 | 230 | 15 | 15 | 220 | 40 | 20 | 80 | 10 | 270 | 500 | 44 | |
| CWC-24/3150 | 2452 | 24 | 3150 | 920 | 740 | 360 | 15 | 230 | 15 | 15 | 220 | 40 | 20 | 100 | 10 | 270 | 500 | 46 | |
| CWB-12/1000 | 24200 | 12 | 1000 | 7 | 530 | 380 | 180 | 22 | 115 | 13 | 12 | 175 | 30 | 15 | 60 | 10 | 300 | 9.2 | |
CWB2戶外銅導體穿墻瓷套管