一、用途
DZD2-5A型電磁剎車器,適用于FA506、FA502及其它型號的細紗機在適位停車時的主軸制動剎車。也適用于其它機械傳動系統中定位剎車等場合。
二、使用條件
電磁剎車器能在下列條件下可靠工作。
1、周圍空氣相對濕度不大于85%;
2、周圍介質中,無足以腐蝕金屬和破壞絕緣的氣體及塵埃;
3、剎車器線圈采用B級絕緣,額定工作電壓波動不超過+5%~-15%;
三、工作原理和性能特點
DZD2-5A型電磁剎車器主要有勵磁部分(磁軛、線圈、摩擦片)和聯接組合件(聯接、銜鐵、彈簧片)兩部分組成(參見圖一)。當勵磁線圈通電時,產生磁通,磁軛吸合銜鐵,閉合磁路。從而產生摩擦力矩,使傳動部分剎車制動。當線圈斷電后,銜鐵在彈簧片的作用下釋放回位,使制動解除。該剎車器屬于干式單片,它沒有空載力矩,接通和斷開時間短,使用壽命長,性能穩定,且結構緊湊,安裝維修方便,是紡織機械中最理想的自動化執行元件。
四、性能參數
制動力矩Me:50N.m接通時間不大于160ms
額定工作電壓DC:24V斷開時間不大于100ms
額定功率P20℃:32W允許最大相對轉速3000rpm
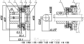
五、結構安裝簡圖(附圖一、二)

六、安裝及使用
1、摩擦片表面及銜鐵表面不得有油污,安裝前必需清理干凈。
2、用螺釘將勵磁部分固定在基座上,聯接組合件與傳動軸固定連接(不應有軸竄動)。
3、勵磁部分工作面與銜鐵工作面之間初始安裝工作氣隙為δ=0.5mm.
4、剎車器在使用過程中不需要經常調整,在長期連續工作情況下,由于摩擦面的摩損使間隙過大。當不能正常吸合時,應重新調整工作氣隙。