| 產品名稱: | GN24-12D型高壓隔離開關 | |||||
| 型號規格: | ![]() |
|||||
| 產品類別: | 常規產品 -- 高壓電器 -- 戶內隔離開關 | |||||
| 參考價格: | 廠價直銷 | |||||
| 產品品牌: | 國產 | |||||
| 產品產地: | 上海 | |||||
| 可供數量: | 批量 | |||||
| 供貨周期: | 現貨(或電詢) | |||||
|
||||||
| 產品簡介: |
|
|||||
GN24-12D型高壓隔離開關概述
使用環境條件
海拔1000m;
周圍空氣溫度:-30℃~+40℃;
周圍環境相對濕度:日平均值不大于95%, 月平均值不大于90%;
無劇烈振動擺動式沖擊場所;
無火災、爆炸、腐蝕金屬、破壞絕緣的有毒氣體及導電塵埃的場所;
GN24-12D型高壓隔離開關型號及含義 
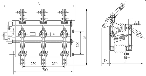
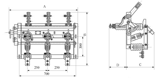
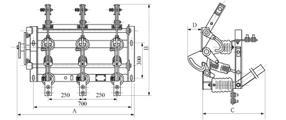
GN24-12D型高壓隔離開關外型及安裝尺寸
圖1、GN24-12(D)型 
圖2、GN24-12D(C)型 
圖3、GN24-12D Ⅱ型 
圖4、GN24-12D(C)Ⅱ型
GN24-12D型高壓隔離開關