| 產品名稱: | Y-100ML/Y-100MF隔膜式壓力表 | |||||
| 型號規格: | ![]() |
|||||
| 產品類別: | 常規產品 -- 儀器儀表 -- 壓力表 | |||||
| 參考價格: | 廠價直銷 | |||||
| 產品品牌: | 國產 | |||||
| 產品產地: | 上海 | |||||
| 可供數量: | 批量 | |||||
| 供貨周期: | 現貨(或電詢) | |||||
|
||||||
| 產品簡介: |
|
|||||


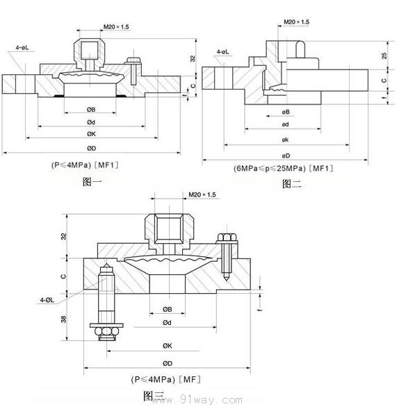
|
代號 |
量程上限值P(MPa) |
推薦法蘭標準代號 |
突面法蘭尺寸(Mm) |
尺寸圖 | ||||||
|
D |
K |
f |
f |
L |
C |
B | ||||
|
MF1 |
4 |
JIS-10/20K 50A |
155 |
120 |
100 |
3 |
19 |
18 |
50 |
圖一 |
|
4 |
50-1.0/4.0HGJ46 |
160 |
125 |
100 |
3 |
19 |
18 |
50 | ||
|
4 |
ANSI-2B 150LB |
152 |
121 |
92.1 |
3 |
19 |
18 |
2" | ||
|
4 |
ANSI-2B 300/100LB |
165 |
127 |
92.1 |
3 |
19 |
18 |
2" | ||
|
6~10 |
25-10.0 HGJ47 |
125 |
89 |
50.8 |
7 |
20 |
20 |
25 |
圖二 | |
|
6~10 |
25-10.0 HGJ47 |
165 |
127 |
92.1 |
3.5 |
20 |
26 |
50 | ||
|
16~25 |
20~25.0 HGJ53 |
130 |
89 |
43 |
7 |
22 |
20 |
25 | ||
|
MF |
4 |
25-4.0 DIN |
115 |
85 |
65 |
3 |
M12 |
26 |
25 |
圖三 |


|
腐蝕介質
|
耐腐蝕材料
| |||||
|
錫青銅(QSn6.5-0.4)
|
SUS316
|
純鉭(Ta)
|
蒙耐爾(Ni70Cu30)
|
哈氏合(HC)
|
聚四氟乙烯(F4)
| |
|
硫酸(H2SO4) |
V |
△ |
○ |
V |
V |
V |
|
硝酸(HNO3) |
╳ |
V |
○ |
╳ |
V |
V |
|
鹽酸(HCI) |
△ |
╳ |
○ |
╳ |
V |
V |
|
磷酸(H3PO4) |
V |
V |
○ |
V |
V |
V |
|
醋酸(CH3COOH) |
V |
V |
○ |
V |
○ |
V |
|
燒堿(NaOH) |
△ |
○ |
△ |
○ |
○ |
V |
|
純堿(Na2CO3) |
○ |
○ |
○ |
○ |
V |
V |
|
小蘇打(NaHCO3) |
V |
○ |
○ |
○ |
○ |
V |
|
氯氣(CI) |
干:V 濕:╳ |
干:V 濕:╳ |
○ |
干:V 濕:╳ |
V |
V |
|
溴(Br2) |
干:△ 濕:╳ |
干:╳ 濕:△ |
○ |
干:○ 濕:╳ |
○ |
V |
|
氨水(NH3) |
╳ |
V |
╳ |
╳ |
○ |
V |
|
海水(30% NaCI) |
V |
V |
○ |
○ |
○ |
V |
|
符號說明:○——最佳;△——有條件使用;V——可以使用;╳——不可以使用。 | ||||||