概述
UQZ-58D系列頂裝式磁性浮子液位計(一下簡稱液位計)是用來測量工藝生產過程中容器內的介質液位。它是頂裝式多功能液位計,既能就地指示、遠傳數字顯示、報警及控制,又能用于腐蝕介質與防爆工作環境場所。配用遠傳變送器,輸出4~20mADC標準電信號,可與DDZ-Ⅲ型電動單元組合儀表配套,用于工業生產自動化控制系統,廣泛應用于石油、化工、醫藥、輕工等工業部門。
液位計按化工部HG/T21584-95標準(UHZ系列指示磁性浮子液位計)制造。
特點
結構簡單,安裝使用方便。
測量范圍大,功能多。
耐腐蝕,能防爆。
UQZ-58D系列頂裝式磁性浮子液位計主要技術參數
基本型就地指示式液位計
測量范圍:0-6000mm。
指示誤差:±10mm。
額定工作壓力:0.6、1.6及2.5MPa。
公稱通徑:DN150mm。
使用介質溫度:-40~+250℃。
使用介質密度:不少于0.45g/cm3。
遠傳(變送)裝置
測量范圍:0-6000mm。
輸出信號:4~20mADC。
基本誤差:±10mm。
供電電源:24VDC。
負載電源:250Ω(不包括導線電阻200Ω)。
最大遠傳距離:3Km。
防爆類型與標志:1、ibⅡCT4本質安全型;2、dⅡBT4隔爆型。
關聯設備:LB830齊納安全冊(用于本質安全型變送器)。
報警器
1、供電電源電壓:1.24VDC 2.20VAC,50Hz
2、輸出信號:二常開,二常閉開關信號
3、開關觸點容量:220V,2A
4、工作壽命:﹥105次
5、報警精度:±5mm
6、環境溫度:-40~+60℃
7、環境振動:頻率≤25Hz振幅≤0.5mm
8、防爆型式及防爆標志:經化工部電氣儀表防爆質量監督中心檢驗合格。防爆標志dIIBT4。
9、報警開關防爆軟管接口:M20×1.5內螺紋。
結構原理
基本型液位計筒體內裝有磁性浮子,它隨容器內的液體升降而上下移動,并借助磁耦合傳遞作用使磁性浮子同步驅動液位指示器,從而實現就地指示液位。
遠傳變送器的測量電路總電阻值是隨著液位升降的磁性浮子的磁感應作用而發生相應變化,并經電子模塊放大等處理后轉換為4-20mADC標準電信號遠傳至二次儀表(指示、記錄或控制儀表)。
塊放大等處理后轉換為4-20mADC標準電信號遠傳至二次儀表(指示、記錄或控制儀表)。
報警器是借助磁耦合傳遞作用,驅動報警器中的隨動元件,使接近開關動作來實現液位報警與控制。
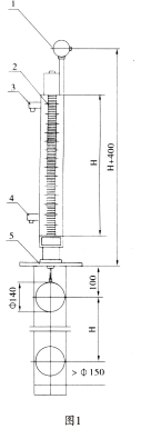
外形尺寸
基本型液位計配有液位遠傳變送器與報警器的外形與尺寸圖1。
安裝
基本型液位計采用JB/T82.2-94、DN150mm、PN1.6MPa或PN2.5MPa平面法蘭安裝,在工藝容器,在工藝容器、貯槽頂上由用戶配置同一標準與規格的平面法蘭。
遠傳變送器與報警器的導線引入接頭:M20×1.5內螺紋接頭。
訂貨須知
詳細注明液位計型號、名稱、測量范圍、使用介質名稱與密度,額定工作壓力溫度及訂貨臺數。
用戶如有特殊要求時(如耐腐蝕材料等),應予以說明。
1、 遠傳變送器
2、 指示面板液位計
3、 上限報警器
4、 下限報警器
5、 法蘭
