| 產品名稱: | GT型氣動活塞式執行機構 | |||||
| 型號規格: | ![]() |
|||||
| 產品類別: | 常規產品 -- 泵閥管件 -- 氣動執行機構 | |||||
| 參考價格: | 廠價直銷 | |||||
| 產品品牌: | 國產 | |||||
| 產品產地: | 上海 | |||||
| 可供數量: | 批量 | |||||
| 供貨周期: | 現貨(或電詢) | |||||
|
||||||
| 產品簡介: |
|
|||||
概述
GT型氣動活塞式執行機構由緊湊的雙(單)活塞齒輪、齒條式結構,嚙合精確,傳動平穩,輸出扭矩穩定,缸體為擠壓鋁合金,并經硬質陽極氧化處理,表面質地堅硬,耐磨性強。活塞和輸出軸的活動部位均安裝耐磨性材料支承,避免金屬件間的直接接觸,減小磨損和摩擦。缸體、端蓋、輸出軸、彈簧、緊固件均經防腐處理。兩端的調節螺釘可調整閥門的開度。重量輕、傳動靈活,使用壽命長。(單作用式的彈簧經預壓縮后安裝、易安裝、拆卸、且安全性好)
特點
1、緊湊的雙活塞齒條式結構,嚙合精確,效率高,輸出扭矩恒定。
2、鋁制缸體、活塞及端蓋,與同規格結構的執行器相比重量最輕。
3、缸體為擠壓鋁合金,經硬質陽極氧化處理,內表面質地堅硬,強度,硬度高。采用低摩擦材料制成的滑動軸承,避免了金屬間的相互直接接觸,摩擦系數低,轉動靈活,使用壽命長。
4、氣動執行器與閥門連接符合ISO5211標準
5、氣源孔符合NAMUR標準。
6、氣動執行器底部軸裝配孔(符合ISO5211標準)成雙四方形,便于帶方桿的閥線性或45°轉角安裝。
7、輸出軸的頂部和頂部的孔符合NAMUR標準。
8、兩端的調整螺釘可調整閥門的開啟角度。
9、相同規格的有雙作用式、單作用式(彈簧復位)。
10、可根據閥門需要選擇方向,順時針或逆時針旋轉。
11、根據用戶需要安裝電磁閥、定位器(開度指示)、回信器、各種限位開關及手動操作裝置。
GT型氣動活塞式執行機構工作原理 
壓縮空氣由A工作孔輸入,氣缸內氣壓推動活塞向兩邊移動,輸出軸逆時針旋轉,帶動閥門實現啟閉操作。壓縮空氣由B工作孔輸入,氣缸內氣壓推動活塞向中心靠攏,輸出軸逆時針旋轉,帶動閥門實現啟閉操作。 
壓縮空氣由A工作孔輸入,氣缸內氣壓推動活塞向兩邊移動,輸出軸逆時針旋轉,帶動閥門實現啟閉操作。 失電或斷氣時,由于彈簧的作用使活塞向中心靠攏,輸出軸順時針方向旋轉,帶動閥門實現啟閉操作。
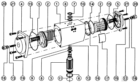
GT型氣動活塞式執行機構主要零部件材料
|
序號 |
名稱 |
數量 |
序號 |
名稱 |
數量 |
|
1 |
殼體 |
1 |
12 |
軸上O型圈 |
1 |
|
2 |
活塞 |
2 |
13 |
螺栓密封O型圈 |
1 |
|
3 |
旋轉軸 |
1 |
14 |
活塞O型圈 |
1 |
|
4 |
端蓋 |
2 |
15 |
端蓋密封圈 |
2 |
|
5 |
彈簧/彈簧座 |
8-12 |
16 |
活塞導向環 |
2 |
|
6 |
下軸承 |
1 |
17 |
活塞軸瓦 |
2 |
|
7 |
彈性擋圈 |
1 |
18 |
端蓋平墊圈 |
2 |
|
8 |
軸中墊圈 |
2 |
19 |
調節螺栓 |
2 |
|
9 |
上軸承 |
1 |
20 |
六角螺母 |
2 |
|
10 |
軸上平墊圈 |
1 |
21 |
內六角螺母 |
8 |
|
11 |
軸下O型圈 |
1 |
|
型號規格 |
輸出扭矩(N.m) | |||||
|
0.3MPa |
0.4MPa |
0.5MPa |
0.6MPa |
0.7MPa |
0.8 MPa | |
|
GT52 |
12.7 |
16.9 |
21.2 |
25.4 |
29.7 |
33.9 |
|
GT63 |
18.7 |
24.9 |
31.1 |
37 |
43.6 |
49.8 |
|
GT83 |
45.4 |
60.6 |
75.7 |
90.8 |
106 |
121.1 |
|
GT92 |
63.8 |
84.8 |
106 |
127.2 |
148.4 |
169.6 |
|
GT110 |
91.2 |
121.6 |
152 |
182.4 |
212.8 |
243.2 |
|
GT127 |
182.4 |
243.2 |
304 |
364.8 |
425.6 |
486.4 |
|
GT160 |
361.9 |
482.4 |
603.1 |
723.6 |
844.2 |
964.8 |
|
GT190 |
754 |
1005 |
1256 |
1507 |
1759 |
2010 |
|
GT210 |
810 |
1075 |
1344 |
1613 |
1882 |
2151 |
|
GT255 |
1654 |
2206 |
2757 |
3309 |
3860 |
4412 |
|
GT300 |
2544 |
3392 |
4241 |
5089 |
5937 |
6784 |
|
GT350 |
4040 |
5387 |
6734 |
8081 |
9428 |
10774 |
|
型號 |
彈簧 |
空氣壓力(dar) |
彈簧復位 | ||||||||
|
數量 |
3 |
4 |
5 |
6 | |||||||
|
開始 |
終點 |
開始 |
終點 |
開始 |
終點 |
開始 |
終點 |
開始 |
終點 | ||
|
GTE52 |
8 |
11.3 |
4.1 |
15.6 |
8.4 |
19.8 |
12.6 |
12.8 |
5.6 | ||
|
10 |
9.9 |
0.9 |
14.2 |
5.2 |
18.4 |
9.4 |
16 |
7 | |||
|
12 |
14.2 |
2 |
18.4 |
6.2 |
19.2 |
8.4 | |||||
|
GTE63 |
8 |
16.6 |
6.1 |
22.8 |
12.3 |
28.7 |
18.2 |
18.8 |
8.3 | ||
|
10 |
14.5 |
1.4 |
20.7 |
7.6 |
26.6 |
13.5 |
23.5 |
10.4 | |||
|
12 |
18.6 |
2.9 |
24.5 |
8.8 |
28.2 |
12.5 | |||||
|
GTE83 |
8 |
25.2 |
5.1 |
40.4 |
20.3 |
55.5 |
35.4 |
70.6 |
50.6 |
40.3 |
20.2 |
|
10 |
35.4 |
10.2 |
50.5 |
25.3 |
65.6 |
40.4 |
50.4 |
25.2 | |||
|
12 |
45.5 |
15.2 |
60.6 |
30.3 |
60.5 |
30.2 | |||||
|
GTE92 |
8 |
35.5 |
6.8 |
56.5 |
27.8 |
77.7 |
49 |
98.9 |
70.2 |
57 |
28.3 |
|
10 |
49.3 |
11.8 |
70.5 |
33 |
91.7 |
54.2 |
73 |
35.5 | |||
|
12 |
63.5 |
19.8 |
84.7 |
41 |
86.2 |
42.5 | |||||
|
GTE110 |
8 |
85.8 |
29.5 |
116.2 |
59.5 |
146.6 |
90.3 |
92.1 |
35.8 | ||
|
10 |
76.8 |
6.4 |
107.2 |
36.8 |
137.6 |
67.2 |
115.2 |
44.8 | |||
|
12 |
98.3 |
13.8 |
128.7 |
44.2 |
138.2 |
53.7 | |||||
|
GTE127 |
8 |
105.6 |
19.2 |
166.4 |
80 |
227.2 |
140.8 |
288 |
201.6 |
163.2 |
76.8 |
|
10 |
147.2 |
39.2 |
208 |
100 |
268.8 |
160.8 |
204 |
96 | |||
|
12 |
188.8 |
59.2 |
249.6 |
120 |
244.8 |
115.2 | |||||
|
GTE145 |
8 |
135 |
83.7 |
215 |
163 |
269 |
204 |
155 |
103 | ||
|
10 |
189 |
124 |
243 |
165 |
194 |
129 | |||||
|
12 |
163 |
85.7 |
233 |
155 | |||||||
|
GTE160 |
8 |
225.1 |
52.3 |
345.6 |
172.8 |
466.3 |
293.5 |
586.8 |
414 |
309.6 |
136.8 |
|
10 |
311.4 |
95.4 |
432.3 |
216.1 |
552.6 |
336.6 |
387 |
171 | |||
|
12 |
277.2 |
18 |
397.9 |
138.7 |
518.4 |
259.24 |
464 |
205.2 | |||
|
GTE190 |
8 |
419.2 |
78 |
669.2 |
329 |
920.2 |
580 |
1171.2 |
831 |
676 |
355.8 |
|
10 |
587 |
156 |
837.3 |
407 |
1088.3 |
658 |
849 |
418.7 | |||
|
12 |
753.4 |
241 |
1004.4 |
492 |
1015 |
502.6 | |||||
|
GTE210 |
8 |
465 |
309 |
734 |
578 |
917 |
723 |
497 |
341 | ||
|
10 |
648 |
454 |
832 |
599 |
621 |
427 | |||||
|
12 |
563 |
330 |
745 |
512 | |||||||
|
GTE255 |
8 |
920 |
185 |
1472 |
737 |
2023 |
1288 |
2575 |
1840 |
1469 |
734 |
|
10 |
1288 |
360 |
1839 |
911 |
2391 |
1463 |
1846 |
918 | |||
|
12 |
1656 |
549 |
2208 |
1101 |
2208 |
1101 | |||||
|
GTE300 |
8 |
1416 |
278 |
2264 |
1126 |
3113 |
1975 |
3961 |
2823 |
2266 |
1128 |
|
10 |
1982 |
562 |
2831 |
1411 |
3679 |
2259 |
2830 |
1410 | |||
|
12 |
2549 |
846 |
3397 |
1694 |
3395 |
1692 | |||||
|
GTE350 |
8 |
2248 |
450 |
3595 |
1797 |
4942 |
3144 |
6289 |
4491 |
3590 |
1792 |
|
10 |
3147 |
897 |
4494 |
2240 |
5841 |
3591 |
4490 |
2240 | |||
|
12 |
2698 |
17 |
4046 |
1364 |
5393 |
2711 |
5370 |
2688 | |||