YZP系列三相異步電動機,是通過變頻器連接電動機,與變頻器裝置組成的控制系統可使電動機得到平滑的無級調速;變速機構簡單,轉速準確,能達到節能和實現自動化的目的.YZP發的適應市場需求的多速電機的新產品。系列變頻調速電動機采用計算機優化設計,系列性、通用性強,是為適應起重、冶金行業調速機械而研發的新產品YZP系列變頻調速機的轉距高,過載能力強,起動電流小,起動快速平穩,結構堅固耐用,調速范圍廣,精度高,運行穩定,操作和維修方便。YZP系列變頻調速動機廣泛應用于起重、冶金、運輸等機械要求連續調速和頻繁正、反轉的機械設備上,也可以適用一般機械設備上。

| 型號 |
標稱 功率 (kw) |
額定 電流 (A) |
額定 轉矩 (N.m) |
額定 轉速 (r/min) |
堵轉轉矩 額定轉矩 (倍) |
最大轉矩 額定轉矩 (倍) |
轉動 慣量 (kg.m2) |
輸出特性 |
軸流風機 |
重量 (kg) |
電壓 (V) |
功率 (W) |
| YZP112M1-6 |
1.5 |
4.0 |
15 |
888 |
1.8 |
2.4 |
0.019 |
3~50Hz恒轉矩 50~100Hz恒功率
電壓-頻率特性

轉矩-頻率特性

|
|
|
60 |
| YZP112M2-6 |
2.2 |
5.8 |
21 |
870 |
1.8 |
2.4 |
0.028 |
|
|
71 |
| YZP132M1-6 |
3.0 |
7.8 |
30 |
930 |
1.8 |
2.4 |
0.052 |
|
|
82 |
| YZP132M2-6 |
4.0 |
9.6 |
40 |
920 |
1.8 |
2.4 |
0.063 |
|
|
93 |
| YZP160M1-6 |
5.5 |
13 |
55 |
935 |
1.8 |
2.4 |
0.10 |
380 |
100 |
120 |
| YZP160M2-6 |
7.5 |
18 |
75 |
935 |
1.8 |
2.6 |
0.13 |
380 |
100 |
133 |
| YZP160L-6 |
11 |
25 |
105 |
930 |
1.8 |
2.8 |
0.17 |
380 |
100 |
154 |
| YZP180L-6 |
15 |
31 |
145 |
934 |
1.8 |
2.8 |
0.31 |
380 |
230 |
208 |
| YZP200L-6 |
22 |
45 |
210 |
930 |
1.8 |
2.8 |
0.56 |
380 |
230 |
281 |
| YZP225M-6 |
30 |
62 |
290 |
940 |
1.8 |
2.8 |
0.74 |
380 |
300 |
352 |
| YZP250M1-6 |
37 |
70 |
355 |
986 |
1.8 |
2.8 |
1.28 |
380 |
300 |
472 |
| YZP250M2-6 |
45 |
86 |
430 |
990 |
1.8 |
2.8 |
1.53 |
380 |
300 |
515 |
| YZP280S1-6 |
55 |
105 |
530 |
989 |
1.8 |
2.8 |
1.94 |
380 |
370 |
705 |
| YZP280S2-6 |
63 |
118 |
605 |
988 |
1.8 |
2.8 |
2.19 |
380 |
370 |
740 |
| YZP280M-6 |
75 |
144 |
720 |
989 |
1.8 |
2.8 |
2.42 |
380 |
370 |
780 |
| YZP315S1-6 |
90 |
170 |
860 |
985 |
1.8 |
2.8 |
5.78 |
380 |
450 |
1105 |
| YZP315M-6 |
110 |
214 |
1050 |
985 |
1.8 |
2.8 |
7.22 |
380 |
450 |
1180 |
| YZP355M-6 |
132 |
240 |
1260 |
970 |
1.8 |
2.8 |
9.7 |
380 |
3000 |
1380 |
| YZP355L1-6 |
160 |
287 |
1530 |
970 |
1.8 |
2.8 |
11.6 |
380 |
3000 |
1550 |
| YZP355L2-6 |
200 |
360 |
1910 |
970 |
1.8 |
2.8 |
14.3 |
380 |
3000 |
1710 |
| YZP400L1-6 |
250 |
470 |
2390 |
970 |
1.8 |
2.8 |
20.1 |
380 |
3000 |
2210 |
| YZP400L2-6 |
300 |
556 |
2865 |
970 |
1.8 |
2.8 |
23.1 |
380 |
3000 |
2690 |
| 型號 |
標稱 功率 (kw) |
額定 電流 (A) |
額定 轉矩 (N.m) |
額定 轉速 (r/min) |
堵轉轉矩 額定轉矩 (倍) |
最大轉矩 額定轉矩 (倍) |
轉動 慣量 (kg.m2) |
輸出特性 |
軸流風機 |
重量 (kg) |
電壓 (V) |
功率 (W) |
| YZP160M1-8 |
4 |
10.6 |
57.3 |
685 |
1.8 |
2.7 |
0.1 |
3~50Hz恒轉矩 50~100Hz恒功率
電壓-頻率特性
轉矩-頻率特性

|
380 |
100 |
82 |
| YZP160M2-8 |
5.5 |
15 |
77.7 |
694 |
1.8 |
3.0 |
0.13 |
380 |
100 |
93 |
| YZP160L-8 |
7.5 |
21 |
95 |
700 |
1.8 |
2.6 |
0.17 |
380 |
100 |
154 |
| YZP180L-8 |
11 |
26 |
140 |
696 |
1.8 |
2.8 |
0.31 |
380 |
230 |
208 |
| YZP200L-8 |
15 |
35 |
195 |
700 |
1.8 |
2.8 |
0.56 |
380 |
230 |
281 |
| YZP225M-8 |
22 |
50 |
280 |
700 |
1.8 |
2.8 |
0.74 |
380 |
300 |
352 |
| YZP250M1-8 |
30 |
65 |
385 |
740 |
1.8 |
2.8 |
1.28 |
380 |
300 |
472 |
| YZP250M2-8 |
37 |
82 |
475 |
740 |
1.8 |
2.8 |
1.53 |
380 |
300 |
515 |
| YZP280S1-8 |
45 |
103 |
575 |
742 |
1.8 |
2.8 |
1.94 |
380 |
370 |
705 |
| YZP280M-8 |
55 |
120 |
700 |
741 |
1.8 |
2.8 |
2.42 |
380 |
370 |
780 |
| YZP315S1-8 |
63 |
128 |
805 |
739 |
1.8 |
2.8 |
5.78 |
380 |
450 |
1035 |
| YZP315S2-8 |
75 |
153 |
955 |
740 |
1.8 |
2.8 |
6.51 |
380 |
450 |
1105 |
| YZP315M-8 |
90 |
183 |
1146 |
740 |
1.8 |
2.8 |
7.22 |
380 |
450 |
1180 |
| YZP335M-8 |
110 |
217 |
1400 |
726 |
1.8 |
2.8 |
9.7 |
380 |
3000 |
1380 |
| YZP335L1-8 |
132 |
257 |
1680 |
726 |
1.8 |
2.8 |
11.6 |
380 |
3000 |
1550 |
| YZP335L2-8 |
160 |
311 |
2040 |
725 |
1.8 |
2.8 |
14.3 |
380 |
3000 |
1710 |
| YZP400L1-8 |
200 |
390 |
2550 |
730 |
1.8 |
2.8 |
20.1 |
380 |
3000 |
2210 |
| YZP400L2-8 |
250 |
475 |
3185 |
728 |
1.8 |
2.8 |
23.1 |
380 |
3000 |
2690 |
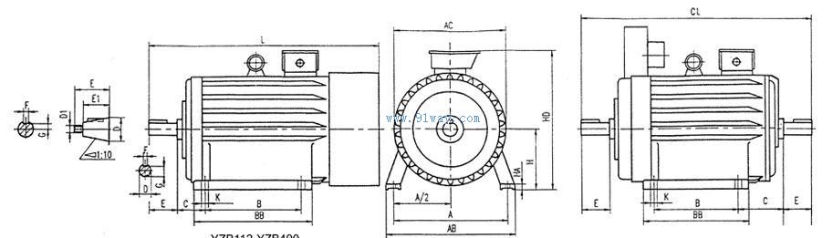
| 機座號 |
安裝尺寸及公差 |
外形尺寸 |
| A |
A/2 |
B |
C |
D |
D1 |
E |
E1 |
F |
G |
H |
K |
螺栓直徑 |
AB |
AC |
BB |
HA |
HD |
L |
CL |
| 基本尺寸 |
極限偏差 |
基本尺寸 |
極限偏差 |
基本尺寸 |
極限偏差 |
基本尺寸 |
基本尺寸 |
極限偏差 |
基本尺寸 |
極限偏差 |
基本尺寸 |
極限偏差 |
基本尺寸 |
極限偏差 |
| 112M |
190 |
95 |
140 |
70 |
±2.0 |
32 |
|
﹣ |
80 |
±0.37 |
﹣ |
10 |
0 |
27 |
|
112 |
|
12 |
|
M10 |
250 |
245 |
235 |
15 |
330 |
590 |
|
| 132M |
216 |
108 |
178 |
89 |
38 |
+0.018 |
-0.036 |
33 |
132 |
275 |
285 |
260 |
17 |
360 |
645 |
|
| 160M |
254 |
127 |
210 |
108 |
±3.0 |
48 |
+0.002 |
110 |
±0.43 |
14 |
|
42.5 |
|
160 |
0 |
15 |
+0.43 |
M12 |
320 |
325 |
290 |
20 |
420 |
758 |
718 |
| 160L |
254 |
|
-0.5 |
0 |
335 |
800 |
762 |
| 180L |
279 |
139.5 |
279 |
121 |
55 |
﹣ |
M36×3 |
82 |
0 |
19.9 |
|
180 |
|
|
360 |
360 |
380 |
22 |
460 |
870 |
800 |
| 200L |
318 |
159 |
305 |
133 |
60 |
M42×3 |
140 |
±0.50 |
105 |
16 |
-0.043 |
21.4 |
0 |
200 |
|
19 |
|
M16 |
405 |
405 |
400 |
25 |
510 |
975 |
928 |
| 225M |
356 |
178 |
311 |
149 |
±4.0 |
65 |
|
23.9 |
-0.2 |
225 |
455 |
430 |
410 |
28 |
545 |
1050 |
998 |
| 250M |
406 |
203 |
349 |
168 |
70 |
M48×3 |
18 |
25.4 |
|
250 |
24 |
M20 |
515 |
480 |
510 |
30 |
605 |
1195 |
1092 |
| 280S |
457 |
228.5 |
368 |
190 |
85 |
- |
M56×4 |
170 |
130 |
20 |
|
31.7 |
|
280 |
|
+0.52 |
575 |
535 |
530 |
32 |
665 |
1265 |
|
| 280M |
419 |
0 |
580 |
1315 |
|
| 315S |
508 |
254 |
406 |
216 |
95 |
M64×4 |
22 |
0 |
35.2 |
315 |
0 |
28 |
|
M24 |
640 |
620 |
35 |
750 |
1390 |
|
| 315M |
457 |
-0.052 |
-1.0 |
630 |
1440 |
|
| 355M |
610 |
305 |
560 |
254 |
110 |
M80×4 |
210 |
±0.58 |
165 |
25 |
|
41.9 |
|
355 |
|
740 |
710 |
730 |
38 |
840 |
1650 |
|
| 355L |
630 |
800 |
1720 |
|
| 400L |
686 |
343 |
710 |
280 |
130 |
- |
M100×4 |
250 |
200 |
28 |
|
50 |
400 |
35 |
+0.62 |
M30 |
855 |
840 |
910 |
45 |
950 |
1865 |

YZP系列三相異步電動機