產品概述:
1、交流輸出,采用雙向可控硅輸出,零電壓開啟,零電流關斷。
2、直流輸出采用雙極型三極管輸出,導通壓降低開關速度快,抗干擾性強。
3、輸入信號與TTO和COMS數字邏輯電路兼容。
4、輸入回路與輸出回路之間光隔離。
5、輸入端-輸出端之間隔離耐壓2500V。
6、單列直插式線路板焊接式安裝,標準模數化尺寸。
7、100%負載電流老化試驗,通過歐共體CE認證,國際ISO9000認證,國內3C認證。
型號說明:

技術參數:
|
單 相 電 路 板 式 固 態 繼 電 器 |
產品型號 |
YJGX-7FA |
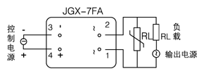
接線圖 |
| 控制方式 |
直流控交流(DC-AC) |
|
| 負載電流 |
6A、7A |
| 負載電壓 |
240VAC 、380VAC |
| 控制電壓 |
DC3-32V |
| 控制電流 |
6-35mA |
| 通態漏電流 |
≤1.5mA |
| 通態降壓 |
≤1.2V |
| 斷態時間 |
≤10mS |
| 介質耐壓 |
1500VAC |
| 絕緣電阻 |
500MΩ/500VDC |
| 環境溫度 |
-25℃-+70℃ |
| 安裝方式 |
印刷版式PCB |
| 重量 |
42g |
注:當作用于感性負載時,用戶須加抑制電路 |
產品應用:
SSR電路板式固態繼電器采用阻燃工程塑料外殼,環氧樹脂灌封,單列直插式線路板焊接式安裝,標準模數化尺寸。與電磁繼電器比較有無機械聲、無觸點引弧,有著較高的浪涌電流承受能力、壽命長、可靠性高。
輸入端驅動電流小可方便的與計算機終端和各種數字程控電路接口,實現了弱功率的隔離和控制。
廣泛應用在石油化工儀器設備,食品機械,包裝機械,紡織機械,數控機床,塑料機械,健身器材,娛樂設施等自動化控制領域,可控制小型電動機、白熾燈、指示燈、小功率電源、智能儀器儀表和各種電磁閥等,也可作為大功率電磁接觸器的推動級。特別適用于腐蝕、潮濕、防塵、要求防爆等惡劣環境,及頻繁開關的場合。
安全注意事項:
1、使用在交流感性負載時,高瞬態電壓及浪涌電流施加于輸出端,因此可能導致固態繼電器導通或損壞,通常需要在輸出端接入具有特定鉗位電壓的電壓控制器件,如雙線穩壓二極管或壓敏電阻(MOV)。壓敏電阻推薦取額定電壓的1.6-1.9倍;
2、對于直流感性負載,如螺線管、電磁鐵、電磁閥門,必須采用續流電路抑制關斷時產生的反電動勢,通常較簡單的辦法是與負載反向并聯一個二級管,但此電路會影響感性負載如電磁繼電器、接觸器、電磁鐵、電磁閥等的釋放時間,較好的線路是一個二極管和一個穩壓二極管反向串聯或一個二極管與一個電阻串聯后再與負載反向并聯。
3、控制之接近最小負載電流的較小電流負載時,須在負載上并聯一個虛擬負載電阻,以減小輸出端漏電流在負載上產生較高的剩余電壓。
4、線路板焊接式安裝型繼電器在焊接安裝時,焊接溫度必須控制在260攝氏度以下,焊接時間控制在5s以下。
5、為了避免固態繼電器的溫升超過允許值,設計應用時應考慮散熱效果和安裝位置,當兩只或多只固態繼電器并排安裝時,應留有適當的間距。

YJGX-7FA單相電路板式交流固態繼電器