產品說明
DSB-C系列電涌保護器適用于交流50Hz/60Hz,380V及以下的TT、IT、TN-S、TN-C-S等供電系統,可作為雷擊 時等電位連接,其設計依據符合IEC-61643-1、GB18802.1(2002年版)標準,外殼設計安裝在35mm電氣導軌上, 該產品內置失效脫離裝置,當電源保護因過流過熱,擊穿失效時,失效脫離裝置能自動的將其從電網上脫離,同時可視告警指示模塊可在有工作電壓情況下更換。
產品特點
無需停電即可更換保護器單元
最高可承受150KA(8/20μS)雷電流沖擊
遠端遙信觸點和報警器
動作反應時間少于25納秒
窗口顏色表示保護器工作狀態:綠色(正常)、紅色(故障)
安裝位置與應用
C級電涌保護級(SPD)保護,用于雷擊時等電位過接,安裝在LPZOB或LPZ1區與LPZ2區交界處。通常安裝樓層配電箱、計算機中心、電信機房、電梯控制室、有線電視房、樓宇自控室、保安監控中心、消防中心、工業自控室、變頻設備控制室、醫院手術室、監護室及裝有電子醫療設備場所的配電箱內。也可安裝在六層以下住宅照明總配電箱內,分散型小墅應將SPD安裝在住戶配電箱內。
技術參數

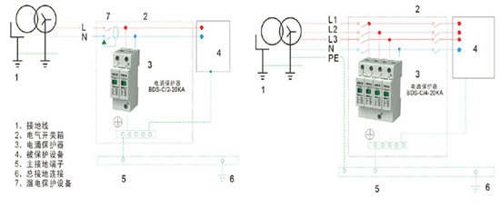
產品接線圖

DSB-C系列電涌保護器