一體化電源箱式電涌保護器
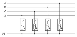
MS型三相電源箱式電涌保護器采用共模、差模的全方位保護模式配有工作正常/劣化狀態指示燈可選配遙信接點,實現遠程監控帶過電壓自動計數功能適用于各種供電系統根據不同安裝環境,有多種放電電流可供選擇

| 產品型號 |
MS40B |
MS60B |
MS80B |
MS120B |
| 工作電壓(AC) |
L-N :220V |
| 最大持續運行電壓(AC ): |
385V |
| 標稱放電電流8/20μs |
20KA |
30KA |
40KA |
60KA |
| 最大放電電流8/20μs |
40kA |
60kA |
80kA |
120kA |
| 電壓保護水平UP |
≤1.7KV |
≤2.2KV |
≤2.7KV |
≤3.0KV |
| 保護模式 |
L-N-PE(3+1) |
| 質量 |
6KG |
6.5KG |
7KG |
8KG |
模塊式電源箱式電涌保護器
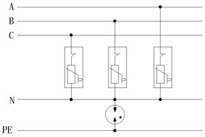
采用銘士優質模塊化產品,方便測試和更換箱體采用優質鋼材制作,免維護,易操作,易安裝帶負載過流、過熱、失效分離裝置,避免短路與火災事故發生箱內器件連接采用特制專用多層銅條,結構緊湊配有正常工作狀態/故障告警及過電壓自動計數根據供電制式可選用單相/三相根據不同安裝環境。有多種放電電流可供選擇


| 產品型號 |
MS40 |
MS60 |
MS80 |
MS100 |
| 工作電壓(AC) |
L-N :220V |
| 最大持續運行電壓(AC ): |
385V |
| 標稱放電電流8/20μs |
20KA |
30KA |
40KA |
50KA |
| 最大放電電流8/20μs |
40kA |
60kA |
80kA |
100kA |
| 電壓保護水平UP |
≤1.7KV |
≤2.2KV |
≤2.7KV |
≤3.0KV |
| 保護模式 |
L-N-PE(3+1) L-N-PE(3+1) |
| 質量 |
8KG |
9KG |
10KG |
11KG |
| 產品型號 |
MS120 |
MS160 |
MS200-100A |
| 工作電壓(AC) |
L-N :220V |
| 最大持續運行電壓(AC ): |
385V |
| 標稱放電電流8/20μs |
60KA |
80KA |
100KA |
| 最大放電電流8/20μs |
120kA |
160kA |
200kA |
| 電壓保護水平UP |
≤3.0KV |
≤4.0KV |
≤1.8KV |
| 保護模式 |
L-N-PE(3+1) |
| 質量 |
11KG |
12KG |
10KG |
| 質量 |
11KG |
12KG |
負載電流:100A |
MS型三相電源箱式電涌保護器