功能和作用
本產品采用集成電路,并結合高層樓宇上、下水池(水塔)的水位分級提升進行設計,具有上下水池聯合控制、水池排水及缺水保護等功能,可自動實現水箱補水、排水,并有效防止水池水位過高溢出或水泵空轉損壞,是一種工業、學校均實用的產品。非常適合城鎮、農村、學校、工礦企事業單位及家庭用水的水塔-水井供水工程,廣泛應用于印染、化工、食品、釀酒、飲料、制糖等行業。
單控上水池探頭安裝說明
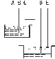
安裝圖如圖一所示
A(紅線)—為上水池(水塔)上限液位控制點,水位上升達到A點水位, 水與探頭接觸,水位控制器自動關泵;
B(藍線)—為上水池(水塔)下限液位控制點,水位下降到B點水位以下,水與探頭脫離接觸,水位控制器自動開泵, 水池充水
C(黑線)—為水池(水塔)地線,放在水池的最低點與水池底部接觸;
D(綠線)、E(黃線)點并接到C。
單控下水池(即排水池)探頭安裝說明
安裝圖如圖二所示:
E—為下水池上限液位控制點,水位上升達到E點水位,水與探頭接觸,水位控制器自動開泵,水池排水;若不排水,則E點不接;
D—為下水池下限液位控制點, 水位下降到D點水位,水與探頭脫離接觸,水位控制器自動關泵,水池停止排水;
C—為水池地線,放在水池的最低點與水池底部接觸;A、B點不接。
缺水保護探頭安裝說明
安裝圖如圖三所示
C、D點為水池下限水位控制點,水位下降到下限水位,C、D探頭之一與水面脫離接觸,水位
控制器繼電器立即動作,切斷輸出,水泵停止工作;E點與C點短接;A、B點不接。
故障排除
1、接通電源不工作:
a. 檢查紅色電源指示燈有無點亮,若不亮,檢查輸入輸出接線端子是否均已接觸良好;
b. 打開產品,檢查產品內控制板上的保險絲,若已燒壞,則更 換0.15~0.30A的保險絲。
c. 檢查產品左側的“手動/自動”開關,是否在“關”上將其調整回“自動”位置,水位控制器進入工作狀態。
2、水位線超過或低于探頭控制點,水泵沒有自動關閉或開啟,請按“自動/手動”開關手動控制水泵。并檢查:
a. 探頭是否偏離原位,安放位置過高(過低),導致水位無法接觸(脫離);
b. 探頭連接是否與其他線錯位,是否有接錯或短路;
c. 探頭連線與探頭之間是否連接良好;
d. C點地線是否已經安放在水池最低位置。
上下水池聯合控制探頭安裝
上下水池聯合控制探頭安裝說明
安裝圖如圖三所示:
A—為上水池(水塔)上限液位控制點,水位上升達到A點水位,水與探頭接觸,水位控制器自動關泵;
B—為上水池(水塔)下限液位控制點,水位下降到B點水位以下,水與探頭脫離接觸, 水位控制器自動開泵, 水池充水;
C—為上、下水池(水塔)公用地線,放在上、下水池的最低點與水池底部接觸;?
D—為下水池下限液位控制點,水位下降到D點水位,水與探頭脫離接觸,水位控制器自動關泵,水池停止排水;
E—為下水池上限液位控制點,水位上升到E點水位,水與探頭接觸, 水位控制器自動開泵,水池排頭;若不排水,則E點不接
安裝使用其他說明
1、為確保水位控制器正常工作,安裝好后請再次檢查輸入輸出的接線、探頭連接線是否接觸可靠。可上、下移動探頭,使其接觸、脫離水面,模擬檢測水位控制器是否安裝正確且能按您的需要正常工作。
2、建議將各點探頭固定在水池內壁,以免探頭位置發生偏移導致水位控制器誤動作, (若水池壁為金屬,則除C點地線外不宜接在內壁,以免發生短路,導致水位控制器不能正常工作)。
3、按上述接線方法接好后,檢查產品右側的“手動/自動”開關(DF-96D無),是否確能根據用戶需要手動開啟、關閉水泵,用后將其調整回“自動”位置,水位控制器進入工作狀態。
4、臨時需開啟、關閉水泵,請用水位控制器右側的“手動/自動”開關控制(DF-96D型無手動開關)。
5、為避免誤動作,請勿將產品安裝在潮濕、腐蝕及高金屬含量氣體的環境中。
6、建議您配套采用公司生產的水位控制器專用探頭。
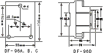
性能特征
| 型號 |
JS-97A |
JS-97D |
| 外形尺寸 |
126×88×51mm |
50×100×74mm |
| 工作電壓 |
220V |
220V |
| 安裝方式 |
壁掛 |
導軌 |
| 負載 |
10A |
20A |


JS-97A液位控制器