| 產品名稱: | BX系列靜態信號繼電器 | |||||
| 型號規格: | ![]() |
|||||
| 產品類別: | 常規產品 -- 低壓電器 -- 信號繼電器 | |||||
| 參考價格: | 廠價直銷 | |||||
| 產品品牌: | 國產 | |||||
| 產品產地: | 上海 | |||||
| 可供數量: | 批量 | |||||
| 供貨周期: | 現貨(或電詢) | |||||
|
||||||
| 產品簡介: |
|
|||||
用途
用于電力系統二次回路及自動化控制回路作為整組和個別元件工作狀態的指示器。
特點
○ 寬動作范圍:電流型僅一個規格,能滿足0.01A-4A全系列18種規格, 電壓降小于2.4伏,方便設計現場應用。
○ 復歸性能卓越、方式靈活:具有電動復歸及手動復歸,適應無人值班從控制中心遠方復歸要求。 手動復歸只復歸本身信號,不影響其他信號顯示保持。復歸繼電器或按鈕接點粘住、 復歸端子有復歸電位,信號繼電器仍能可靠動作。
○ 高可靠:采用日本名牌鎖定繼電器,失電時信號不丟失,引線合理, 不會產生爬電引起的保護誤動作。抗干擾性能強,不會誤發動作信號。
○ 觸點容量大數量夠:有兩對大容量動合觸點,能滿足中央信號及遠動遙信要求。
○ 動作速度快:快速動作回路信號繼電器仍能可靠動作。
○ 發光二極管指示動作及電源:醒目、壽命長。繼電器工作狀況一目了然。
○ 有二次動作指示品種:方便事故分析。
○ 多品種:有國內三大繼電器廠各種外殼產品,可以替代全部現有信號繼電器產品。
系統工作原理方框圖 
型號及代換參考表
|
型號 |
外型結構 |
等同替代型號 |
老產品廠 |
|
BX-11 |
HK-19 |
DX-11 |
上繼、阿繼 |
|
BX-20 |
JK-5 |
DX-8 |
阿繼 |
|
BX-20A |
JK-5 |
DXM-2A DX-8G |
上繼、阿繼 |
|
BX-30 |
A01K |
DX-31A DX-31B DX-32A DX-32B |
許繼 |
![]() | ||
|
BX-20內部接線圖 負電復歸 |
BX-20A內部接線圖 負電復歸 |
BX-30內部接線圖 負電復歸 |
![]() | ||
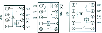
|
BX-11內部接線圖 負電復歸 |
BX-30G內部接線 圖負電復歸 |
BX-11G內部接線圖 負電復歸 |
![]() | ||
|
BX-20內部接線圖 正電復歸 |
BX-20A內部接線圖 正電復歸 |
BX-30內部接線圖 正電復歸 |
![]() | ||
|
BX-11內部接線圖 正電復歸 |
BX-30G內部接線 圖正電復歸 |
BX-11G內部接線圖 正電復歸 |
|
信號繼電器內部接線圖(正視) |
![]() |
| ||||||||||||||
![]() |
| ||||||||||||||
|
BX-11靜態信號繼電器負電復歸應用原理圖 |