| 產品名稱: | HZ5D系列組合開關 | |||||
| 型號規格: | ![]() |
|||||
| 產品類別: | 常規產品 -- 低壓電器 -- 組合開關 | |||||
| 參考價格: | 廠價直銷 | |||||
| 產品品牌: | 國產 | |||||
| 產品產地: | 上海 | |||||
| 可供數量: | 批量 | |||||
| 供貨周期: | 現貨(或電詢) | |||||
|
||||||
| 產品簡介: |
|
|||||

|
型號規格 |
HZ5D-10 |
HZ5D-20 |
HZ5D-40 | |
|
額定工作電壓Ue |
V |
440 |
440 |
440 |
|
約定發熱電流lth |
A |
10 |
20 |
40 |
|
額定工作電流le |
A |
4 |
8 |
16 |
|
額定控制功率P |
kW |
1.7 |
4 |
7.5 |
機械壽命和電壽命
機械壽命:0.01×106次,操作頻率為120 次/小時。
電壽命: AC-23A時為0.03×106,操作頻率為120 次/小時。
AC-3時為0.03×106次,操作頻率為120 次/小時。
AC-4時為0.03×106次,操作頻率為120 次/小時。
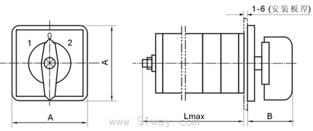
外形尺寸
|
型號規格 |
尺寸(mm)
| ||
|
A |
Lmax |
B | |
|
HZ5D-10 |
60 |
32+14n |
38 |
|
HZ5D-20 |
60 |
34+13n |
38 |
|
HZ5D-40 |
75 |
40+16n |
38 |