| 產品名稱: | ZYP系列永磁直流跑步機電動機 | |||||
| 型號規格: | ![]() |
|||||
| 產品類別: | 常規產品 -- 電機產品 -- 永磁直流電機 | |||||
| 參考價格: | 廠價直銷 | |||||
| 產品品牌: | 國產 | |||||
| 產品產地: | 上海 | |||||
| 可供數量: | 批量 | |||||
| 供貨周期: | 現貨(或電詢) | |||||
|
||||||
| 產品簡介: |
|
|||||
ZYP系列永磁直流跑步機電動機采用鐵氧體永久磁鐵激磁,系開啟自扇冷式。作為小功率直流電動機,具有體積小,效率高,輸出轉矩大等特點,在健身器材跑步機裝置中用作驅動元件。
1、輸入電壓等級確保正確;
2、電機出軸與負載連接時不能重力敲打、擠壓,以免造成內部變形走位,產生嚴重噪聲或卡死現象;
3、嚴禁與強磁性物體并存;
4、碳刷壽命按GB6656規定,請及時更換碳刷。
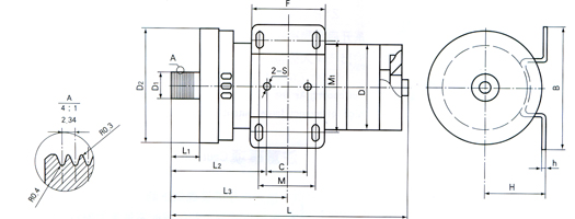
a ZYP系列永磁直流跑步機電動機型號示例 
貯存環境要求 :
1、空氣溫度:-5℃~+35℃
2、相對濕度:<70%
3、通風良好,空氣中不帶腐蝕性氣體
4、嚴禁與強磁性物體并存。
使用條件
海拔不超過4000m
環境溫度:-25℃~+40℃
相對濕度:≤95%(+25℃時)
允許溫升:不超過75K(海拔為1000m時)
電動機系連續工作制。
有孔帶
|
型號model |
轉矩torque |
轉速speed |
功率power |
電壓voltage |
電流current≤ |
附 注 |
|
90ZYP11 |
1328 |
3600 |
500 |
180 |
3.9 |
|
|
105ZYP01 |
1912 |
4000 |
800 |
180 |
5.9 |
|
|
105ZYP03 |
1821 |
4200 |
800 |
180 |
5.9 |
|
型號model |
D1 |
D2 |
D |
L1 |
L2 |
L3 |
L |
F |
B |
C |
H |
h |
M |
M1 |
S |
槽數slot numbel |
|
90ZYP11 |
ф35.5 |
ф130 |
ф91 |
28 |
107 |
137 |
268 |
90 |
141 |
60 |
70 |
3 |
70 |
111 |
M8 |
8槽8solts |
|
105ZYP01 |
ф42 |
ф135 |
ф105 |
26 |
100 |
130 |
261 |
90 |
141 |
60 |
77 |
3 |
70 |
111 |
M8 |
8槽8solts |
|
105ZYP03 |
ф35 |
ф140 |
ф105 |
34 |
117.5 |
142.5 |
291.5 |
90 |
150 |
60 |
75.5 |
4 |
70 |
113 |
M8 |
9槽9solts |
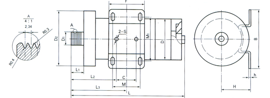
ZYP系列永磁直流跑步機電動機無孔帶
|
型號model |
轉矩torque |
轉速speed |
功率power |
電壓voltage |
電流current≤ |
附 注 |
|
90ZYP10 |
1195 |
4000 |
500 |
220 |
3.2 |
|
|
90ZYP12 |
1406 |
3400 |
500 |
180 |
3.9 |
|
|
105ZYP02 |
1593 |
3600 |
600 |
180 |
4.7 |
|
|
110ZYP52 |
3004 |
3500 |
1100 |
220 |
6.5 |
|
|
110ZYP53 |
3004 |
3500 |
1100 |
110 |
13 |
|
|
110ZYP54 |
3235 |
3250 |
1100 |
180 |
8 |
|
型號model |
D1 |
D2 |
D |
L1 |
L2 |
L3 |
L |
F |
B |
C |
H |
h |
M |
M1 |
S |
槽數 |
|
90ZYP10 |
ф36 |
ф130 |
ф91 |
32.5 |
100.5 |
130.5 |
252.5 |
91 |
141 |
60 |
68 |
3 |
70 |
110 |
M8 |
8槽8solts |
|
90ZYP12 |
ф35.5 |
ф130 |
ф91 |
24 |
112 |
142 |
265 |
90 |
140 |
60 |
68 |
3 |
70 |
112 |
M8 |
8槽8solts |
|
105ZYP02 |
ф40.5 |
ф135 |
ф105 |
29 |
112 |
142 |
285 |
91 |
150 |
60 |
70 |
4 |
70 |
113 |
M8 |
8槽8solts |
|
110ZYP52 |
ф40.5 |
ф140 |
ф110 |
26 |
117 |
147 |
320 |
90 |
140 |
60 |
81 |
4 |
70 |
112 |
M8 |
9槽9solts |
|
110ZYP53 |
ф40.5 |
ф140 | ф110 |
26 |
117 |
147 |
320 |
90 |
140 |
60 |
81 |
4 |
70 |
112 |
M8 |
9槽9solts |
|
110ZYP54 |
ф40.5 |
ф140 |
ф110 |
26 |
117 |
147 |
320 |
90 |
140 |
60 |
81 |
4 |
70 |
112 |
M8 |
9槽9solts |