NES-100-24型單路輸出開關電源主要指標
直流輸出電流電壓 DC24V,0~4.5A
交流輸入電壓范圍…由開關選擇85~132VAC/170~264VAC
輸入浪涌電流………冷啟動230V時為36A
直流輸出調整范圍…額定輸出電壓的-5%~+10%
過載保護……………過電流點在110%~150%,自動偵測自動復原
過電壓保護…………額定輸出電壓的115%~135%,自動偵測自動復原
絕緣特性……………輸入端與輸出端間:3KVac,輸入端與外殼間:1.5KVac,輸出端與外殼間:0.5KVac,1分鐘
工作溫度……………-20~+60℃(參考溫度降載曲線)
抗震動性……………10~500Hz,2G 10分鐘/周期,XYZ各軸各60分鐘
安規認證……………通過UL60950-1,CB(IEC60950),CCC GB4943認證,并且根據TUV EN60950-1設計
運控科技 021-61026909
電磁兼容標準………發射:EN55022(CISPR22) class B, GB9254 CLASS B,諧波:EN61000-3-2,3
抗干擾: EN61000-4-2,3,4,5,6,8,11,EN55024,EN61000-6-1,A級輕工業標準
平均無故障時間……≥32.07萬小時,MIL-HDBK-217F(25℃)
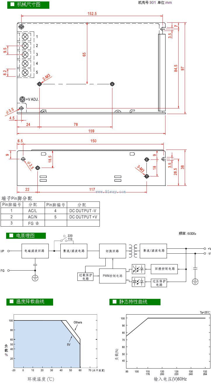
接線方式……………輸入輸出均為端子排
外形尺寸(L*W*H)mm159×97×38
機殼號………………901
重量及包裝…………0.55公斤,每箱30臺/17.5公斤,0.0275立方米
