RW10-10F RM10-10F(F)型熔斷器適用于交流10千伏的配電線路和配電變壓器的過載和短路保護以分合額定荷電流之用,RW10-10F型為一型產品,其泄漏比距為2.2。RW10-10F(M)型為防鹽霧型產品,泄漏比距3.3,適用于高污穢地區使用,技術參數與10F型相同。.
RW10-10F系列跌落式熔斷器結構特征
熔斷器是由基座和消弧裝置兩大部分組成,工作觸頭設計為橋形結構,滅弧管下端裝有能轉動的彈簧支架,始終使熔絲處于緊張狀態,以保證滅弧管在合閘位置時的自鎖,線路或變壓器過載或短路時熔絲熔斷,彈簧支架在扭簧的作用下,迅速將熔絲從滅弧管中抽出。以減少燃弧時間和滅弧材質的消耗。
熔斷管采用逐級排氣結構,在開斷小故障電流時,由于上端封閉,形成單端排氣,使管內保持較大的壓力,以利熄滅小故障電流,在開斷大短路電流時,上端被沖開形成兩端排氣,以減少管內壓力,防止在開斷大短路電流時熔管為機械破壞,故本產品能可靠的開斷上限斷流容量至下限流容量至下限斷流容量之間的任何電流。
熔斷器裝有滅弧室和弧觸頭,可分、合額定負荷電流,起到負荷開關的作用,分、合操作時使電弧在弧觸頭上產生、在滅弧室內熄滅,以保護工作觸頭不受電弧燒傷,滅弧室是采用新型工程塑料壓制而成。
RW10-10F系列跌落式熔斷器主要技術參數
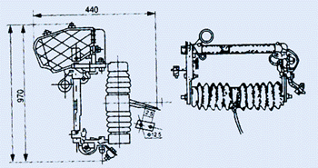
RW10-10F系列跌落式熔斷器外形及安裝尺寸

1.上接線卡板 2.上靜觸頭 3.釋壓帽 4.上觸頭 5.消弧管 6.下觸頭 7.下觸頭 8.下接線卡板
9.瓷瓶 10.安裝板
五、訂貨須知
訂貨時須注明
1.產品名稱及型號規格
2.熔絲的額定電流
3.訂貨數量
4.是否需要備品或配件

| 型號 |
額定電壓(KV) |
最高工作電壓(KV) |
額定電流(A) |
額定斷流容量(兆伏安) |
分、合負荷電流(A) |
單相重量(kg) |
| 上限 |
下限 |
100A |
130A |
| RW10-10F/100A型 |
10 |
11.5 |
100 |
200 |
40 |
>100 |
>20 |
7.0 |
| RMWF/100A-2型(防鹽霧型) |
20次 |
6 |
9.6 |
RW10-10F系列跌落式熔斷器