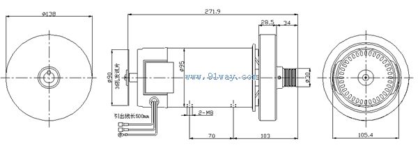
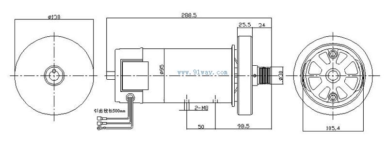
| 產品名稱: | ZYT95型永磁直流電動機 | |||||
| 型號規格: | ![]() |
|||||
| 產品類別: | 常規產品 -- 電機產品 -- 永磁直流電機 | |||||
| 參考價格: | 廠價直銷 | |||||
| 產品品牌: | 國產 | |||||
| 產品產地: | 上海 | |||||
| 可供數量: | 批量 | |||||
| 供貨周期: | 現貨(或電詢) | |||||
|
||||||
| 產品簡介: |
|
|||||
|
型號 |
NO LOAD 空載 |
FULL LOAD 滿載 | ||||||
|
VOLTAGE |
SPEED |
CURRENT |
OUTPUT |
TORQUE |
SPEED |
CURRENT |
EFF | |
|
電壓 |
轉速 |
電流 |
輸出功率 |
轉矩 |
轉速 |
電流 |
效率 | |
|
V |
RPM |
A |
HP/W |
N·m |
RPM |
A |
% | |
|
ZYT95-55T1 |
90 |
3900 |
0.6 |
1.0/746 |
2.10 |
3400 |
11 |
75 |
|
ZYT95-54T1 |
180 |
3900 |
0.3 |
1.0/746 |
2.10 |
3400 |
5.5 |
75 |
|
MODEL 型號 |
|
NO LOAD 空載 |
FULL LOAD 滿載 | |||||
|
VOLTAGE |
SPEED |
CURRENT |
OUTPUT |
TORQUE |
SPEED |
CURRENT |
EFF | |
|
電壓 |
轉速 |
電流 |
輸出功率 |
轉矩 |
轉速 |
電流 |
效率 | |
|
V |
RPM |
A |
HP/W |
N·m |
RPM |
A |
% | |
|
ZYT95-53 |
180 |
4000 |
0.3 |
1.15/858 |
2.41 |
3400 |
6 |
79 |
