KG316T時控開關能根據用戶設定的時間,自動打開和關閉各種用電設備的電源。控制對象可以是路燈、霓虹燈、廣告招牌燈、生產設備、廣播電視設備等一切需要定時開啟和關閉的電路設備和家用電器。
KG316T微電腦時控開關特點
a、直接控制功率高達6kW;
b、不怕停電,內部自動充電;
c、每天最多可設置6-8-12次開和關動作;
d、開關時間可按天循環或按周循環;
e、具有鍵盤鎖定功能,可防止誤操作;
f、全部采用單鍵操作,安裝調試方便;
g、每天走時誤差小于0.5秒。
KG316T微電腦時控開關主要技術數據

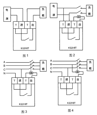
接線方法
1、直接控制方式的接線
被控制的電器是單相供電,功耗不超過本開關的額定值(阻性負載不超過25A,感性負載不超過20A),可采用直接控制方式,接線方法(如圖1)所示。
2、單相擴容方式的接線
被控制的電器單相供電,功耗超過本開關的額定容量(阻性負載超過25A,感性負載超過20A),那么就需要一個容量超過電器功耗的交流接觸器來擴容,接線方法(如圖2)所示。
3、三相工作方式的接線
被控制的電器是三相供電,需要外接三相交流接觸器
a、接線(如圖3)所示,控制接觸器的線圈電壓AC220V 50/60Hz。
b、接線(如圖4)所示,控制接觸器的線圈電壓AC380V 50/60Hz。
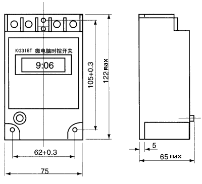
KG316T微電腦時控開關外形及安裝尺寸圖


KG316T微電腦時控開關