適用范圍
JZ11系列中間繼電器適用于交流50Hz或60Hz、電壓至500伏及以下,直流電壓400伏及以下的控制電路中,用來增加信號大小及數量。
JZ11系列中間繼電器型號及其含義

表1

適用范圍
表2 JZ11系列中間繼電器型號規格技術數據
注:1.繼電器的吸引線圈應能在85 ~ 105%額定電壓的范圍內可靠工作;
2.繼電器的吸合和釋放的固有時間不大于0.05秒;
3. JZ11-P型繼電器僅適用于反復短時工作制(持續通時時間最大為6分鐘)。
表3 JZ11系列中間繼電器接點的最大接通與開斷能力

表4 JZ11系列中間繼電器接點的電壽命

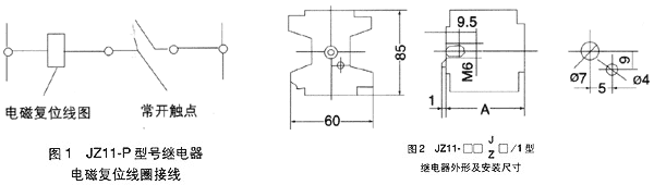
外形及安裝尺寸
外形及安裝尺寸見圖1-圖6表5


JZ11系列中間繼電器外形尺寸A

訂貨須知
1、在辦理訂貨是,應指出:
(1)繼電器的名稱和型號
(2)額定電壓
2、與每臺繼電器一起,工廠成套的供給
(1)產品合格證書一份
(2)產品說明書一份
備注:
本產品由保險公司承保
本產品正常使用范圍內保用一年