| 產品名稱: | YPE-Z系列三相異步盤式制動電機 | |||||
| 型號規格: | ![]() |
|||||
| 產品類別: | 常規產品 -- 電機產品 -- 盤式電機 | |||||
| 參考價格: | 廠價直銷 | |||||
| 產品品牌: | 國產 | |||||
| 產品產地: | 上海 | |||||
| 可供數量: | 批量 | |||||
| 供貨周期: | 現貨(或電詢) | |||||
|
||||||
| 產品簡介: |
|
|||||
|
型號 |
功率 |
電流 |
電壓 |
頻率 |
轉速 |
工作 |
制動 |
堵轉電流 |
堵轉轉距 |
最大轉距 |
重量 |
|
YPE400S2-4Z |
0.4 |
0.93/1.86 |
440/220 |
60 |
1700 |
30min |
6.8 |
5 |
1.8 |
2.0 |
13 |
|
1.1/2.2 |
400/200 |
50 |
1380 | ||||||||
|
0.93/1.86 |
460/230 |
60 |
1700 | ||||||||
|
1.25 |
380 |
60 |
1680 | ||||||||
|
YPE750S2-4Z |
0.75 |
2.0/4.0 |
440/220 |
60 |
1700 |
30min |
10.4 |
5 |
1.8 |
2.0 |
14 |
|
2.2/4.1 |
400/200 |
50 |
1380 | ||||||||
|
2.0/4.0 |
460/230 |
60 |
1700 | ||||||||
|
4.0 |
220 |
60 |
1680 | ||||||||
|
2.45 |
380 |
60 |
1680 | ||||||||
|
2.2 |
400 |
60 |
1680 | ||||||||
|
2.4 |
415 |
50 |
1380 | ||||||||
|
YPE1100S2-4Z |
1.1 |
2.5/5.2 |
440/220 |
60 |
1700 |
30min |
15.2 |
5 |
2.0 |
2.5 |
21 |
|
2.7/5.4 |
400/200 |
50 |
1380 | ||||||||
|
3.2 |
415 |
50 |
1420 | ||||||||
|
2.5/5.2 |
460/230 |
60 |
1700 | ||||||||
|
YPE1500S2-4Z |
1.5 |
4.0/7.8 |
440/220 |
50 |
1700 |
30min |
20.8 |
5 |
2.0 |
2.5 |
32 |
|
4.5/8.2 |
400/200 |
50 |
1380 | ||||||||
|
4.0/7.8 |
460/230 |
60 |
1700 | ||||||||
|
3.0 |
500 |
50 |
1380 | ||||||||
|
2.3 |
660 |
50 |
1430 | ||||||||
|
YPE2200S2-4Z |
2.2 |
5.6/10.4 |
440/200 |
60 |
1700 |
30min |
30.4 |
5 |
2.0 |
2.5 |
33 |
|
6.0/11 |
400/200 |
50 |
1380 | ||||||||
|
5.6/10.4 |
460/230 |
60 |
1700 | ||||||||
|
5.84 |
380 |
60 |
1680 | ||||||||
|
YPE3000S2-4Z |
3.0 |
7.4/14.8 |
440/220 |
60 |
1700 |
30min |
41.6 |
5 |
2.0 |
2.5 |
34 |
|
8.0/15.5 |
400/200 |
50 |
1380 | ||||||||
|
7.4/14.8 |
460/230 |
60 |
1700 |
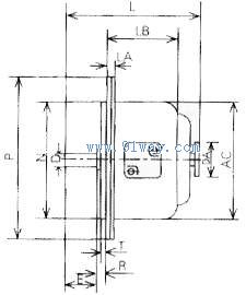
|
型號 |
安裝尺寸Installation dimensions |
外形尺寸Contour dimensions | |||||||||||||||
|
D |
G |
GD |
F |
N |
p |
M |
E |
R |
S |
T |
L |
LB |
LA |
AC |
DA |
KL | |
|
YPE400S2-4Z |
14 |
11 |
5 |
5 |
180 |
235 |
215 |
30 |
6 |
11 |
3 |
163 |
91 |
15 |
196 |
61 |
148 |
|
YPE750S2-4Z |
19 |
16 |
5 |
5 |
180 |
235 |
215 |
30 |
6 |
11 |
3 |
163 |
93 |
15 |
196 |
61 |
148 |
|
YPE1100S2-4Z |
19 |
16 |
5 |
5 |
230 |
290 |
265 |
50 |
6 |
14 |
4 |
205 |
108 |
13 |
233 |
61 |
168 |
|
YPE1500S2-4Z |
24 |
20 |
7 |
8 |
250 |
325 |
300 |
50 |
6 |
14 |
5 |
220 |
122 |
15 |
268 |
61 |
183 |
|
YPE2200S2-4Z |
24 |
20 |
7 |
8 |
250 |
325 |
300 |
50 |
6 |
14 |
5 |
220 |
122 |
15 |
268 |
61 |
183 |
|
YPE3000S2-4Z |
24 |
20 |
7 |
8 |
250 |
325 |
300 |
50 |
6 |
14 |
5 |
220 |
122 |
15 |
268 |
61 |
183 |
