| 產品名稱: | YTDP系列電梯電機 | |||||
| 型號規格: | ![]() |
|||||
| 產品類別: | 南洋電機 -- 電機產品 -- 電梯電機 | |||||
| 參考價格: | 廠價直銷 | |||||
| 產品品牌: | 國產 | |||||
| 產品產地: | 上海 | |||||
| 可供數量: | 批量 | |||||
| 供貨周期: | 現貨(或電詢) | |||||
|
||||||
| 產品簡介: |
|
|||||
YTDP系列電梯電機特點與用途:
電動機具有一套工作繞組,外殼防護等級為IP01,冷卻方式為IC01,電動機可制成臥式底腳安裝型式或凸緣安裝型式,功率有7.5kW~40kW。電動機適用于變頻調速電梯,可安裝在各種機械減速曳引機上,與國內外各類變頻器配套使用,能滿足每小時240次頻繁起制動的使用工況。
電機性能:
電動機適用于變頻調速電梯,可與國內外各類變頻裝置配套使用,能滿足每小時240次頻繁起制動的使用工況。
電動機的絕緣等級為F級。
電動機在軸伸帶半鍵情況下,空載時測得的振動速度有效值不超過1.12mm/s。
YTDP系列電梯電機在空載時測得的A計權聲壓級(Lp)噪聲不超過70dB(A)。
型號說明: 
結構簡介:
YTDP系列電梯電機具有一套工作繞組。
電動機的外殼防護等級為IP01。
電動機的冷卻方式為自扇冷式,符合IC01的規定。
電動機可制成臥式底腳安裝型式(IM1002)或凸緣安裝型式(IM3002)。
電動機采用滾動軸承。
在電動機副軸伸上,用戶可自裝旋轉編碼器;另外,根據用戶要求,也可制成其他特殊的軸伸尺寸。
備注:
訂貨時請注意電動機的型號、功率、額定電壓、額定頻率、極數、安裝結構型式。
對于變頻電梯電動機還應注明裝何種編碼器以及是否要帶熱敏電阻,帶何種熱敏電阻等事項。若對電動機功率、額定電壓、額定頻率、極數等有特殊要求,請在訂貨時說明。
|
序 號 |
型 號 |
功 率 |
額定電壓 |
額定頻率 |
極 數 |
額定轉速 |
額定轉矩 |
額定電流 |
電動機轉動慣量 |
重 量 |
|
SERIAL No. |
TYPE |
POWER |
RATED VOLTAGE |
RATED FREQUENCY |
No.OF POLES |
RATED SPEED |
RATED TORQUE |
RATED CURRENT |
MOMENT OF INERTIA JM |
WEIGHT |
|
(kW) |
(V) |
(Hz) |
(r/min) |
(N.m) |
(A) |
(kg.m2) |
(kg) | |||
|
1 |
YTDP270.10-4 |
7.5 |
360 |
50 |
4 |
1450 |
49 |
20 |
0.06 |
150 |
|
2 |
YTDP270.15-4 |
11 |
72 |
26 |
0.09 |
160 | ||||
|
3 |
YTDP270.15-4 |
15 |
100 |
36 |
0.09 |
160 | ||||
|
4 |
YTDP270.20-4 |
18.5 |
120 |
42 |
0.12 |
190 | ||||
|
5 |
YTDP335.16-4 |
22 |
143 |
45 |
0.25 |
220 | ||||
|
6 |
YTDP335.16-4 |
25 |
162 |
51 |
0.25 |
220 | ||||
|
7 |
YTDP335.16-4 |
30 |
195 |
62 |
0.25 |
220 | ||||
|
8 |
YTDP270.15-6 |
7.5 |
6 |
960 |
73 |
21 |
0.09 |
160 | ||
|
9 |
YTDP270.20-6 |
11 |
107 |
29 |
0.12 |
190 | ||||
|
10 |
YTDP270.20-6 |
12.5 |
122 |
33 |
0.12 |
190 | ||||
|
11 |
YTDP335.16-6 |
15 |
146 |
35 |
0.25 |
220 | ||||
|
12 |
YTDP335.16-6 |
18.5 |
180 |
43 |
0.25 |
220 | ||||
|
13 |
YTDP335.18-6 |
22 |
215 |
51 |
0.28 |
240 | ||||
|
14 |
YTDP335.22-6 |
25 |
244 |
58 |
0.35 |
270 |

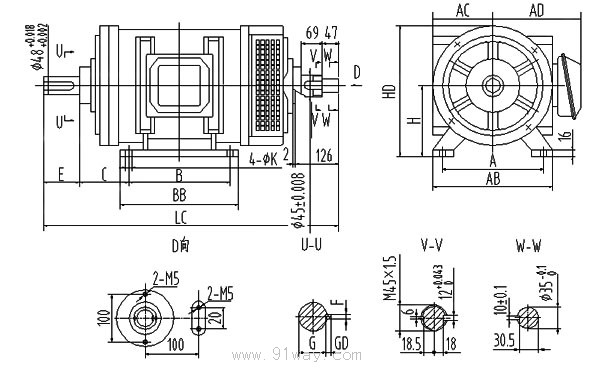
YTDP270型變頻調速電梯用三相異步電動機 臥式底腳安裝型式(IM1002)
YTDP270型變頻調速電梯用三相異步電動機 臥式凸緣安裝型式(IM3002)
YTDP335型變頻調速電梯用三相異步電動機 臥式底腳安裝型式(IM1002)
YTDP335型變頻調速電梯用三相異步電動機 臥式凸緣安裝型式(IM3002)
|
型 號 |
安裝尺寸Mounting dimensions |
外形尺寸Outline dimensions | |||||||||||||
|
TYPE |
H |
A |
B |
C |
E |
F×GD |
G |
K |
AB |
AC |
AD |
BB |
HD |
LC |
LC1 |
|
YTDP270.10-4 |
180 |
279 |
241 |
121 |
82 |
14×9 |
42.5 |
15 |
340 |
180 |
260 |
310 |
360 |
732 |
680 |
|
YTDP270.15-4 | |||||||||||||||
|
YTDP270.15-6 | |||||||||||||||
|
YTDP270.20-4 |
279 |
350 |
787 |
735 | |||||||||||
|
YTDP270.20-6 | |||||||||||||||
|
YTDP335.16-4 |
225 |
356 |
286 |
149 |
110 |
16×10 |
49 |
19 |
435 |
220 |
312 |
360 |
530 |
864 |
|
|
YTDP335.16-6 | |||||||||||||||
|
YTDP335.18-6 | |||||||||||||||
|
YTDP335.22-6 | |||||||||||||||
YTDP系列電梯電機