| 產品名稱: | YTDP210系列電梯電機 | |||||
| 型號規格: | ![]() |
|||||
| 產品類別: | 常規產品 -- 電機產品 -- 電梯電機 | |||||
| 參考價格: | 廠價直銷 | |||||
| 產品品牌: | 國產 | |||||
| 產品產地: | 上海 | |||||
| 可供數量: | 批量 | |||||
| 供貨周期: | 現貨(或電詢) | |||||
|
||||||
| 產品簡介: |
|
|||||

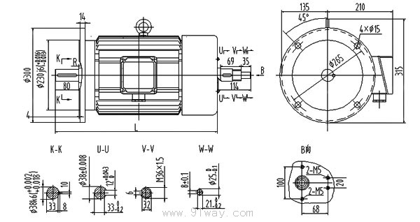
|
序 號 |
型 號 |
功 率 |
額定電壓 |
額定頻率 |
極數 |
額定轉速 |
額定轉矩 |
額定電流 |
電動機轉動慣量 |
重量 |
R |
L |
|
SERIAL No. |
TYPE |
POWER |
RATED CURRENT |
MOMENT OF INERTIA JM |
WEIGHT |
|||||||
|
(kW) |
(V) |
(Hz) |
(r/min) |
(N.m) |
(A) |
(kg.m2) |
(kg) |
(mm) |
(mm) | |||
|
1 |
YTDP210.13-4 |
5.5 |
380 |
50 |
4 |
1450 |
35 |
12 |
0.028 |
80 |
0 |
475 |
|
2 |
YTDP210.18-4 |
6.4 |
40.8 |
13.2 |
0.038 |
97 |
525 | |||||
|
3 |
YTDP210.18-4 |
7.5 |
47.7 |
15.5 |
0.038 |
97 |
525 | |||||
|
4 |
YTDP210.13-6 |
3 |
6 |
960 |
28.6 |
7.5 |
0.038 |
80 |
475 | |||
|
5 |
YTDP210.16-6 |
4 |
38.2 |
9.5 |
0.048 |
92 |
525 | |||||
|
6 |
YTDP210.20-6 |
5.5 |
52.5 |
12.8 |
0.058 |
97 |
525 | |||||
|
7 |
YTDP210.20-6 |
6.4 |
61.1 |
14.6 |
0.058 |
97 |
525 |