| 產品名稱: | YSS系列三相短時運轉異步電動機 | |||||
| 型號規格: | ![]() |
|||||
| 產品類別: | 常規產品 -- 電機產品 -- 中小異步電機 | |||||
| 參考價格: | 廠價直銷 | |||||
| 產品品牌: | 國產 | |||||
| 產品產地: | 上海 | |||||
| 可供數量: | 批量 | |||||
| 供貨周期: | 現貨(或電詢) | |||||
|
||||||
| 產品簡介: |
|
|||||

|
型號 ( model) |
功率 (merit rate) W |
電流 A |
電壓V |
頻率 HZ |
轉速 r/min |
持續時間 |
效率 |
功率因數 COSφ |
堵轉轉矩 |
堵轉電流 |
最大轉矩 |
|
額定轉矩 |
額定電流 |
額定轉矩 | |||||||||
|
YSS5634 |
250 |
1.55 |
380 |
50 |
1400 |
5 |
46 |
0.55 |
2.5 |
6 |
2.7 |
|
320 | |||||||||||
|
YS5634 |
300 |
0.50 |
- |
60 |
0.63 |
2.4 |
6 |
2.4 | |||
|
YSS8034 |
1100 |
2.85 |
15% |
73 |
0.8 |
2 |
6 |
2 | |||
|
YSS90L-4 |
1500 |
3.65 |
25% |
80 |
0.82 |
2.2 |
7 |
2.4 |
|
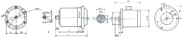
型號 ( model) |
D |
E |
F |
G |
M |
N |
P |
S |
B1 |
B2 |
L1 |
L2 |
L3 |
L |
|
YSS5634 |
14 |
41 |
4 |
11 |
100 |
100 |
125 |
9 |
53 |
57 |
131 |
19 |
16 |
192 |
|
11 |
17 |
8.5 |
108 |
175 | ||||||||||
|
YSS8034 |
18 |
40 |
5 |
15 |
154 |
138 |
170 |
9 |
- |
75 |
135 |
25 |
20 |
276 |
|
YSS90L-4 |
200 |
170 |
229 |
11 |
105 |
105 |
130 |
20 |
10 |
271 |