BLD-20型高壓漏電保護繼電器(以下簡稱繼電器)具有功率方向型漏電保護功能。可與真空少油及SF6礦用一般型配電開關(裝置)或真空斷路器相配合,用于3-10KV級中型點不接地系統中,對供電系統的漏電(或接地)實現有選擇性保護。
特點
采用功率方向型原理,工作可靠。內部電路組件選用方便,靈敏度高,選擇性強,性能穩定等優點。選用小型密封繼電器作故障記憶元件,帶電源指示和故障后有燈光顯示,使判斷故障迅速準確。采用最新導軌安裝,或固定安裝。試驗和復位按鈕可外接,可不接,使用非常方便。
BLD-20型高壓漏電保護繼電器使用條件
1、 海拔高度不超過3000米。
2、 周圍環境溫度不高于+40℃,不低于-20℃。
3、 周圍空氣相對溫度不大于95%。(環境溫度為+25℃時)。
4、 不加隔爆外殼時,不能用于有爆炸危險的環境中。
5、 沒有破壞金屬和腐蝕絕緣的氣體環境中。
6、 無滴水及水侵的地方。
主要技術數據
1、 漏電保護靈敏度繼電器一次零序電流為0. 1A。 二次零序電壓為3V±0.4。
2、 一次零序電流分檔:0.1、0.3、0.5、1.0、3.0、6.0(A)誤差不大于±10%。
3、 保護動作時間:0.1、0.5、1.0、1.5、2.0、5.0( S)誤差不大于±10%。
4、 額定電源電壓:100V、50Hz,本裝置在100V±20%范圍內能正常工作。
5、 輸出觸點壽命:115VAC×1A(阻性負載)100000次。 28VDC×2A(阻性負載)100000次。
BLD-20型高壓漏電保護繼電器工作原理
漏電保護由零序電流回路、零序電壓回路,相位比較,時間分檔及繼電器鎖定單元組成,當線路發生漏電或接地時,零序電壓同時存在,分別通過電流回路和電壓回路進行相位比較,再按不同時間分檔,使繼電器動作,指示燈有燈光顯示。
結構外型
1、 本保護裝置使用ABS塑料外殼,其外型及安裝尺寸見附圖1。
2、 外型尺寸:90×116×50mm。
3、 凈重:≤0.5Kg。
安裝使用前的檢查
1、 外觀檢查檢查繼電器型號及附件是否成套,外型應無明顯損傷和變形。指示燈應齊全,緊固。
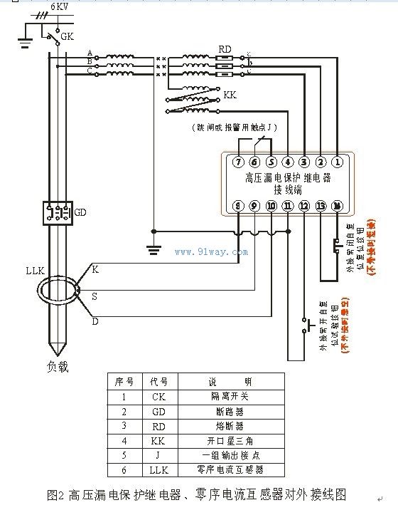
2、 電氣性能檢查按BLD-20型對外接線圖2接線。用試驗按鈕進行檢測,本單元動作應正常,指示燈應有燈光顯示。抽查各主要技術數據,均應符合要求。
安裝使用及維護
1、 各單元均應整定在所需的位置上。
2、 安裝完畢后,須通電用配電裝置上的試驗按鈕進行試驗,動作應正常。
3、 零序電流互感器的安裝使用:零序電流互感器是漏電保護的關鍵元氣件,端子面朝向母線的電源側,K接保護裝置8腳,S接保護裝置9腳,D接在保護裝置10腳,不可反接。
4、 嚴禁使用兆歐表檢測本裝置內的電路。
5、 維修焊接元件時應使用45W以下的電烙鐵,以防燒壞元件。
6、 欲替換本裝置上的半導體元件,必須經測試篩選后方能使用。
7、 為使保護裝置經常處于正常工作狀態,應定時進行試驗、檢查。

