| 產品名稱: | G-113直流信號分配器(一入三出) | |||||
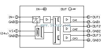
| 型號規格: | ![]() |
|||||
| 產品類別: | 常規產品 -- 儀器儀表 -- 信號隔離器 | |||||
| 參考價格: | 廠價直銷 | |||||
| 產品品牌: | 國產 | |||||
| 產品產地: | 上海 | |||||
| 可供數量: | 批量 | |||||
| 供貨周期: | 現貨(或電詢) | |||||
|
||||||
| 產品簡介: |
|
|||||
| 代碼 | 輸入 | 代碼 | 輸出1 | 代碼 | 輸出2 | 代碼 | 輸出3 |
| 1 |
0-75mVDC |
A | 0-5VDC | A | 0-5VDC | A | 0-5VDC |
| 2 |
0-5VDC |
B | 0-10VDC | B | 0-10VDC | B | 0-10VDC |
| 3 |
0-10VDC |
C | 1-5VDC | C | 1-5VDC | C | 1-5VDC |
| 4 |
0-250VDC |
D | 0-10mA | D | 0-10mA | D |
0-10mA |
| 5 |
0-10mA |
E |
0-20mA |
E | 0-20mA | E |
0-20mA |
| 6 |
0-20mA |
F |
4-20mA |
F |
4-20mA |
F |
4-20mA |
| 7 |
4-20mA |
| |||||
| 8 | 用戶特定參數 | ||||||
|
輸入阻抗 |
電壓型≥100KΩ 電流型;100Ω |
| 輸出阻抗 |
0-500Ω |
| 精度 | ±0.2%F.S |
| 溫度系數 | <50ppm/℃ |
| 環境溫度 | -10℃-+60℃ |
| 絕緣電阻 |
電源、輸入、輸出三路之間 ≥100MΩ(500VDC) |
| 絕緣強度 |
電源、輸入、輸出三路之間 ≥1500VAC/分鐘 |
| 電源 | 24Vdc±10% |
| 消耗功率 | <2W |


